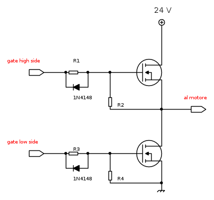
In passato mi è stato insegnato che il valore della resistenza è di 1K Ohm, mentre facendo delle ricerche in rete, ho notato che la resistenza viene selezionata tra un minimo di 22K ed un massiomo di 1M Ohm
link:http://www.microcontroller.it/T&T/Elettronica/mosfetwarning.htm
Sul manuale di elettronica dell' Hoepli dicono di inserirne una da 1M Ohm.
Sul forum ho trovato la seguente discussione: http://www.electroyou.it/forum/viewtopic.php?t=29601
Il mosfet che utilizzo è un IRF530N http://www.irf.com/product-info/datasheets/data/irf530n.pdf
Grazie

Elettrotecnica e non solo (admin)
Un gatto tra gli elettroni (IsidoroKZ)
Esperienza e simulazioni (g.schgor)
Moleskine di un idraulico (RenzoDF)
Il Blog di ElectroYou (webmaster)
Idee microcontrollate (TardoFreak)
PICcoli grandi PICMicro (Paolino)
Il blog elettrico di carloc (carloc)
DirtEYblooog (dirtydeeds)
Di tutto... un po' (jordan20)
AK47 (lillo)
Esperienze elettroniche (marco438)
Telecomunicazioni musicali (clavicordo)
Automazione ed Elettronica (gustavo)
Direttive per la sicurezza (ErnestoCappelletti)
EYnfo dall'Alaska (mir)
Apriamo il quadro! (attilio)
H7-25 (asdf)
Passione Elettrica (massimob)
Elettroni a spasso (guidob)
Bloguerra (guerra)








