dopo alcune ricerche e test su di un alimentatore ATX... ho capito che non è quello che voglio e allora perché perderci tempo?
A questo punto mi sono informato, documentato su internet e rispolverato alcuni libri di scuola
Ho deciso di costruirmi da solo un alimentatore da banco con una tensione di uscita regolabile da 0 a 30V e capaci di erogare 2A o più e con Voltimetro e Amperometro in grado di visualizzare tensione e corrente... ora sono partito da uno schema a blocchi per dare un ordine al progetto che spero vi possa interessare
1. Alimentatore IN: 220 V AC - OUT: 40V DC
2. Regolatore di Tensione
3. Regolatore di Corrente
4. Voltmetro e Amperometro
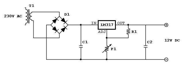
Parto quindi alla progettazione dell' Alimentatore:
Trasformatore 220 V AC - 40V DC
Ponte di diodi
Condensatore da 1000uF
Per i due regolatori pensavo di utilizzare due circuiti separati con trimmer di regolazione utilizzando per entrambi l'integrato LM317. Il problema è che può erogare massimo 1,5A se non erro, quindi, come posso ovviare a ciò?
Vi va di darmi una mano? Appena possibile butto giù uno schemino dai

Elettrotecnica e non solo (admin)
Un gatto tra gli elettroni (IsidoroKZ)
Esperienza e simulazioni (g.schgor)
Moleskine di un idraulico (RenzoDF)
Il Blog di ElectroYou (webmaster)
Idee microcontrollate (TardoFreak)
PICcoli grandi PICMicro (Paolino)
Il blog elettrico di carloc (carloc)
DirtEYblooog (dirtydeeds)
Di tutto... un po' (jordan20)
AK47 (lillo)
Esperienze elettroniche (marco438)
Telecomunicazioni musicali (clavicordo)
Automazione ed Elettronica (gustavo)
Direttive per la sicurezza (ErnestoCappelletti)
EYnfo dall'Alaska (mir)
Apriamo il quadro! (attilio)
H7-25 (asdf)
Passione Elettrica (massimob)
Elettroni a spasso (guidob)
Bloguerra (guerra)








