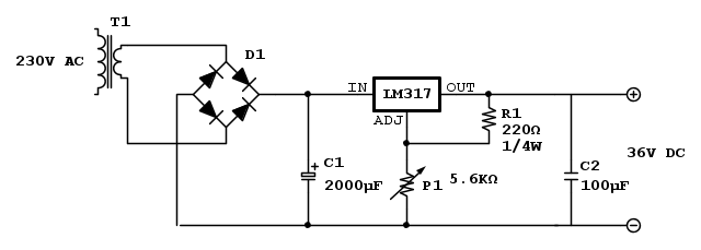
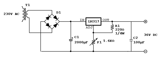
La corrente d'uscita dipende dal trasformatore che userai e dal regolatore che, come detto, non puo' superare 1.5A se ben dissipato e nelle condizioni migliori di esercizio.
P.S. C1 lo metterei elettrolitico.
Moderatori:
carloc,
g.schgor,
BrunoValente,
IsidoroKZ



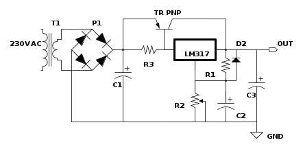
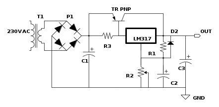
marco438 ha scritto:Se adoperi un trasformatore da 30VAC, ti ritrovi sul regolatore circa 40VDC il che vuol dire che a 12 V 2A dovra' dissipare la bellezza di 56W.

marco438 ha scritto:Peradert
Beh, al contrario di quello che scrivi, ti posso assicurare che ho davanti a me un alimentatorino che uso per particolari applicazioni che adopera un LM317 ed un trasformatore da 36VDC ed in 20 anni non si e' mai bruciato.![]()
Poi, basta leggere il datasheet o l'application note.
marco438 ha scritto: I 40 volt citati dal datasheet non sono la tensione massima sopportabile dall'integrato bensi' il range di tensione Vin/Vout.



Visitano il forum: Nessuno e 192 ospiti