Salve a tutti,
vorrei fare in modo che la luce nel mio garage venga accesa automaticamente da un comune sensore di movimento / crepuscolare.
Vorrei però che lo spegnimento non fosse automatico ma fosse manuale. Vorrei in sostanza che quando entro in garage la luce si accenda da sola, ma voglio poi essere io a spegnerla quando esco.
Ho pensato di collegare l'uscita del sensore di movimento / crepuscolare (il garage ha molte finestre quindi non rischio che la luce si accenda quando c'è il sole) ad un relè. Collegherei allo stesso relè un pulsante normalmente aperto per spegnere.
Può funzionare? Il fatto che il sensore di movimento tenga eccitata la bobina del relè per qualche tempo (credo che anche impostando il timer al minimo si parli comunque sempre di un minuto o giù di li) può causare danni?
Grazie in anticipo per l'aiuto!
Accensione con sensore e spegnimento manuale
Moderatori:
sebago,
MASSIMO-G,
lillo,
Mike
4 messaggi
• Pagina 1 di 1
0
voti
1
voti
Puoi usare il contatto N.A. del sensore di movimento per eccitare un relè (non passo passo) che dovrà avere a sua volta un proprio contatto N.A. per metterlo in autoritenuta.
Il pulsante per spegnere le luci dovrà invece essere N.C. (li fanno per tutte le serie civili) ed essere posto in serie al contatto N.A. del sensore di movimento (meglio a monte, così potrai spegnere le luci anche se il sensore ha ancora l'uscita temporizzata abilitata)
Utilizzando un relè da quadro/DIN a due contatti, non importa se il comando del sensore sarà di tipo stabile (un minuto o più) o impulsivo.
Il pulsante per spegnere le luci dovrà invece essere N.C. (li fanno per tutte le serie civili) ed essere posto in serie al contatto N.A. del sensore di movimento (meglio a monte, così potrai spegnere le luci anche se il sensore ha ancora l'uscita temporizzata abilitata)
Utilizzando un relè da quadro/DIN a due contatti, non importa se il comando del sensore sarà di tipo stabile (un minuto o più) o impulsivo.
Ognuno sta solo sul cuor della terra
trafitto da un raggio di sole:
ed è subito sera
Salvatore Quasimodo
trafitto da un raggio di sole:
ed è subito sera
Salvatore Quasimodo
0
voti
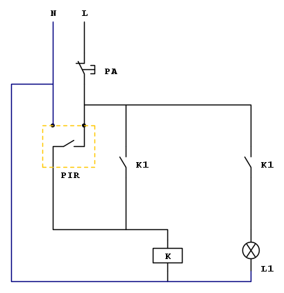
Ciao Attilio,ma se io premo il pulsante nc, il relè si diseccita ,ma se il sensore ha il contatto di tipo stabile ancora inserito ,al rilascio del pulsante ,il relè si ecciterà nuovamente.
0
voti
ciao Elio, sono un po' stanco quindi potrei sbagliarmi ma avevo in mente questo schema
ovviamente bisogna verificare che il circuito del rilevatore IR, non ecciti automaticamente il relè nel momento che questi venga disalimentato e poi rialimentato (a dire il vero la gran parte di quelli che io ricordo, faceva proprio così!)
ovviamente bisogna verificare che il circuito del rilevatore IR, non ecciti automaticamente il relè nel momento che questi venga disalimentato e poi rialimentato (a dire il vero la gran parte di quelli che io ricordo, faceva proprio così!)
Ognuno sta solo sul cuor della terra
trafitto da un raggio di sole:
ed è subito sera
Salvatore Quasimodo
trafitto da un raggio di sole:
ed è subito sera
Salvatore Quasimodo
4 messaggi
• Pagina 1 di 1
Torna a Impianti, sicurezza e quadristica
Chi c’è in linea
Visitano il forum: Nessuno e 291 ospiti

Elettrotecnica e non solo (admin)
Un gatto tra gli elettroni (IsidoroKZ)
Esperienza e simulazioni (g.schgor)
Moleskine di un idraulico (RenzoDF)
Il Blog di ElectroYou (webmaster)
Idee microcontrollate (TardoFreak)
PICcoli grandi PICMicro (Paolino)
Il blog elettrico di carloc (carloc)
DirtEYblooog (dirtydeeds)
Di tutto... un po' (jordan20)
AK47 (lillo)
Esperienze elettroniche (marco438)
Telecomunicazioni musicali (clavicordo)
Automazione ed Elettronica (gustavo)
Direttive per la sicurezza (ErnestoCappelletti)
EYnfo dall'Alaska (mir)
Apriamo il quadro! (attilio)
H7-25 (asdf)
Passione Elettrica (massimob)
Elettroni a spasso (guidob)
Bloguerra (guerra)



