Alimentatore da banco regolabile
Moderatori:
carloc,
g.schgor,
BrunoValente,
IsidoroKZ
0
voti
se posso permettermi, ma per quale motivo hai scartato l'alimentatore ATX puntando su uno switching da 24 V a 5A ??
1
voti
Il secondo schema dovrebbe essere così
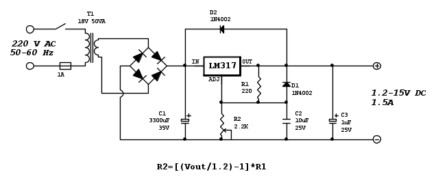
Con 18 Vac sul secondario del trasformatore, dopo ponte e condensatore avrai circa 24 Vdc, hai dimenticato di moltiplicare per radice quadra di 2. Con quel trasformatore puoi ottenere in uscita dall'alimentatore 1,25 - 15 V.
Lo schema riportato nel datasheet è solo lo schema del regolatore e presuppone che a monte gli arrivi una tensione ben livellata. Quindi il grosso condensatore di livellamento fa parte del circuito trasformatore/ponte/condensatore che nel datasheet non è riportato (ma bisogna metterlo).
Il potenziometro (a rigore, nel nostro schema, resistenza variabile) deve avere il cursore collegato altrimenti non fa niente.
Con 18 Vac sul secondario del trasformatore, dopo ponte e condensatore avrai circa 24 Vdc, hai dimenticato di moltiplicare per radice quadra di 2. Con quel trasformatore puoi ottenere in uscita dall'alimentatore 1,25 - 15 V.
Lo schema riportato nel datasheet è solo lo schema del regolatore e presuppone che a monte gli arrivi una tensione ben livellata. Quindi il grosso condensatore di livellamento fa parte del circuito trasformatore/ponte/condensatore che nel datasheet non è riportato (ma bisogna metterlo).
Il potenziometro (a rigore, nel nostro schema, resistenza variabile) deve avere il cursore collegato altrimenti non fa niente.
-

FedericoSibona
5.022 3 5 8 - Master

- Messaggi: 3951
- Iscritto il: 19 mar 2013, 11:43
0
voti
Ah ok grazie federico
Ma se in ingresso ho 24Vdc, in uscita potrei averne anche 2 dimensionando opportunamente R2?
L'ATX è stato scartato perché mi risultava difficile estrarre tensioni superiore ai 12V. Ovvio, è pure sempre un alimentatore da 12V 5A ma non regolabile
Ma se in ingresso ho 24Vdc, in uscita potrei averne anche 2 dimensionando opportunamente R2?
L'ATX è stato scartato perché mi risultava difficile estrarre tensioni superiore ai 12V. Ovvio, è pure sempre un alimentatore da 12V 5A ma non regolabile

0
voti
Scusa mi è scappato un numero. Volevo: "Ma se in ingresso ho 24Vdc, in uscita potrei averne anche 21 Vdc dimensionando opportunamente R2?"
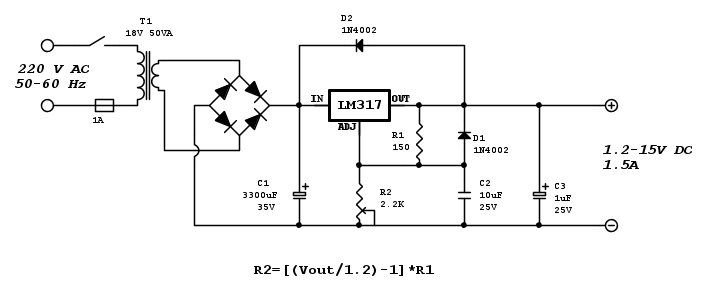
Comunque i due schemi precedenti indicano uno l'alimentatore discusso finora con le opportune protezioni da cortocircuito che diceva Isidoro e l'altro il circuito fatto da me di un alimentyatore meno potente...
Comunque i due schemi precedenti indicano uno l'alimentatore discusso finora con le opportune protezioni da cortocircuito che diceva Isidoro e l'altro il circuito fatto da me di un alimentyatore meno potente...
Ultima modifica di
Cadmir il 11 ott 2015, 13:44, modificato 1 volta in totale.
0
voti
Conta di arrivare come massima tensione a 18V (forse 19) efficaci.
Pensavo nel frattempo che ci potrebbe essere anche un'altra soluzione: considerato che dovrai farci (come hai detto) piccoli esperimenti di poca importanza e che, come hanno giustamente detto altri, quello che stai facendo , se pur moderatamente istruttivo, ha poca valenza sul piano pratico, se vuoi avere un alimentatore variabile che consenta anche di accendere delle strip-led da 24 V e con una certa corrente, potresti adottare la soluzione dello switchng.
In pratica, prendi un alimentatore come questo, che potrebbe essere da 24 V/5A e lo colleghi ad uno step-down sul genere di questo e ti ritrovi una tensione variabile da 0.8 a 22.5/23V ed una corrente che possa sopperire alle tue necessita'.
In piu' avresti anche, quando necessario, una regolazione della corrente e la protezoine contro eventuali cortocircuiti o sovraccarichi.
Poi, quando ti sarai fatto le ossa, magari potremo pensare ad un progetto piu' serio.
Pensavo nel frattempo che ci potrebbe essere anche un'altra soluzione: considerato che dovrai farci (come hai detto) piccoli esperimenti di poca importanza e che, come hanno giustamente detto altri, quello che stai facendo , se pur moderatamente istruttivo, ha poca valenza sul piano pratico, se vuoi avere un alimentatore variabile che consenta anche di accendere delle strip-led da 24 V e con una certa corrente, potresti adottare la soluzione dello switchng.
In pratica, prendi un alimentatore come questo, che potrebbe essere da 24 V/5A e lo colleghi ad uno step-down sul genere di questo e ti ritrovi una tensione variabile da 0.8 a 22.5/23V ed una corrente che possa sopperire alle tue necessita'.
In piu' avresti anche, quando necessario, una regolazione della corrente e la protezoine contro eventuali cortocircuiti o sovraccarichi.
Poi, quando ti sarai fatto le ossa, magari potremo pensare ad un progetto piu' serio.
marco
0
voti
Si marco, potrebbe essere la via più facile ma, a mio avviso, poco costruttivo poiché si tratterebbe di collegare l'uscita del prima con l'entrata del secondo e avrei il tutto già fatto...
Non mi spaventa l'assemblamento, la saldatura e neanche la progettazione poiché ritengo di avere avuto (e mi ritengo molto fortunato in questo) un'ottima istruzione dalla mia ex-scuola con tanto di laboratorio dove si creavano, da semplici piastre ramate, le piste. Si foravano e si saldavano i componenti. Ovvio, non avrei i macchinari adatti per creare le piastre ramate con piste da me, ma la cosa si potrebbe ovviare con una piastra ramata preforata. Ecco perché vorrei continuare a percorrere la strada del "fai da te" e in tal caso opterei, seguendo i vostri consigli, per la soluzione più semplice, ovvero, vorrei seguire questo circuito.
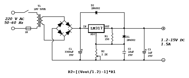
Ho modificato la R1 abbassandola a 150Ohm così da avere una maggiore tensione in uscita pur mantenendo il potenziometro da 2.2KOhm.
Queste la lista della spesa (nella lista troverete anche un saldatore poiché il mio proprio ieri ha fatto "PUFF" dopo quasi 16 anni di servizio. Lo avevo comprato a 5.000 Lire
)
Mancano il ponte diodi e l'integrato LM317 che purtroppo dove sto per acquistare il tutto, non è disponibile. Sto acquistando il tutto da Tancreti. Lo conoscete? La spedizione è con corriere espresso (consegna tramite corriere GLS in 24/48h) per via dell'eccessivo peso... cosa ne pensate?
Non mi spaventa l'assemblamento, la saldatura e neanche la progettazione poiché ritengo di avere avuto (e mi ritengo molto fortunato in questo) un'ottima istruzione dalla mia ex-scuola con tanto di laboratorio dove si creavano, da semplici piastre ramate, le piste. Si foravano e si saldavano i componenti. Ovvio, non avrei i macchinari adatti per creare le piastre ramate con piste da me, ma la cosa si potrebbe ovviare con una piastra ramata preforata. Ecco perché vorrei continuare a percorrere la strada del "fai da te" e in tal caso opterei, seguendo i vostri consigli, per la soluzione più semplice, ovvero, vorrei seguire questo circuito.
Ho modificato la R1 abbassandola a 150Ohm così da avere una maggiore tensione in uscita pur mantenendo il potenziometro da 2.2KOhm.
Queste la lista della spesa (nella lista troverete anche un saldatore poiché il mio proprio ieri ha fatto "PUFF" dopo quasi 16 anni di servizio. Lo avevo comprato a 5.000 Lire
Mancano il ponte diodi e l'integrato LM317 che purtroppo dove sto per acquistare il tutto, non è disponibile. Sto acquistando il tutto da Tancreti. Lo conoscete? La spedizione è con corriere espresso (consegna tramite corriere GLS in 24/48h) per via dell'eccessivo peso... cosa ne pensate?
0
voti
Con raddrizzamento a ponte per avere 1,5 A in continua il secondario del trasformatore deve dare quella corrente moltiplicata per il coefficiente 1,8 circa. Quindi 1,5 A x 1,8 = 2,7 A che moltiplicati per la tensione di 18 Vac fanno circa 50 VA. Se vuoi avere quella corrente massima il trasformatore dovrà essere quindi da 50 VA (come da schema corretto). Ovviamente se ti accontenti di correnti massime inferiori, va bene quel trasformatore
Nella lista manca il dissipatore su cui montare l'integrato.
Nella lista manca il dissipatore su cui montare l'integrato.
-

FedericoSibona
5.022 3 5 8 - Master

- Messaggi: 3951
- Iscritto il: 19 mar 2013, 11:43
0
voti
i prezzi sembrano fantastici possibile?
una basetta ramata 100x160 in negozio mi hanno chiesto 4,00€ qui solo 0,48€ possibile?
perché il Saldatore a stilo SH813 40W anzichè il saldatore SR-963 40W ?
scusate l'OT
una basetta ramata 100x160 in negozio mi hanno chiesto 4,00€ qui solo 0,48€ possibile?
perché il Saldatore a stilo SH813 40W anzichè il saldatore SR-963 40W ?
scusate l'OT
Chi c’è in linea
Visitano il forum: Nessuno e 242 ospiti

Elettrotecnica e non solo (admin)
Un gatto tra gli elettroni (IsidoroKZ)
Esperienza e simulazioni (g.schgor)
Moleskine di un idraulico (RenzoDF)
Il Blog di ElectroYou (webmaster)
Idee microcontrollate (TardoFreak)
PICcoli grandi PICMicro (Paolino)
Il blog elettrico di carloc (carloc)
DirtEYblooog (dirtydeeds)
Di tutto... un po' (jordan20)
AK47 (lillo)
Esperienze elettroniche (marco438)
Telecomunicazioni musicali (clavicordo)
Automazione ed Elettronica (gustavo)
Direttive per la sicurezza (ErnestoCappelletti)
EYnfo dall'Alaska (mir)
Apriamo il quadro! (attilio)
H7-25 (asdf)
Passione Elettrica (massimob)
Elettroni a spasso (guidob)
Bloguerra (guerra)








