Tramite il datasheet trovo questi:
http://pdf.datasheetcatalog.net/datashe ... /lm317.pdf
http://www.st.com/web/en/resource/techn ... 151535.pdf
LM317
Tj = 125 °C
Rthja = 25 °C/W
TO-220
Tj = 175 °C
Alimentatore da banco regolabile
Moderatori:
carloc,
g.schgor,
BrunoValente,
IsidoroKZ
0
voti
Non ho capito cosa c'entrano i mosfet. La massima temperatura di giunzione dipende dai semiconduttori interni al case, non dal case.
-

FedericoSibona
5.022 3 5 8 - Master

- Messaggi: 3951
- Iscritto il: 19 mar 2013, 11:43
0
voti
Si hai ragione...
Forse ci sono
TJ = +125°C
TA = +25°C
Thermal Resistance, Junction−to−Ambient JA 65 °C/W
Thermal Resistance, Junction−to−Case JC 5.0 °C/W
Rthcd = 0.8°C/W (TO-220 a contatto diretto)
Rthda = (Tj - Ta)/Pd - Rthjc - Rthcd
dove Pd = (Tj - Ta)/Rthja = 100/65 = 1,53W
Quindi:
Rthda = 100/1.5 - 5 - 0.8 = 60.86 °C/W
Ora come lo adatto alla dissipazione di 22W?
Forse ci sono
TJ = +125°C
TA = +25°C
Thermal Resistance, Junction−to−Ambient JA 65 °C/W
Thermal Resistance, Junction−to−Case JC 5.0 °C/W
Rthcd = 0.8°C/W (TO-220 a contatto diretto)
Rthda = (Tj - Ta)/Pd - Rthjc - Rthcd
dove Pd = (Tj - Ta)/Rthja = 100/65 = 1,53W
Quindi:
Rthda = 100/1.5 - 5 - 0.8 = 60.86 °C/W
Ora come lo adatto alla dissipazione di 22W?
0
voti
Non lo adatti. Per dissipare 22W (ammesso che siano giusti, non ho controllato) con resistenza termica giunzione case di 5K/W viene un salto di temperatura di 110K, morale non si riesce a dissipare quella potenza!
Per fare un alimentatore da banco si fa un alimentatore da banco, con tutti i loop di controllo, non si prende un LM317. Mi sembrava di averlo gia` detto
Al piu` puoi fare un alimentatore da mezzo ampere con cui si alimenta il 95% di tutti i circuiti elettronici che uno si puo` immaginare di fare.
Invece per progettare un circuito bisogna studiare un po' di elettronica, non prendere delle formule a caso e metterci dentro il primo numero che passa.
Ad esempio non ho proprio capito da dove arrivi Pd, che sembrerebbe la potenza dissipabile senza alcun dissipatore.
Per fare un alimentatore da banco si fa un alimentatore da banco, con tutti i loop di controllo, non si prende un LM317. Mi sembrava di averlo gia` detto
Al piu` puoi fare un alimentatore da mezzo ampere con cui si alimenta il 95% di tutti i circuiti elettronici che uno si puo` immaginare di fare.
Invece per progettare un circuito bisogna studiare un po' di elettronica, non prendere delle formule a caso e metterci dentro il primo numero che passa.
Ad esempio non ho proprio capito da dove arrivi Pd, che sembrerebbe la potenza dissipabile senza alcun dissipatore.
Per usare proficuamente un simulatore, bisogna sapere molta più elettronica di lui
Plug it in - it works better!
Il 555 sta all'elettronica come Arduino all'informatica! (entrambi loro malgrado)
Se volete risposte rispondete a tutte le mie domande
Plug it in - it works better!
Il 555 sta all'elettronica come Arduino all'informatica! (entrambi loro malgrado)
Se volete risposte rispondete a tutte le mie domande
0
voti
Scusa isidoro ma perché 5KW? la Rthjc è di 5 °C/W
E poi scusami ma io non ho capito...un LM317 è in grado di di dare una Iout di 1,5A, ma allora, se non può essere utilizzata, perché sbattersi per creare un integrato con queste caratteristiche? Io applico in ingresso una Vin di 16V e, utilizzando lm317 dovrei essere in grado di poter modulare la tensione fino a 1.2V e quindi, avendo una Iout di 1,5A avrei una potenza sull'IC di 22.2W
Sicuramente starò sbagliando qualcosa per carità ma davvero non riesco a capire
Per lavorare a 500mA dovrei avere una Vin-Vou ti 35V
Scusami ma sicuramente starò dicendo delle fesserie non so, ma io vedo questo
E poi scusami ma io non ho capito...un LM317 è in grado di di dare una Iout di 1,5A, ma allora, se non può essere utilizzata, perché sbattersi per creare un integrato con queste caratteristiche? Io applico in ingresso una Vin di 16V e, utilizzando lm317 dovrei essere in grado di poter modulare la tensione fino a 1.2V e quindi, avendo una Iout di 1,5A avrei una potenza sull'IC di 22.2W
Sicuramente starò sbagliando qualcosa per carità ma davvero non riesco a capire
Per lavorare a 500mA dovrei avere una Vin-Vou ti 35V
Scusami ma sicuramente starò dicendo delle fesserie non so, ma io vedo questo
1
voti
K/W e` diverso da kW e da kW.
Un 317 e` in grado di dare 1.5A se la differenza di tensione ingresso-uscita non supera 15V E se la temperatura del silicio rimane al di sotto di 125°C (o quello che dice il datasheet worst case). Sono due condizioni indipendenti.
Inoltre tutti i grafici sono TIPICI, il che vuol dire che non ci puoi fare affidamento.
Da qualche altra parte (data sheet della National) dicono anche che la massima potenza dissipaBILE in condizioni standard e` di 20W. che vuol dire temperatura ambiente 25°C e dissipatore IDEALE. Il che vuol dire che in condizioni normali probabilmente riesci a far dissipare una decina di watt.
Quando dico fai una cosa da mezzo ampere, c'e` una ragione!
Un 317 e` in grado di dare 1.5A se la differenza di tensione ingresso-uscita non supera 15V E se la temperatura del silicio rimane al di sotto di 125°C (o quello che dice il datasheet worst case). Sono due condizioni indipendenti.
Inoltre tutti i grafici sono TIPICI, il che vuol dire che non ci puoi fare affidamento.
Da qualche altra parte (data sheet della National) dicono anche che la massima potenza dissipaBILE in condizioni standard e` di 20W. che vuol dire temperatura ambiente 25°C e dissipatore IDEALE. Il che vuol dire che in condizioni normali probabilmente riesci a far dissipare una decina di watt.
Quando dico fai una cosa da mezzo ampere, c'e` una ragione!
Per usare proficuamente un simulatore, bisogna sapere molta più elettronica di lui
Plug it in - it works better!
Il 555 sta all'elettronica come Arduino all'informatica! (entrambi loro malgrado)
Se volete risposte rispondete a tutte le mie domande
Plug it in - it works better!
Il 555 sta all'elettronica come Arduino all'informatica! (entrambi loro malgrado)
Se volete risposte rispondete a tutte le mie domande
0
voti
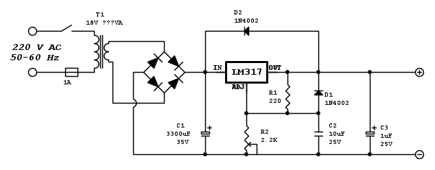
Va bene Isidoro... come posso realizzarlo? Questo circuito va bene, devo dimensionare il trasformatore. Per il secondo avvolgimento ho messo 18V perché calcolo 1.4V del ponte di Graetz e 3V di drop-out del LM317 quindi un 13.6V in uscita (IDEALMENTE) e mi va bene perché ho dimensionato il mio obbiettivo a 12V regolabili.
Ora voglio dimensionare la corrente in uscita... come?!
1
voti
Per dimensionare la corrente di uscita, o meglio per limitare la corrente di uscita, NON devi usare usare un 317, che non e` fatto per fare alimentatori "da banco".
Un inconveniente di avere un regolatore di quel genere e` che non puoi limitare la corrente se non a quello che vuole lui: in caso di cortocircuito o di malfunzionamento la corrente disponibile puo` essere troppo elevata e fare danni.
Gli alimentatori da banco hanno DUE potenziometri, uno per la tensione e uno per la corrente.
Accidentalmente il diodo D2 non serve e neanche D1 non serve (leggere il data sheet, ad esempio quello National).
Il conto della tensione non va bene. Con un secondario da 18V hai un valore di picco di 25V circa, meno DUE volt sul ponte (l'idea che un diodo faccia cadere sempre 0.7V e` sbagliata, dipende dal diodo e dall'applicazione) fanno 23V di tensione di ingresso di picco al regolatore. Poi bisogna valutare il ripple, che con 1A e il condensatore che hai scelto sono 3V, quindi il picco minimo all'ingresso e` di 20V. Avere una tensione piu` elevata del necessario fa dissipare inutilmente potenza. D'altra parte c'e` anche il problema che la rete potrebbe avere delle variazioni del 10% e i 20V possono diventare 18V, ok ci si sta ancora dentro.
Pero` la tensione MEDIA di ingresso e` di 21.5V circa (probabilmente piu` 22V), e la dissipazione va alle stelle.
Morale: per fare un alimentatore bisogna fare un alimentatore! Come minimo sarebbe necessario aggiungere una limitazione di corrente...
E per fare un progetto, ahime' non bisogna applicare le formulette, bisogna studiare un pochino.
Cosi` per mia curiosita`, che lavoro fai o cosa stai studiando?
Un inconveniente di avere un regolatore di quel genere e` che non puoi limitare la corrente se non a quello che vuole lui: in caso di cortocircuito o di malfunzionamento la corrente disponibile puo` essere troppo elevata e fare danni.
Gli alimentatori da banco hanno DUE potenziometri, uno per la tensione e uno per la corrente.
Accidentalmente il diodo D2 non serve e neanche D1 non serve (leggere il data sheet, ad esempio quello National).
Il conto della tensione non va bene. Con un secondario da 18V hai un valore di picco di 25V circa, meno DUE volt sul ponte (l'idea che un diodo faccia cadere sempre 0.7V e` sbagliata, dipende dal diodo e dall'applicazione) fanno 23V di tensione di ingresso di picco al regolatore. Poi bisogna valutare il ripple, che con 1A e il condensatore che hai scelto sono 3V, quindi il picco minimo all'ingresso e` di 20V. Avere una tensione piu` elevata del necessario fa dissipare inutilmente potenza. D'altra parte c'e` anche il problema che la rete potrebbe avere delle variazioni del 10% e i 20V possono diventare 18V, ok ci si sta ancora dentro.
Pero` la tensione MEDIA di ingresso e` di 21.5V circa (probabilmente piu` 22V), e la dissipazione va alle stelle.
Morale: per fare un alimentatore bisogna fare un alimentatore! Come minimo sarebbe necessario aggiungere una limitazione di corrente...
E per fare un progetto, ahime' non bisogna applicare le formulette, bisogna studiare un pochino.
Cosi` per mia curiosita`, che lavoro fai o cosa stai studiando?
Per usare proficuamente un simulatore, bisogna sapere molta più elettronica di lui
Plug it in - it works better!
Il 555 sta all'elettronica come Arduino all'informatica! (entrambi loro malgrado)
Se volete risposte rispondete a tutte le mie domande
Plug it in - it works better!
Il 555 sta all'elettronica come Arduino all'informatica! (entrambi loro malgrado)
Se volete risposte rispondete a tutte le mie domande
0
voti
Lavoro come impiegato e ho 26anni. Come scuola presi l'indirizzo elettronica e telecomunicazioni ma sono arrugginito da oramai ben 8anni di "astinenza".
Leggendo vedo che ho molte lacune... la materia mi piace e mi appassiona ed è questo che mi spinge a crearmi un mio piccolo laboratorio. Mi rendo conto però che vi sto solo facendo perdere del tempo e mi dispiace molto. Ho riaperto anche il mio vecchio libro di elettronica proprio alla voce "alimentatori variabili stabilizzati" ma mi accorgo che non basta. Mi sapresti indicare delle letture per riacquistare alcune nozioni che ho perso?
Grazie mille e scusate ancora.
Leggendo vedo che ho molte lacune... la materia mi piace e mi appassiona ed è questo che mi spinge a crearmi un mio piccolo laboratorio. Mi rendo conto però che vi sto solo facendo perdere del tempo e mi dispiace molto. Ho riaperto anche il mio vecchio libro di elettronica proprio alla voce "alimentatori variabili stabilizzati" ma mi accorgo che non basta. Mi sapresti indicare delle letture per riacquistare alcune nozioni che ho perso?
Grazie mille e scusate ancora.
2
voti
La richiesta del tuo lavoro era per vedere se potevo farti un esempio nel tuo campo che ti mostrasse quello che stai cercando di fare nell'elettronica.
Non stai facendo perdere tempo a noi, lo stai perdendo tu perche' metti insieme delle cose dimenticandone di intermedie. Ad esempio dici che prendi un trasfo da 18V cosi` con la caduta sul ponte (1.4V, non vero per in questo caso) e sul regolatore (3V) hai comunque i 12V in uscita. Ma stai dimenticando che la tensione di secondario e` un valore efficace, mentre il condensatore dopo il ponte si carica sul picco.
Poi dovresti aver studiato che il condensatore dopo il ponte riceve la carica per un breve intervallo di tempo quando la tensione di secondario arriva al picco, poi per quasi mezzo periodo si scarica e quindi hai una tensione che parte dal valore di picco ma poi scende. Il valore minimo sul condensatore deve ancora essere almeno 3V oltre la massima tensione di uscita...
E dovrebbe esserti chiaro che se hai un circuito che in caso di cortocircuito del carico puo` dare per brevi periodi correnti dalle parti di 3A per poi stabilizzarsi a valori piu` bassi, potrebbe essere non essere un circuito adatto alla sperimentazione.
Se fai a meno della limitazione di corrente di picco, puoi mettere tutto come se volessi un ampere e oltre, ma non devi aspettarti piu` di mezzo ampere (o anche meno) perche' probabilmente il regolatore va in protezione termica. MA, e c'e` sempre un MA, in transitorio puo` fornire due o tre ampere che possono fare danni.
Se vuoi qualcosa di un po' meglio, e` opportuno cercare un circuito che limiti la corrente a valori piu` bassi e magari anche variabili, ma e` una complicazione i n piu` perche' devi mettere come minimo un interruttore per commutare ad esempio fra corrente max 100mA oppure 500mA o qualcosa del genere. E rimane sempre un accrocchio, ma almeno a corrente limitata.
Avevo visto dei libri di elettronica per istituti tecnici che non erano tanto male, ma bisogna riguardare parecchi capitoli: probabilmente oltre che gli alimentatori, anche il funzionamento dei raddrizzatori e i valori delle tensioni alternate (picco, efficace...)
Non stai facendo perdere tempo a noi, lo stai perdendo tu perche' metti insieme delle cose dimenticandone di intermedie. Ad esempio dici che prendi un trasfo da 18V cosi` con la caduta sul ponte (1.4V, non vero per in questo caso) e sul regolatore (3V) hai comunque i 12V in uscita. Ma stai dimenticando che la tensione di secondario e` un valore efficace, mentre il condensatore dopo il ponte si carica sul picco.
Poi dovresti aver studiato che il condensatore dopo il ponte riceve la carica per un breve intervallo di tempo quando la tensione di secondario arriva al picco, poi per quasi mezzo periodo si scarica e quindi hai una tensione che parte dal valore di picco ma poi scende. Il valore minimo sul condensatore deve ancora essere almeno 3V oltre la massima tensione di uscita...
E dovrebbe esserti chiaro che se hai un circuito che in caso di cortocircuito del carico puo` dare per brevi periodi correnti dalle parti di 3A per poi stabilizzarsi a valori piu` bassi, potrebbe essere non essere un circuito adatto alla sperimentazione.
Se fai a meno della limitazione di corrente di picco, puoi mettere tutto come se volessi un ampere e oltre, ma non devi aspettarti piu` di mezzo ampere (o anche meno) perche' probabilmente il regolatore va in protezione termica. MA, e c'e` sempre un MA, in transitorio puo` fornire due o tre ampere che possono fare danni.
Se vuoi qualcosa di un po' meglio, e` opportuno cercare un circuito che limiti la corrente a valori piu` bassi e magari anche variabili, ma e` una complicazione i n piu` perche' devi mettere come minimo un interruttore per commutare ad esempio fra corrente max 100mA oppure 500mA o qualcosa del genere. E rimane sempre un accrocchio, ma almeno a corrente limitata.
Avevo visto dei libri di elettronica per istituti tecnici che non erano tanto male, ma bisogna riguardare parecchi capitoli: probabilmente oltre che gli alimentatori, anche il funzionamento dei raddrizzatori e i valori delle tensioni alternate (picco, efficace...)
Per usare proficuamente un simulatore, bisogna sapere molta più elettronica di lui
Plug it in - it works better!
Il 555 sta all'elettronica come Arduino all'informatica! (entrambi loro malgrado)
Se volete risposte rispondete a tutte le mie domande
Plug it in - it works better!
Il 555 sta all'elettronica come Arduino all'informatica! (entrambi loro malgrado)
Se volete risposte rispondete a tutte le mie domande
Chi c’è in linea
Visitano il forum: Nessuno e 106 ospiti

Elettrotecnica e non solo (admin)
Un gatto tra gli elettroni (IsidoroKZ)
Esperienza e simulazioni (g.schgor)
Moleskine di un idraulico (RenzoDF)
Il Blog di ElectroYou (webmaster)
Idee microcontrollate (TardoFreak)
PICcoli grandi PICMicro (Paolino)
Il blog elettrico di carloc (carloc)
DirtEYblooog (dirtydeeds)
Di tutto... un po' (jordan20)
AK47 (lillo)
Esperienze elettroniche (marco438)
Telecomunicazioni musicali (clavicordo)
Automazione ed Elettronica (gustavo)
Direttive per la sicurezza (ErnestoCappelletti)
EYnfo dall'Alaska (mir)
Apriamo il quadro! (attilio)
H7-25 (asdf)
Passione Elettrica (massimob)
Elettroni a spasso (guidob)
Bloguerra (guerra)



