Scusate ma io non riesco a capirle la "Ripple-Rejection".
Se il circuito è alimentato in corrente continua, come fanno a essere presenti "residui di alternata" ?
Forse si creano dalla modulazione della tensione di uscita?
Alimentatore da banco regolabile
Moderatori:
carloc,
g.schgor,
BrunoValente,
IsidoroKZ
0
voti
La ripple rejection si riferisce al caso comune di raddrizzatore+condensatore che alimenta il 317. Sul condensatore c'e` un ripple di tensione e la ripple rejection dice di quanto e` attenuato. Se alimenti il circuito con un alimentatore per portatile questo dato non serve.
Per usare proficuamente un simulatore, bisogna sapere molta più elettronica di lui
Plug it in - it works better!
Il 555 sta all'elettronica come Arduino all'informatica! (entrambi loro malgrado)
Se volete risposte rispondete a tutte le mie domande
Plug it in - it works better!
Il 555 sta all'elettronica come Arduino all'informatica! (entrambi loro malgrado)
Se volete risposte rispondete a tutte le mie domande
0
voti
Non serve citare tutto, sta appena qui sopra
Allora in cosa avrei sbagliato Isidoro? Convieni quindi con me che il condensatore Cadj in questo caso particolare potrebbe anche non servire?
perché mi stai dando 6?
Allora in cosa avrei sbagliato Isidoro? Convieni quindi con me che il condensatore Cadj in questo caso particolare potrebbe anche non servire?
perché mi stai dando 6?
Ultima modifica di
Sjuanez il 15 ott 2015, 10:00, modificato 1 volta in totale.
Motivazione: citazione inutile
Motivazione: citazione inutile
1
voti
Non ti sto dando 6, sto solo dicendo che non hai le conoscenze di fare un progetto per bene. RIprenditi i libri di elettrotecnica ed elettronica e ristudiali o ripassali, cover-to-cover.
Un conto e` fare un progetto fatto bene, un altro costruire un circuito che funzioni.
Non so che cosa hai sbagliato, dovrei capire che cosa stai facendo. Pero` vedo dei valori sbagliati. La resistenza del limitatore di corrente da 15 ohm come l'hai ottenuta? Ho visto 15/1 ma se non spieghi da dove arrivano quei numeri, non si puo` dire dove hai sbagliato.
Un conto e` fare un progetto fatto bene, un altro costruire un circuito che funzioni.
Non so che cosa hai sbagliato, dovrei capire che cosa stai facendo. Pero` vedo dei valori sbagliati. La resistenza del limitatore di corrente da 15 ohm come l'hai ottenuta? Ho visto 15/1 ma se non spieghi da dove arrivano quei numeri, non si puo` dire dove hai sbagliato.
Per usare proficuamente un simulatore, bisogna sapere molta più elettronica di lui
Plug it in - it works better!
Il 555 sta all'elettronica come Arduino all'informatica! (entrambi loro malgrado)
Se volete risposte rispondete a tutte le mie domande
Plug it in - it works better!
Il 555 sta all'elettronica come Arduino all'informatica! (entrambi loro malgrado)
Se volete risposte rispondete a tutte le mie domande
0
voti
Eh... e pure tu hai ragione....
Ho sbagliato il caolco poiché dovrei calcolare la Iout come il rapporto tra La Vout dell'IC (1.25V) e la R1).
Quindi volendo una corrente stabile su 800mA mi servira una R1 pari a 1,5 Ohm.
Ho sbagliato il caolco poiché dovrei calcolare la Iout come il rapporto tra La Vout dell'IC (1.25V) e la R1).
Quindi volendo una corrente stabile su 800mA mi servira una R1 pari a 1,5 Ohm.

0
voti
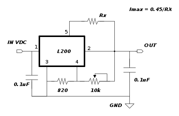
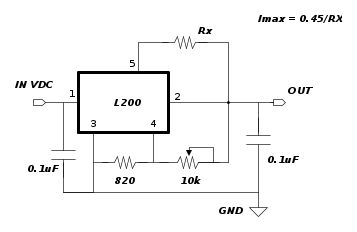
Scusami Marco ma come hai fatto a calcolare V ai capi di Rx?
Io leggo che
Iout(max) = (Vrx-2) / Rx
Vout = Vref (1+ R2/R1) = 37,60V ma se lo alimento a 19V e considerando 1V di caduta di tensione sull'IC riuscirebbe ad erogarmi fino a 18V... perché lo hai dimensionato così?
Certo altro discorso si avrebbe con un alimentazione di 25V in ingresso al regolatore la cui tensione massima di uscita rimarrebbe però 24 V. Questa configurazione, così come da te riportata, la vedo nel datasheet dell'L200. Forse tu me la hai riportata così comè solo per farmi notare la sua semplicità rispetto a due LM317?
0
voti
Mi pare che tu stia confondendo la tensione con la corrente.
Nel circuito di cui sopra,
(tensione massima d'uscita) e' determinata dalla resistenza da 820 ohm e dal potenziometro; la corrente, al contrario si limita mediante Rx.
Se, per esempio vuoi limitare a 500mA, farai
(valore commerciale resistore)=
(Imax).
Qui e' spiegato meglio.
Nel circuito di cui sopra,
(tensione massima d'uscita) e' determinata dalla resistenza da 820 ohm e dal potenziometro; la corrente, al contrario si limita mediante Rx.Se, per esempio vuoi limitare a 500mA, farai
(valore commerciale resistore)=
(Imax).Qui e' spiegato meglio.
marco
0
voti
Forse prima mi sono espresso male. Leggendo il tuo articolo ora mi è tutto molto chiaro.
Mi resta solo un dubbio.
Supponiamo io stia alimentato il circuito di cui sopra a 19V e 2A. Il valore massimo della corrente sarà 1.5A. Il valore massimo della tensione quale sarà? Insomma, a quanto può arrivare la caduta di tensione del L200?
Altra piccola domandina. Il circuito è possibile testarlo prima su di una Breadboard? Su internet si leggono di prove da 12V e 5A su breadboard senza alcun problema oppure di gente che raccomanda massimo 1A, fino a leggere di gente con circuiti da 24 V e 10A montati su breadboard... insomma, se ne leggono un po' di tutti i tipi. Voi cosa mi dite? (ovviamente parliamo di Breadboard commerciali)
Per i calcoli di cui sopra, ho considerato per Vref il valore di 2.77V che e' il valore tipico ma, quest'ultimo, puo' oscillare tra un minimo di 2.64 V ad un massimo di 2.85V cosi' come il valore 0.45 che rappresenta il Current limit sense voltage tra i pin 5 e 2 dell'integrato, puo' variare da un minimo di 0.38 ad un massimo di 0.52.
Mi resta solo un dubbio.
Supponiamo io stia alimentato il circuito di cui sopra a 19V e 2A. Il valore massimo della corrente sarà 1.5A. Il valore massimo della tensione quale sarà? Insomma, a quanto può arrivare la caduta di tensione del L200?
Altra piccola domandina. Il circuito è possibile testarlo prima su di una Breadboard? Su internet si leggono di prove da 12V e 5A su breadboard senza alcun problema oppure di gente che raccomanda massimo 1A, fino a leggere di gente con circuiti da 24 V e 10A montati su breadboard... insomma, se ne leggono un po' di tutti i tipi. Voi cosa mi dite? (ovviamente parliamo di Breadboard commerciali)
0
voti
Beh, la corrente massima di una breadboard deve essere riportata nelle specifiche.
Poi posso anche provare circuiti con correnti in gioco di decine di ampere, basta che su breadboard vada solo l'elettronica di controllo e non la parte di potenza.
Poi posso anche provare circuiti con correnti in gioco di decine di ampere, basta che su breadboard vada solo l'elettronica di controllo e non la parte di potenza.
-

FedericoSibona
5.022 3 5 8 - Master

- Messaggi: 3951
- Iscritto il: 19 mar 2013, 11:43
0
voti
Cadmir ha scritto:Mi resta solo un dubbio.
Supponiamo io stia alimentato il circuito di cui sopra a 19V e 2A. Il valore massimo della corrente sarà 1.5A. Il valore massimo della tensione quale sarà? Insomma, a quanto può arrivare la caduta di tensione del L200?
Devi stabilire se i 19V 2A provengono da un trasformatore o da un alimentatore; nel primo caso per effetto del ponte e del drop-out del regolatore potrai contare su di una tensione massima d'uscita di circa 21V ed una corrente massima di poco piu' di 1A, nel secondo - in cui si parte da una tensione gia' stabilizzata - la corrente dovrebbe rimanere pressoche ' invariata (2A) e la tensione massima scenderebbe a poco piu' di 16V.
Il drop-out del regolatore e' dichiarato da 2 a 2.5V a seconda dell'intensita' di corrente ed altri fattori (temperatura ecc.).
Per quanto attiene prove su bread-board, non sono consigliabili sia per le correnti in gioco (la maggior parte delle b/b e testata per un massimo di 500mA) sia per probabili falsi contatti dovuti a difettosi inserimenti dei componenti o della scarsa pulizia dei terminali degli stessi.
D'altra parte, vista la semplicita' del circuito, si fa piu' presto a montarla e saldare tutto su di una millefori che permette anche eventuali correzioni.
marco
Chi c’è in linea
Visitano il forum: Nessuno e 223 ospiti

Elettrotecnica e non solo (admin)
Un gatto tra gli elettroni (IsidoroKZ)
Esperienza e simulazioni (g.schgor)
Moleskine di un idraulico (RenzoDF)
Il Blog di ElectroYou (webmaster)
Idee microcontrollate (TardoFreak)
PICcoli grandi PICMicro (Paolino)
Il blog elettrico di carloc (carloc)
DirtEYblooog (dirtydeeds)
Di tutto... un po' (jordan20)
AK47 (lillo)
Esperienze elettroniche (marco438)
Telecomunicazioni musicali (clavicordo)
Automazione ed Elettronica (gustavo)
Direttive per la sicurezza (ErnestoCappelletti)
EYnfo dall'Alaska (mir)
Apriamo il quadro! (attilio)
H7-25 (asdf)
Passione Elettrica (massimob)
Elettroni a spasso (guidob)
Bloguerra (guerra)




