Switch con pmos
Moderatori:
carloc,
g.schgor,
BrunoValente,
IsidoroKZ
43 messaggi
• Pagina 2 di 5 • 1, 2, 3, 4, 5
0
voti
[11] Re: Switch con pmos
scusami ho sbagliato:misurando la variazione di tensione dovuta alla varizione di resistenza posso calcolare la temperatura.
0
voti
[13] Re: Switch con pmos
si, praticamente io so x esempio che che con 1A arrivo circa a 80 gradi e col regolatore fisso 1A e poi misuro la cauta per verificare la temperatura
0
voti
[14] Re: Switch con pmos
tim ha scritto:scusami ho sbagliato:misurando la variazione di tensione dovuta alla varizione di resistenza posso calcolare la temperatura.
Cosi` va meglio
Ora il problema e` un po' piu` chiaro, anche se non hai ancora risposto alla domanda su che cosa sai di elettronica.
Il problema di quel circuito e` che hai la misura di tensione riferita al negativo e il comando riferito al positivo. Comando riferito al positivo vuol dire che quando il segnale di comando e` a +3.3V non passa corrente, mentre minore e` la tensione di comando maggiore e` la corrente che scorre.
I due negativi potresti pensare che essendo collegati insieme siano allo stesso potenziale, ma i due positivi no, in quanto le due tensioni da 3.3V potrebbero essere a due valori diversi e il micro parla rispetto ai suoi 3.3V mentre il comando della resistenza ascolta rispetto i suoi 3.3V.
Anche i negativi collegati insieme non sono garanzia di equipotenzialita` perche' con le correnti elevate che passano su una parte del circuito hai possibili cadute di tensione che vanno a rovinare la misura.
Non hai specificato l'accuratezza con cui vuoi pilotare la corrente e leggere la tensione, ma direi che per avere qualcosa di decente servano due amplificatori da strumentazione, anche perche' la resistenza di sense non puo` sicuramente essere da 1ohm.
Sei in grado di fare (o farti fare) dei montaggi SMD con componenti come l'LTC6800, che e` il primo che mi e` venuto sotto il naso cercando un amplificatore da strumentazione?
Per usare proficuamente un simulatore, bisogna sapere molta più elettronica di lui
Plug it in - it works better!
Il 555 sta all'elettronica come Arduino all'informatica! (entrambi loro malgrado)
Se volete risposte rispondete a tutte le mie domande
Plug it in - it works better!
Il 555 sta all'elettronica come Arduino all'informatica! (entrambi loro malgrado)
Se volete risposte rispondete a tutte le mie domande
0
voti
[15] Re: Switch con pmos
per quanto riguarda i miei studi, ho delle basi sia in elettronica analogica che digitale, ho fatto diversi progetti di amplificatori, ho creato realizzato PCB ecc. Posso utilizzare SMD anche se per ora che sono nella fase di test vorrei usare dip. Per quanto riguarda la precisione dovrebbe essere nell oridne di decine di millivolt, non ne sono ancora totalemente certo, nel senso che l adc dovrebbe leggere la tensione e modificare l'uscita del dac per avere un certa caduta sul riscaldatore. Nel micro devo implementare un controllore PID che legga la caduta sul riscaldatore, la confronti con un riferimento e regoli il dac per minimizare l'errore.Per quanto riguarda i 3.3V potrei anche pensare di collegarli tutti allo stesso generatore, fin ora non l ho fatto per non avere problemi dovuti alla corrente alta.
1
voti
[16] Re: Switch con pmos
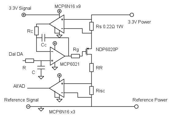
Ok, il circuito potrebbe essere questo. Non e` stato banale trovare tutti i componenti thru hole e alimentare il tutto a 3.3V. Il circuito di principio dovrebbe essere questo
Ho mantenuto la tua impostazione di amplificatore di transconduttanza, con le seguenti varianti. la resistenza di sense Rs e` solo da 0.22ohm perche' non ci si puo` permettere una caduta di tensione elevata in quanto tutta la tensione che cade su Rs poi non e`piu` disponibile per accendere il MOS.
Trovare un MOS che sia thru hole, si accenda con meno di 3V e faccia passare una quantita` discreta di corrente non e` stato semplice. Con Rs=0.22ohm e 1.5A si perdono 0.33V, dovrebbe farcela. La potenza dissipata dalla resistenza Rs e` di mezzo watt.
Il MOS e` un P, logic level in TO220. Viene garantito in zona resistiva con -2.7V di VGS, quindi dovremo starci. Il case, pur essendo grande, non ce la fa a dissipare tutta la potenza termica a piena corrente, per cui o metti un dissipatore sul transistore, oppure metti una resistenza RR (relief resistor) da 1ohm 3W (occhio che scotta!)
Bisogna dire che il sistema di riscaldamento e` molto inefficiente, perche' assorbe 4.5W dall'alimentazione ma usa solo poco piu` di 1W per scaldare quello che ti serve. I restanti 3.5W da qualche parte devono essere dissipati!
Sarebbe stato piu` elegante un controllo switching ad alta efficienza, ma anche cosi` funziona.
La resistenza di gate Rg ha dei pro e dei contro. Se l'operazionale che controlla il MOS e` permaloso con i carichi capacitivi, bisogna metterla, se invece l'operazionale non si incazza, va bene senza. Non ho controllato le caratteristiche dell'operazionale e il carico capacitivo dato dal MOS, ma ho la netta impressione che ci voglia. Tipicamente un centinaio di ohm dovrebbero andare bene, ma bisogna fare i conti del polo introdotto dalle capacita` del MOS e da Rg.
L'amplificatore da strumentazione collegato a Rs deve fornire un guadagno di 9 volte e il suo piedino REF deve essere collegato al negativo del segnale. In questo modo il sistema di sense si comporta come se fosse una resistenza da 0.22ohm x 9 =2ohm. Hai 3V di uscita quando scorre 1.5A, ma la parte di potenza non perde 3V. In questo modo il DA puo` andare da 0V a 3.3V e comanda una corrente che va da 0A a 1.65A: non c'e` piu` l'inversione e il riferimento al positivo di cui parlavo nel messaggio precedente, che invece ci sarebbero stato se non si fosse usato un ampli da strumentazione.
Ho usato un Microchip perche' hai dato l'impressione che ti piacesse quella marca e soprattutto perche' ci sono anche le versioni in thru hole!
I componenti Rc e Cc costituiscono la compensazione dello stadio. Il problema di questo stadio e` che la resistenza di uscita dell'operazionale con Rg e la capcita` di ingresso del MOS formano una funzione con un polo, messa sull'anello di retroazione e quindi la stabilita` va a farsi benedire. Con questo circuito invece l'anello viene chiuso ad alta frequenza direttamente all'uscita dell'operazionale, mentre la parte a bassa frequenza e in continua, quella che ti interessa, passa per Rg, MOS e Rs. Ma anche se va in ritardo di fase non importa perche' in alta frequenza domina l'altro percorso, quello con Cc.
I conti da farsi sono semplici, solo lunghi e noiosi, e visto che hai fatto analogica, li lascio da fare a te
. Mi pare ci fossero in dettaglio sul Dostal, operational amplifiers.
Il filtro RC serve solo per togliere eventuali rumori e spike all'ingresso del comando, ma piu` o meno sono come le fragole nella pozione magica di Panoramix: danno un buon sapore ma non sono indispensabili
.
La tensione ai capi del riscaldatore e` misurata dall'altro ampli da strumentazione MCP6N16, con un guadagno di 3 volte. La resistenza del riscaldatore a freddo e` di 0.45ohm, a caldo, supponendo un aumento di temperatura di 100°C, e` di 1.44ohm circa (sono andato a memoria, verifica il coeffciente termico e la massima tempeatura), e quindi alla massima corrente si hanno 0.97V, che moltiplicati per 3 vengono agevolmente letti dall'AD.
Anche questo amplificatore deve avere il suo REF riferito allo 0V della parte analogica.
Nello schema non ci sono le resistenze dei due ampli da strumentazione, ma quelle puoi calcolarle facilmente, ho gia` indicato i guadagni necessari.
Non ho fatto i conti degli errori vari, ma se hai un micro puoi escogitare facilmente una procedura di taratura lineare che richiede due punti di misura.
Infine le due alimentazioni da 3.3V devono essere precise fra di loro entro 0.2V, altrimenti il sense di corrente si arrabbia, si esce dal suo range di modo comune.
Ho l'impressione di aver dimenticato qualcosa, ma ora non mi viene in mente e devo scappare a una cena di laurea. Finalmente ce l'ho fatta! EVVIVA!
Ho mantenuto la tua impostazione di amplificatore di transconduttanza, con le seguenti varianti. la resistenza di sense Rs e` solo da 0.22ohm perche' non ci si puo` permettere una caduta di tensione elevata in quanto tutta la tensione che cade su Rs poi non e`piu` disponibile per accendere il MOS.
Trovare un MOS che sia thru hole, si accenda con meno di 3V e faccia passare una quantita` discreta di corrente non e` stato semplice. Con Rs=0.22ohm e 1.5A si perdono 0.33V, dovrebbe farcela. La potenza dissipata dalla resistenza Rs e` di mezzo watt.
Il MOS e` un P, logic level in TO220. Viene garantito in zona resistiva con -2.7V di VGS, quindi dovremo starci. Il case, pur essendo grande, non ce la fa a dissipare tutta la potenza termica a piena corrente, per cui o metti un dissipatore sul transistore, oppure metti una resistenza RR (relief resistor) da 1ohm 3W (occhio che scotta!)
Bisogna dire che il sistema di riscaldamento e` molto inefficiente, perche' assorbe 4.5W dall'alimentazione ma usa solo poco piu` di 1W per scaldare quello che ti serve. I restanti 3.5W da qualche parte devono essere dissipati!
Sarebbe stato piu` elegante un controllo switching ad alta efficienza, ma anche cosi` funziona.
La resistenza di gate Rg ha dei pro e dei contro. Se l'operazionale che controlla il MOS e` permaloso con i carichi capacitivi, bisogna metterla, se invece l'operazionale non si incazza, va bene senza. Non ho controllato le caratteristiche dell'operazionale e il carico capacitivo dato dal MOS, ma ho la netta impressione che ci voglia. Tipicamente un centinaio di ohm dovrebbero andare bene, ma bisogna fare i conti del polo introdotto dalle capacita` del MOS e da Rg.
L'amplificatore da strumentazione collegato a Rs deve fornire un guadagno di 9 volte e il suo piedino REF deve essere collegato al negativo del segnale. In questo modo il sistema di sense si comporta come se fosse una resistenza da 0.22ohm x 9 =2ohm. Hai 3V di uscita quando scorre 1.5A, ma la parte di potenza non perde 3V. In questo modo il DA puo` andare da 0V a 3.3V e comanda una corrente che va da 0A a 1.65A: non c'e` piu` l'inversione e il riferimento al positivo di cui parlavo nel messaggio precedente, che invece ci sarebbero stato se non si fosse usato un ampli da strumentazione.
Ho usato un Microchip perche' hai dato l'impressione che ti piacesse quella marca e soprattutto perche' ci sono anche le versioni in thru hole!
I componenti Rc e Cc costituiscono la compensazione dello stadio. Il problema di questo stadio e` che la resistenza di uscita dell'operazionale con Rg e la capcita` di ingresso del MOS formano una funzione con un polo, messa sull'anello di retroazione e quindi la stabilita` va a farsi benedire. Con questo circuito invece l'anello viene chiuso ad alta frequenza direttamente all'uscita dell'operazionale, mentre la parte a bassa frequenza e in continua, quella che ti interessa, passa per Rg, MOS e Rs. Ma anche se va in ritardo di fase non importa perche' in alta frequenza domina l'altro percorso, quello con Cc.
I conti da farsi sono semplici, solo lunghi e noiosi, e visto che hai fatto analogica, li lascio da fare a te
Il filtro RC serve solo per togliere eventuali rumori e spike all'ingresso del comando, ma piu` o meno sono come le fragole nella pozione magica di Panoramix: danno un buon sapore ma non sono indispensabili
La tensione ai capi del riscaldatore e` misurata dall'altro ampli da strumentazione MCP6N16, con un guadagno di 3 volte. La resistenza del riscaldatore a freddo e` di 0.45ohm, a caldo, supponendo un aumento di temperatura di 100°C, e` di 1.44ohm circa (sono andato a memoria, verifica il coeffciente termico e la massima tempeatura), e quindi alla massima corrente si hanno 0.97V, che moltiplicati per 3 vengono agevolmente letti dall'AD.
Anche questo amplificatore deve avere il suo REF riferito allo 0V della parte analogica.
Nello schema non ci sono le resistenze dei due ampli da strumentazione, ma quelle puoi calcolarle facilmente, ho gia` indicato i guadagni necessari.
Non ho fatto i conti degli errori vari, ma se hai un micro puoi escogitare facilmente una procedura di taratura lineare che richiede due punti di misura.
Infine le due alimentazioni da 3.3V devono essere precise fra di loro entro 0.2V, altrimenti il sense di corrente si arrabbia, si esce dal suo range di modo comune.
Ho l'impressione di aver dimenticato qualcosa, ma ora non mi viene in mente e devo scappare a una cena di laurea. Finalmente ce l'ho fatta! EVVIVA!
Per usare proficuamente un simulatore, bisogna sapere molta più elettronica di lui
Plug it in - it works better!
Il 555 sta all'elettronica come Arduino all'informatica! (entrambi loro malgrado)
Se volete risposte rispondete a tutte le mie domande
Plug it in - it works better!
Il 555 sta all'elettronica come Arduino all'informatica! (entrambi loro malgrado)
Se volete risposte rispondete a tutte le mie domande
0
voti
[17] Re: Switch con pmos
Per controllo switching intendi per esempio un PWM? se si, ci avevo pensato ma il mio prof mi ha detto di non usarlo percè questo riscaldatore successivamente verrà utilizzato con un elettrodo per monitorare l'attività elettrica di nervi e materiale biologico diverso, quindi un PWM può creare diversi problemi in termini di rumore in un circuito nel quale si sta andando ad analizzare valori di tensione nell ordine dei micro volt.
Per quanto riguarda l amplificatore in basso collegato al ADC, nel progetto iniziale l avevo incluso ma l'ho successivamente eliminato perché abbiamo stabilito che i 16 bit dell ADC garantiscono una precisione sufficiente.
Potresti spiegarmi come funziona la relif resistance? non limita la corrente e come contribuisce a raffreddare il pmos.
Per il resto grazie mille, sei stato esaustivo e comprensibilissimo e gentile.
Per quanto riguarda l amplificatore in basso collegato al ADC, nel progetto iniziale l avevo incluso ma l'ho successivamente eliminato perché abbiamo stabilito che i 16 bit dell ADC garantiscono una precisione sufficiente.
Potresti spiegarmi come funziona la relif resistance? non limita la corrente e come contribuisce a raffreddare il pmos.
Per il resto grazie mille, sei stato esaustivo e comprensibilissimo e gentile.
1
voti
[18] Re: Switch con pmos
tim ha scritto:..Potresti spiegarmi come funziona la relif resistance? non limita la corrente e come contribuisce a raffreddare il pmos.
Provo io a dirti qualcosa: Il mosfet, per sua natura, ma anche e direi sopratturro per la presenza della controreazione del circuito dove è inserito, esce dal drain come sorgente di corrente. Vuol dire che la corrente al carico non dipende dal valore di RR e che quindi la tensione che cade su RR si sottrae pari pari a quella che cadrebbe tra source e drain se RR non vi fosse.
Ne risulta che la potenza dissipata sulla serie mosfet-RR è indipendente dal valore di RR e si sfrutta questo per ridurre quella dissipata sul mosfet scegliendo per RR un valore più alto possibile, facendo però attenzione a non esagerare, altrimenti per alti valori di corrente il mosfet arriverebbe a chiudersi e la regolazione cesserebbe.
-

BrunoValente
39,6k 7 11 13 - G.Master EY

- Messaggi: 7796
- Iscritto il: 8 mag 2007, 14:48
0
voti
[19] Re: Switch con pmos
tim ha scritto:
Per quanto riguarda l amplificatore in basso collegato al ADC, nel progetto iniziale l avevo incluso ma l'ho successivamente eliminato perché abbiamo stabilito che i 16 bit dell ADC garantiscono una precisione sufficiente.
L'amplificatore della tensione sul carico serve a fare una misura di tensione che non risenta delle cadute di tensione delle resistenze dei collegamenti e dei contatti. Si fa in pratica una misura a 4 fili. Se poi aggiusta anche la dinamica, tanto meglio.
Dovreste aumentare la resistenza del riscaldatore a pari potenza riscaldante, in questo modo il circuito lavorerebbe meglio e il MOS scalderebbe di meno.
Per usare proficuamente un simulatore, bisogna sapere molta più elettronica di lui
Plug it in - it works better!
Il 555 sta all'elettronica come Arduino all'informatica! (entrambi loro malgrado)
Se volete risposte rispondete a tutte le mie domande
Plug it in - it works better!
Il 555 sta all'elettronica come Arduino all'informatica! (entrambi loro malgrado)
Se volete risposte rispondete a tutte le mie domande
1
voti
[20] Re: Switch con pmos
Ok perfetto, acquisto un paio i componenti che mi hai suggerito e testo un po' il tutto. Grazie mille per l'aiuto
43 messaggi
• Pagina 2 di 5 • 1, 2, 3, 4, 5
Chi c’è in linea
Visitano il forum: Nessuno e 133 ospiti

Elettrotecnica e non solo (admin)
Un gatto tra gli elettroni (IsidoroKZ)
Esperienza e simulazioni (g.schgor)
Moleskine di un idraulico (RenzoDF)
Il Blog di ElectroYou (webmaster)
Idee microcontrollate (TardoFreak)
PICcoli grandi PICMicro (Paolino)
Il blog elettrico di carloc (carloc)
DirtEYblooog (dirtydeeds)
Di tutto... un po' (jordan20)
AK47 (lillo)
Esperienze elettroniche (marco438)
Telecomunicazioni musicali (clavicordo)
Automazione ed Elettronica (gustavo)
Direttive per la sicurezza (ErnestoCappelletti)
EYnfo dall'Alaska (mir)
Apriamo il quadro! (attilio)
H7-25 (asdf)
Passione Elettrica (massimob)
Elettroni a spasso (guidob)
Bloguerra (guerra)




