Cos'è ElectroYou | Login Iscriviti

ElectroYou - la comunità dei professionisti del mondo elettrico

Alimentatore da banco regolabile

Elettronica lineare e digitale: didattica ed applicazioni

Moderatori: Foto Utentecarloc, Foto Utenteg.schgor, Foto UtenteBrunoValente, Foto UtenteIsidoroKZ

0
voti

[201] Re: Alimentatore da banco regolabile

Messaggioda Foto UtenteCadmir » 19 ott 2015, 18:57

Ok ma quindi la mia formula è corretta? Mi sembra di capire di si e che, semplicemente, quel IC, anche con dissipatore, non sarebbe comunque in grado di reggere una dissipazione di 35W, giusto?
Guarda, io penso che alla minima tensione non mi sognerei mai di erogare 2A anche perché non avrebbe proprio alcun senso...
Grazie Foto UtenteIlGuru per avermi dato una mano sulla formula.
A questo punto vado a pensare... e se, in ingresso, applicassi una resistenza tale da abbassare la tensione da 18 a 14V con una corrente di ingresso a 2.5A (18-14 / 2.5 = 1,6Ohm 10W, potrei usare 2 resistenze da 5W in serie) avrei una potenza massima dissipabile (in caso distrazione) di 24W ( 14 - 2 = 12 * 2A = 24W)
Con una Ta = 60°C e Tj = 125°C (vogliamo tenerci tranquilli) avremmo comunnque un valore negativo... ma allora, mi chiedo io... ma come si fa a pubblicare simili circuiti?

http://www.gtronic.it/energiaingioco/it ... i_ita.html
Avatar utente
Foto UtenteCadmir
60 1 7
Frequentatore
Frequentatore
 
Messaggi: 195
Iscritto il: 12 ago 2010, 10:57

1
voti

[202] Re: Alimentatore da banco regolabile

Messaggioda Foto UtenteCadmir » 19 ott 2015, 19:26

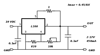
Comunque... oggi pomeriggio ci ho pensato un po' e ho deciso di realizzare questo circuito rendendolo capace di erogare 450mA. Ho quindi rieseguito uno schema dello stesso:



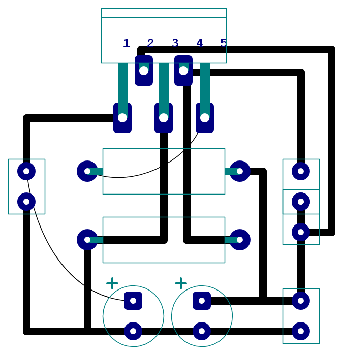
E una prima bozza di PCB (i due fili curvi sonbo fili con guaina in PVC... devo cercare di trovare un ordine per eliminarli)

Avatar utente
Foto UtenteCadmir
60 1 7
Frequentatore
Frequentatore
 
Messaggi: 195
Iscritto il: 12 ago 2010, 10:57

0
voti

[203] Re: Alimentatore da banco regolabile

Messaggioda Foto UtenteIlGuru » 19 ott 2015, 19:49

Cadmir ha scritto:oggi pomeriggio ci ho pensato un po' e ho deciso di realizzare questo circuito rendendolo capace di erogare 450mA.

Saggia decisione.
Con questi parametri, nella peggiore delle ipotesi dovrà erogare
(19-2) \times 0.45 = 7.65W

Ipotizzando una temperatura massima di giunzione di 110*C ed una temperatura ambiente di 25*C otteniamo una resistenza termica totale massima di:
\frac{110 - 25}{7.65}=11.11\ \text{*}C/W

Se non hai ancora comprato il regolatore, a questo punto puoi anche cercarlo con case TO-3 che secondo datasheet ha resistenza termica di 4*C/W

Così la resistenza termica del dissipatore dovrà essere massimo di 11.11 - 4 - 1.2 = 5.91*C/W

Dissipatori così penso che se ne trovino di più e con costi più contenuti.
\Gamma\nu\tilde{\omega}\theta\i\ \sigma\epsilon\alpha\upsilon\tau\acute{o}\nu
Avatar utente
Foto UtenteIlGuru
5.482 2 10 13
G.Master EY
G.Master EY
 
Messaggi: 1924
Iscritto il: 31 lug 2015, 23:32

0
voti

[204] Re: Alimentatore da banco regolabile

Messaggioda Foto Utentegotthard » 19 ott 2015, 20:39

Per la cronaca:

in \LaTeX, è possibile ottenere il pallino per l' indicazione dei gradi scrivendo "\circ" come argomento del simbolo di esponente, e cioè:

Codice: Seleziona tutto
^{\circ}C


anteprima: ^{\circ}C

Poi, ad essere precisi, essendo un' unità di misura non andrebbe in corsivo, ma in carattere tondo:

Codice: Seleziona tutto
^{\circ}\text{C}


anteprima: ^{\circ}\text{C}
...\frac{\mathrm{d} p}{\mathrm{d} t}=JCM... :!:
Avatar utente
Foto Utentegotthard
4.611 2 5 9
Expert EY
Expert EY
 
Messaggi: 1357
Iscritto il: 5 lug 2013, 14:01

0
voti

[205] Re: Alimentatore da banco regolabile

Messaggioda Foto UtenteCadmir » 19 ott 2015, 20:58

Nel frattempo ho sistemato il circuito...



Una cosa che non ho capito. Per saldare insieme due componenti, posso usare lo stagno saldando solamente le due estremità? :roll:
Avatar utente
Foto UtenteCadmir
60 1 7
Frequentatore
Frequentatore
 
Messaggi: 195
Iscritto il: 12 ago 2010, 10:57

2
voti

[206] Re: Alimentatore da banco regolabile

Messaggioda Foto Utenteboiler » 19 ott 2015, 21:00

Guarda che un piedino dell'elettrolitico di destra finisce nel nulla.

Boiler
Avatar utente
Foto Utenteboiler
26,4k 5 9 13
G.Master EY
G.Master EY
 
Messaggi: 5602
Iscritto il: 9 nov 2011, 12:27

0
voti

[207] Re: Alimentatore da banco regolabile

Messaggioda Foto UtenteFedericoSibona » 19 ott 2015, 21:01

Ma, per quelle potenze, si possono anche mettere il ponte ed il condensatore di livellamento sul circuito stampato.
Avatar utente
Foto UtenteFedericoSibona
5.022 3 5 8
Master
Master
 
Messaggi: 3951
Iscritto il: 19 mar 2013, 11:43

0
voti

[208] Re: Alimentatore da banco regolabile

Messaggioda Foto UtenteCadmir » 19 ott 2015, 21:03

Foto Utenteboiler: si hai ragione ho spostato il condensatore in basso e mi sono scordato di abbassare anche la pista.



Foto UtenteFedericoSibona: No no l'alimentazione mi viene esterna da un alimentatore per notebook :ok:

Per la saldatura che materiale posso usare per la giunzione di due componenti?
Avatar utente
Foto UtenteCadmir
60 1 7
Frequentatore
Frequentatore
 
Messaggi: 195
Iscritto il: 12 ago 2010, 10:57

0
voti

[209] Re: Alimentatore da banco regolabile

Messaggioda Foto UtenteFedericoSibona » 19 ott 2015, 21:07

boiler ha scritto:Guarda che un piedino dell'elettrolitico di destra finisce nel nulla.

Ed inoltre non sono neppure elettrolitici ;-)
Avatar utente
Foto UtenteFedericoSibona
5.022 3 5 8
Master
Master
 
Messaggi: 3951
Iscritto il: 19 mar 2013, 11:43

0
voti

[210] Re: Alimentatore da banco regolabile

Messaggioda Foto UtenteCadmir » 19 ott 2015, 21:10

Li ho scelti elettrolitici poiché mi ritrovavo meglio nel disegnarfli. Posseggo anche quelli non elettrolitici da 0.1uF. Il collegamento non varia
Avatar utente
Foto UtenteCadmir
60 1 7
Frequentatore
Frequentatore
 
Messaggi: 195
Iscritto il: 12 ago 2010, 10:57

PrecedenteProssimo

Torna a Elettronica generale

Chi c’è in linea

Visitano il forum: Nessuno e 182 ospiti