Salve,
Dovrei programmare l’accensione e lo spegnimento di due plafoniere che ho sul terrazzo di casa. Visto che nel quadro elettrico ho un timer digitale della Vemer installato anni fa per la pompa di ricircolo dell’acqua calda che però non è mai stata installata, pensavo di utilizzarlo per l’illuminazione esterna.
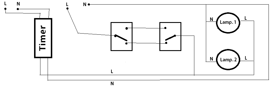
Vorrei mettere in parallelo le due line elettriche, Timer e interruttori, ma in questo modo manderei la corrente indietro nel timer qualora accendessi le luci da uno dei due deviatori ed ho paura che si danneggi. Secondo voi succede qualcosa? E che ne pensate dei collegamenti, sono folli o possono andare?
Vi metto un disegno di come vorrei realizzare l’impianto, premetto che non ricordo il funzionamento del timer quindi non ricordo se chiude solo la fase o entrambe.
Vi ringrazio per l'attenzione,
Saluti,
Fabio
Accensione luci con timer e interruttori
Moderatori:
sebago,
MASSIMO-G,
lillo,
Mike
29 messaggi
• Pagina 1 di 3 • 1, 2, 3
0
voti
0
voti
in poche parole vorresti mettere un timer x accendere 2 plafoniere in parallelo con 2 deviatori? quanto devono stare accese le luci? dovresti prendere un relè temporizzato con 2 pulsanti e fai quello che vuoi tu, con un timer in parallelo a 2 deviatori non ha senso perché i deviatori alimenterebbero e toglierebbero corrente al Timer e sballeresti tutti gli orari impostati...
0
voti
Fabioone ha scritto:Secondo voi succede qualcosa?
no se fai attenzione a rispettare le polarità
anche se il timer non ha un contatto pulito non succede nulla ad alimentarlo "al contrario"
Fabioone ha scritto:E che ne pensate dei collegamenti, sono folli o possono andare?
il collegamento va bene ma non serve collegare anche il neutro in uscita al timer, se segui il tuo disegno vedi che non ha alcuna funzione
Ognuno sta solo sul cuor della terra
trafitto da un raggio di sole:
ed è subito sera
Salvatore Quasimodo
trafitto da un raggio di sole:
ed è subito sera
Salvatore Quasimodo
0
voti
manu887 ha scritto:dovresti prendere un relè temporizzato con 2 pulsanti e fai quello che vuoi tu
Ciao manu, non voglio temporizzare le luci, voglio poterle accendere dai due deviatori come gia faccio ed in piu programmare l'accensione e spegnimento ad orari diversi la notte (per i ladri!!!
Attilio ha scritto:il collegamento va bene ma non serve collegare anche il neutro in uscita al timer, se segui il tuo disegno vedi che non ha alcuna funzione
E' vero
Vi ringrazio per l'aiuto :)
0
voti
Ne approfitto per farvi un'altra domanda, questo è il timer:
Il manuale dice:
Giornaliero monostabile (1 canale): 16(3)A
Giornaliero bistabile (1 canale): 5(1)A
Che vuol dire?
6 e 8 relè monostabile e 6,7 bistabile?
- Nel mio caso, due semplici lampade da 100W a tungsteno, vado tranquillo con il bistabile?
- 5(1)A vuol dire ampere max e min?
Ops, sono diventate tante domande ^^
Grazie ancora,
Fabio
Il manuale dice:
Giornaliero monostabile (1 canale): 16(3)A
Giornaliero bistabile (1 canale): 5(1)A
Che vuol dire?
- Nel mio caso, due semplici lampade da 100W a tungsteno, vado tranquillo con il bistabile?
- 5(1)A vuol dire ampere max e min?
Ops, sono diventate tante domande ^^
Grazie ancora,
Fabio
0
voti
quel timer comanda un contatto pulito in scambio (ma su quale dei tre morsetti volevi collegare il neutro in uscita?
)
attraverso la programmazione, puoi scegliere se fare funzionare il relè come monostabile (un impulso e ritorno alla condizione iniziale) o come bistabile (commutazione dei contatti permanente durante l'impostazione ON del timer)
è chiaro che a te interessa la modalità bistabile
attraverso la programmazione, puoi scegliere se fare funzionare il relè come monostabile (un impulso e ritorno alla condizione iniziale) o come bistabile (commutazione dei contatti permanente durante l'impostazione ON del timer)
è chiaro che a te interessa la modalità bistabile
Ognuno sta solo sul cuor della terra
trafitto da un raggio di sole:
ed è subito sera
Salvatore Quasimodo
trafitto da un raggio di sole:
ed è subito sera
Salvatore Quasimodo
0
voti
Attilio ha scritto:quel timer comanda un contatto pulito in scambio (ma su quale dei tre morsetti volevi collegare il neutro in uscita?)
ehii l'avevo detto che non ricordavo il funzionamento
Attilio ha scritto:attraverso la programmazione, puoi scegliere se fare funzionare il relè come monostabile (un impulso e ritorno alla condizione iniziale) o come bistabile (commutazione dei contatti permanente durante l'impostazione ON del timer)
Ok ho fatto un po' di confusione, dunque il modello ha tutte e due le funzioni ma non mi è chiara una cosa. Posso impostare un orario di accensione ed uno di spegnimento e fin qui tutto chiaro. Poi volendo se imposto l'orario di spegnimento uguale a quello di accensione, posso inserire un ritardo nello spegnimento da 1 a 59 secondi, ma questo viene gestito elettronicamente, quindi il relè è lo stesso. A questo punto non capisco perché il manuale mi parla di bistabile e mi da uno schema di collegamento differente (vedi sopra) :

0
voti
No assolutamente, quando sono accese dal timer non mi interessa poterle spegnere dagli interruttori.
0
voti
Appena mi collego dal PC ti faccio uno schema, a mio parere potresti collegare 1-2 fase e neutro, 6 la fase che entra al deviatore, 7 la fase che usi x alimentare 1-2 ...8 il ritorno lampada che colleghi anche all uscita dell altro deviatore E il neutro delle lampade direttamente al neutro di rete
29 messaggi
• Pagina 1 di 3 • 1, 2, 3
Torna a Impianti, sicurezza e quadristica
Chi c’è in linea
Visitano il forum: Nessuno e 66 ospiti

Elettrotecnica e non solo (admin)
Un gatto tra gli elettroni (IsidoroKZ)
Esperienza e simulazioni (g.schgor)
Moleskine di un idraulico (RenzoDF)
Il Blog di ElectroYou (webmaster)
Idee microcontrollate (TardoFreak)
PICcoli grandi PICMicro (Paolino)
Il blog elettrico di carloc (carloc)
DirtEYblooog (dirtydeeds)
Di tutto... un po' (jordan20)
AK47 (lillo)
Esperienze elettroniche (marco438)
Telecomunicazioni musicali (clavicordo)
Automazione ed Elettronica (gustavo)
Direttive per la sicurezza (ErnestoCappelletti)
EYnfo dall'Alaska (mir)
Apriamo il quadro! (attilio)
H7-25 (asdf)
Passione Elettrica (massimob)
Elettroni a spasso (guidob)
Bloguerra (guerra)


