My bad, mi sono fatto prendere dalla fretta (e non trovo il tasto edit).
Vediamo di chiarire il discorso ripartendo da zero.
In principio fú questo circuito: dove ora sorge un vuoto c'era un condensatore che a regime é equivalente ad un corto (in DC ovviamente). La tensione ai capi di taglio é esattamente 60, quella del generatore alla destra e bon.
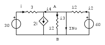
Chiudendo l' interruttore mi ritrovo
e quindi mi adopero a calcolare l' equivalente di Thevenin (o Helmoltz

), iniziando dalla tensione a vuoto, ovvero la ddp sulla resistenza.
La polaritá sulla resistenza di sx é data, con l' anodo a sx, mentre per la resistenza centrale ho preso la stessa polaritá del condensatore, con l' anodo in sú.

Con risultato (inatteso) di

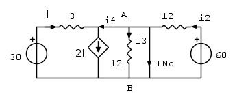
. Volendo verificare il risultato, sapendo che applicando un generatore di corrente

e calcolando la tensione ai capi é possibile ricavare sia la Vth che la Rth in un solo colpo (con notevole risparmio di energie a volte), ho applicato questo secondo ragionamento al circuito.

Portando ad un risultato di

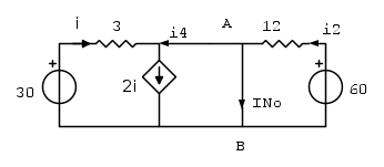
e

(circuito RLC instabile). Altro risultato, nuovi problemi.
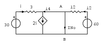
Cercando conforto almeno nel calcolo della

alla "maniera classica", passivando i generatori di tensione e mettendo il solito generatore fittizio ai capi di taglio, mi accorgo che quest' ultimo é in serie con tutti i resistori, portandomi alla precoce perdita di capelli e a molti dubbi riguardo l' elettrotecnica.
Spero di essere stato piú rigoroso ed esaustivo in questo messaggio
