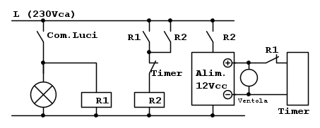
Per poter spegnere anche l'alimentatore a 12Vcc
trascorso il tempo stabilito dopo lo spegnimento delle luci,
occorrono 2 relè in alternata (R2 ed R2, a 230Vca con 2 contatti di scambio)
Questo è lo schema generale. Per alimentare il timer
e la ventola consiglio un vero alimentatore (non un accrocchio
collegato direttamente alla rete)
Attivazione temporizzazione dopo spegnimento luci
Moderatori:
carloc,
g.schgor,
BrunoValente,
IsidoroKZ
17 messaggi
• Pagina 2 di 2 • 1, 2
0
voti
Purtroppo non ho spazio per metterci un vero e proprio alimentatore.
Ma comunque il circuito resterebbe inaccessibile a mani inesperte.
Lo schema generale che mi ha fornito è interessante.. provo ad adattarlo meglio alle mie esigenze.
Grazie.
Ma comunque il circuito resterebbe inaccessibile a mani inesperte.
Lo schema generale che mi ha fornito è interessante.. provo ad adattarlo meglio alle mie esigenze.
Grazie.
-

machopicho
16 7 - Frequentatore

- Messaggi: 114
- Iscritto il: 11 feb 2013, 19:29
-2
voti
Dunque, sequendo le sue indicazioni sig. Schor ho disegnato il circuito nella seguente maniera:

Ho letto in giro il comportamento del CD4060 e mi sembra di aver capito che, trascorso il tempo di conteggio, manda alto il piedino 3; pertanto, ho pensato di collegarlo al relè in quella maniera, in modo da disattivarlo una volta che arriva la tensione dall'integrato.
Le chiedo ora: ho fatto una bestialata
oppure può funzionare senza problemi?
Grazie.

Ho letto in giro il comportamento del CD4060 e mi sembra di aver capito che, trascorso il tempo di conteggio, manda alto il piedino 3; pertanto, ho pensato di collegarlo al relè in quella maniera, in modo da disattivarlo una volta che arriva la tensione dall'integrato.
Le chiedo ora: ho fatto una bestialata
Grazie.
-

machopicho
16 7 - Frequentatore

- Messaggi: 114
- Iscritto il: 11 feb 2013, 19:29
0
voti
Spendi meno comperandoti una ventola temporizzata, ma se vuoi giocare, allora lo schema che hai fatto è da gettare. Tutti gli integrati, dei vari tipi, hanno delle caratteristiche di ingresso ed uscita che vanno rispettate.
Il timer ritardato alla diseccitazione che intendi realizzare se avesse due contatti si può anche disalimentare da solo. Realizza un timer funzionante a due contatti, ritardato alla diseccitazione, poi si tratterà di lavorare sui collegamenti. Se usi un relè a basso assorbimento puoi farlo anche transformerless.
Il timer ritardato alla diseccitazione che intendi realizzare se avesse due contatti si può anche disalimentare da solo. Realizza un timer funzionante a due contatti, ritardato alla diseccitazione, poi si tratterà di lavorare sui collegamenti. Se usi un relè a basso assorbimento puoi farlo anche transformerless.
-

Candy
32,5k 7 10 13 - CRU - Account cancellato su Richiesta utente
- Messaggi: 10123
- Iscritto il: 14 giu 2010, 22:54
0
voti
No, non puoi comandare il relè2 con l'uscita dell'integrato.
Se proprio vuoi risparmiare il relè del temporizzatore
devi metterci un transistor al posto della R4 (vedi schema del timer).
Ma poi devi metterci un altro transistor per invertire il segnale....
Ed infine come escludi l'alimentazione a 12Vcc?
Attenzione a questa che per alimentare il 4060 deve essere abbastanza
stabile e senza ripple apprezzabile. (forse sarebbe meglio
alimentarlo con uno Zener da 9V)n
Se proprio vuoi risparmiare il relè del temporizzatore
devi metterci un transistor al posto della R4 (vedi schema del timer).
Ma poi devi metterci un altro transistor per invertire il segnale....
Ed infine come escludi l'alimentazione a 12Vcc?
Attenzione a questa che per alimentare il 4060 deve essere abbastanza
stabile e senza ripple apprezzabile. (forse sarebbe meglio
alimentarlo con uno Zener da 9V)n
0
voti
Candy ha scritto:.. ma se vuoi giocare, allora lo schema che hai fatto è da gettare...
Gentilmente ed a scopo didattico, potresti spiegarmi che cosa c'è nello schema che non va?
Grazie
-

machopicho
16 7 - Frequentatore

- Messaggi: 114
- Iscritto il: 11 feb 2013, 19:29
0
voti
Credo di avertelo spiegato già io: un integrato non è un pezzo di Lego
che puoi piazzare dove e come vuoi, m a richiede una certa alimentazione
ha forti limiti di potenza nei segnali di uscita.
Non puoi quindi usarlo senza tener conto di queste caratteristiche.
che puoi piazzare dove e come vuoi, m a richiede una certa alimentazione
ha forti limiti di potenza nei segnali di uscita.
Non puoi quindi usarlo senza tener conto di queste caratteristiche.
17 messaggi
• Pagina 2 di 2 • 1, 2
Chi c’è in linea
Visitano il forum: Nessuno e 106 ospiti

Elettrotecnica e non solo (admin)
Un gatto tra gli elettroni (IsidoroKZ)
Esperienza e simulazioni (g.schgor)
Moleskine di un idraulico (RenzoDF)
Il Blog di ElectroYou (webmaster)
Idee microcontrollate (TardoFreak)
PICcoli grandi PICMicro (Paolino)
Il blog elettrico di carloc (carloc)
DirtEYblooog (dirtydeeds)
Di tutto... un po' (jordan20)
AK47 (lillo)
Esperienze elettroniche (marco438)
Telecomunicazioni musicali (clavicordo)
Automazione ed Elettronica (gustavo)
Direttive per la sicurezza (ErnestoCappelletti)
EYnfo dall'Alaska (mir)
Apriamo il quadro! (attilio)
H7-25 (asdf)
Passione Elettrica (massimob)
Elettroni a spasso (guidob)
Bloguerra (guerra)

