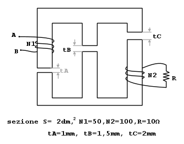
Buongiorno, ho un circuito trifase che alimenta tre impedenze connesse a stella. Ciascuna di esse corrisponde all'impedenza vista ai morsetti A-B del circuito magnetico che ho allegato in foto, nel quale si possono trascurare le perdite nel ferro e nel rame e la riluttanza del ferro. Non ho ben chiaro come procedere e vi sarei grato se riusciste a darmi una mano, grazie:)
Circuito magnetico da risolvere, chiedo aiuto?
Moderatori:
g.schgor,
IsidoroKZ
16 messaggi
• Pagina 1 di 2 • 1, 2
1
voti
Come avete modellato i circuiti magnetici?
Come trattate i doppi bipoli induttivi?
Come trattate i doppi bipoli induttivi?
Per usare proficuamente un simulatore, bisogna sapere molta più elettronica di lui
Plug it in - it works better!
Il 555 sta all'elettronica come Arduino all'informatica! (entrambi loro malgrado)
Se volete risposte rispondete a tutte le mie domande
Plug it in - it works better!
Il 555 sta all'elettronica come Arduino all'informatica! (entrambi loro malgrado)
Se volete risposte rispondete a tutte le mie domande
0
voti
Ciao, allora mi devo calcolare l'induttanza del primario giusto? E da questa risalgo alla sua impedenza.
Considero il circuito magnetico senza il secondo solenoide, faccio il parallelo tra le due riluttanze a destra e la metto in serie con la prima a sinistra, ottenendo la riluttanza totale. Quindi calcolo il flusso totale attraverso il primo avvolgimento e da questo l'induttanza. Quello che mi preme precisare è che in questo calcolo il secondo avvolgimento non figura, ma esso compare solo nel calcolo della potenza assorbita.
Nota l'induttanza del primario e la corrente che lo attraversa, conosco il flusso in funzione del tempo. Dalla sua derivata ottengo la tensione indotta ai capi del secondario e quindi la corrente che circola nella resistenza e la potenza assorbita dal secondario.
Considero il circuito magnetico senza il secondo solenoide, faccio il parallelo tra le due riluttanze a destra e la metto in serie con la prima a sinistra, ottenendo la riluttanza totale. Quindi calcolo il flusso totale attraverso il primo avvolgimento e da questo l'induttanza. Quello che mi preme precisare è che in questo calcolo il secondo avvolgimento non figura, ma esso compare solo nel calcolo della potenza assorbita.
Nota l'induttanza del primario e la corrente che lo attraversa, conosco il flusso in funzione del tempo. Dalla sua derivata ottengo la tensione indotta ai capi del secondario e quindi la corrente che circola nella resistenza e la potenza assorbita dal secondario.
0
voti
Non riesco a capire se in questo esercizio devo ignorare il flusso disperso dal primario. Se no, mi viene difficile calcolarne l'induttanza! Voi che dite? Grazie per l'aiuto 

0
voti
Buonasera, ho risolto l'esercizio e volevo sapere solo se era giusto il mio ragionamento. Mi calcolo l'induttanza L1 del primario, l'induttanza L2 del secondario e il coefficiente di mutua induzione M. Il passo successivo è quello di calcolare i flussi totali Ft1 e Ft2 attraverso primario e secondario. Applico poi la legge di faraday, ottenendo che Ft1'=tensione ai capi del primario e Ft2'=tensione ai capi del secondario=R*I2, dove I2 è la corrente nel secondario. La tensione ai capi del primario la conosco perché imposta dal sistema trifase, quindi passando ai fasori ho un sistema di due equazioni in due incognite I1 e I2. E' giusto? Grazie mille:)))))
0
voti
e rispondere alle domande che ti sono state fatte senza fare flooding 
-

PietroBaima
90,7k 7 12 13 - G.Master EY

- Messaggi: 12206
- Iscritto il: 12 ago 2012, 1:20
- Località: Londra
0
voti
CIao, non so come trattiamo i doppi bipoli induttivi e come modelliamo i circuito magnetici perché sono autodidatta e non vado a lezione.
Penso che il procedimento scritto sopra sia quello corretto, ma chiedo conferma. Buona giornata.
Penso che il procedimento scritto sopra sia quello corretto, ma chiedo conferma. Buona giornata.
1
voti
Se non lo sai tu... figurati io...
E' indispensabile conoscere il modello trattato dal professore a lezione per i circuiti magnetici e per i doppi bipoli induttivi, per poterti dare una risposta (che possa avere senso).
La prima cosa che devi fare è recuperare appunti o materiale che possa darti questa informazione e postare la risposta qui, poi ne possiamo riparlare in modo costruttivo e finalizzato al superamento dell'esame che devi affrontare.
Ciao,
Pietro.
E' indispensabile conoscere il modello trattato dal professore a lezione per i circuiti magnetici e per i doppi bipoli induttivi, per poterti dare una risposta (che possa avere senso).
La prima cosa che devi fare è recuperare appunti o materiale che possa darti questa informazione e postare la risposta qui, poi ne possiamo riparlare in modo costruttivo e finalizzato al superamento dell'esame che devi affrontare.
Ciao,
Pietro.
-

PietroBaima
90,7k 7 12 13 - G.Master EY

- Messaggi: 12206
- Iscritto il: 12 ago 2012, 1:20
- Località: Londra
0
voti
Ciao, ma non ci dovrebbe essere un unico modo di risolvere l'esercizio?
1
voti
Tu usi la relatività per descrivere un cinematismo?
No? Allora sbagli!
No? Allora sbagli!
-

PietroBaima
90,7k 7 12 13 - G.Master EY

- Messaggi: 12206
- Iscritto il: 12 ago 2012, 1:20
- Località: Londra
16 messaggi
• Pagina 1 di 2 • 1, 2
Torna a Elettrotecnica generale
Chi c’è in linea
Visitano il forum: Nessuno e 186 ospiti

Elettrotecnica e non solo (admin)
Un gatto tra gli elettroni (IsidoroKZ)
Esperienza e simulazioni (g.schgor)
Moleskine di un idraulico (RenzoDF)
Il Blog di ElectroYou (webmaster)
Idee microcontrollate (TardoFreak)
PICcoli grandi PICMicro (Paolino)
Il blog elettrico di carloc (carloc)
DirtEYblooog (dirtydeeds)
Di tutto... un po' (jordan20)
AK47 (lillo)
Esperienze elettroniche (marco438)
Telecomunicazioni musicali (clavicordo)
Automazione ed Elettronica (gustavo)
Direttive per la sicurezza (ErnestoCappelletti)
EYnfo dall'Alaska (mir)
Apriamo il quadro! (attilio)
H7-25 (asdf)
Passione Elettrica (massimob)
Elettroni a spasso (guidob)
Bloguerra (guerra)


pigreco]=π