Salve, faccio il 3° anno di ingegneria elettronica, durante un'esercitazione di laboratorio mi è sorta una domanda a cui purtroppo il professore non ha saputo rispondere.
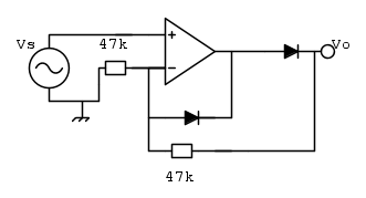
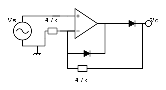
Abbiamo fatto un semplice raddrizzatore di precisione a singola semionda che ho provato a riprodurre con fidocad e ve lo mostro qua sotto:
Il circuito funziona bene, comincio ad alzare la frequenza della sinusoide in ingresso e verso i 20kHz comincia ad andare in slew rate. Il problema è che va in slew rate un po' anomalo dal mio punto di vista.
Comincia a distorcere solo il fianco crescente della semionda raddrizzata e aumentando la frequenza si arriva ad un punto in cui si ha proprio una retta che parte dall'attraversamento dello zero e arriva al picco positivo della sinusoide e dal picco positivo comincia a decrescere senza alcuna distorsione fino allo zero successivo (in realtà era leggermente in slew rate anche sul fronte decrescente ma nulla a che vedere con una retta). Aumentando ancora la frequenza si arriva ad un'onda triangolare.
Il mio dubbio sta nel fatto che lo slew rate è definito come la massima velocità di variazione dell'uscita. Io avevo capito che l'A.O. si comporta in maniera analoga sia in "salita" che in "discesa", poi certo la perfezione non c'è mai però quello è un comportamento totalmente asimmetrico.
Quindi mi chiedo se nel circuito ci sia qualcos'altro che da quel comportamento o sia davvero possibile un comportamento così "asimmetrico" dell'A.O.
In allegato lascio anche un "disegno" se così si più chiamare di una semionda raddrizzata che spero sia più chiara della spiegazione a parole. Ho guardato se si poteva fare con fidocad ma non ci sono riuscito!
Gia che sono in argomento slew rate, vi pongo anche un'altra domanda:
Mi hanno detto che il suo valore è pari all'area sottesa dalla risposta in frequenza dell'operazionale "fino alla frequenza di taglio". Cioè prendendo la risposta passa basso dell'A.O. e approssimando il centro banda ad un rettangolo potrei dire che SR=ft*Av. Con ft frequenza di taglio e Av guadagno ad anello aperto.
E non è che a me torni molto...Online non sono nemmeno riuscito a trovare una definizione del genere.
Vi ringrazio per la disponibilità e buona serata!
Slew Rate Amplificatore Operazionale "Asimmetrico"
Moderatori:
carloc,
g.schgor,
BrunoValente,
IsidoroKZ
14 messaggi
• Pagina 1 di 2 • 1, 2
2
voti
- Allegati
-
- Waveform
- Slew rate.png (3.23 KiB) Osservato 14842 volte
1
voti
Mi hanno detto che il suo valore è pari all'area sottesa dalla risposta in frequenza dell'operazionale "fino alla frequenza di taglio". Cioè prendendo la risposta passa basso dell'A.O. e approssimando il centro banda ad un rettangolo potrei dire che SR=ft*Av. Con ft frequenza di taglio e Av guadagno ad anello aperto.
Quella è la definizione di prodotto guadagno-larghezza di banda (GBP: Gain-Bandwidth Product).
Per i segnali sinusoidali, lo slew rate, espresso in
, deve soddisfare questa formula:
dove
è la frequenza del segnale, e
il suo valore di picco.6
voti
Ciao
Arbi,
anzitutto il tuo tschema è sbagliato, poi la spiegazione è semplice, basta guardare la forma d'onda in uscita all'operazionale (prima del diodo) per capire.
Durante la semionda morta, cioè nel semiperiodo in cui la tensione Vo è 0V, la tensione V1 di uscita dell'operazionale si trova ad essere negativa di -07V che è il valore di conduzione di D1 e nel preciso istante in cui Vo dovrebbe iniziare a salire, V1 dovrebbe saltare bruscamente da -0.7V a +0.7V e poi seguire la tensione di uscita con una distanza fissa di +0.7V che è la tensione di conduzione di D2.
Questo salto non può avvenire bruscamente perché limitato dallo slew rate e quindi la semionda raddrizzata di uscita inizia con ritardo e ha una parte della salita più ripida di quanto dovrebbe essere.
La discesa invece, se la frequenza non è sufficientemente alta, non supera il limite imposto dallo slew rate e non è distorta.
Salendo con la frequenza ad un certo punto anche la discesa comincia a limitare la pendenza ma sempre meno della salita.
Se i diodi iniziassero a condurre a 0V invece che a 0.7V allora la tensione V1 partirebbe da 0V invece che da -0.7V, il salto di 1.4V non ci sarebbe e nemmeno la asimmetria che osservi.
anzitutto il tuo tschema è sbagliato, poi la spiegazione è semplice, basta guardare la forma d'onda in uscita all'operazionale (prima del diodo) per capire.
Durante la semionda morta, cioè nel semiperiodo in cui la tensione Vo è 0V, la tensione V1 di uscita dell'operazionale si trova ad essere negativa di -07V che è il valore di conduzione di D1 e nel preciso istante in cui Vo dovrebbe iniziare a salire, V1 dovrebbe saltare bruscamente da -0.7V a +0.7V e poi seguire la tensione di uscita con una distanza fissa di +0.7V che è la tensione di conduzione di D2.
Questo salto non può avvenire bruscamente perché limitato dallo slew rate e quindi la semionda raddrizzata di uscita inizia con ritardo e ha una parte della salita più ripida di quanto dovrebbe essere.
La discesa invece, se la frequenza non è sufficientemente alta, non supera il limite imposto dallo slew rate e non è distorta.
Salendo con la frequenza ad un certo punto anche la discesa comincia a limitare la pendenza ma sempre meno della salita.
Se i diodi iniziassero a condurre a 0V invece che a 0.7V allora la tensione V1 partirebbe da 0V invece che da -0.7V, il salto di 1.4V non ci sarebbe e nemmeno la asimmetria che osservi.
-

BrunoValente
39,6k 7 11 13 - G.Master EY

- Messaggi: 7796
- Iscritto il: 8 mag 2007, 14:48
0
voti
Grazie
BrunoValente!
Hai ragione, ieri sera nella stanchezza ho sbagliato lo schema!
Mi permetto di copiare quello che hai fatto te e di modificare il mio post iniziale in modo che sia più chiaro per chi leggerà in futuro.
La spieghiazione mi è chiara ed ora capisco il motivo dell'asimmetria però non mi torna una cosa:
La differenza tra un raddrizzatore normale a diodo ed uno di precisione con amplificatore operazione è che si riesce ad abbassare la soglia del diodo, nel senso che da avere una soglia di 0.7V se ne ha una "equivalente" di 0.7/Av. In questo modo si può raddrizzare anche un segnale in ingresso che è sempre minore di 0.7V, impossibile col classico raddrizzatore perché non riuscirebbe mai a polarizzare il diodo.
Analogamente il segnale di ingresso non sarà seguito dall'uscita con una differenza di 0.7V ma 0.7/Av (circa nullo).
L'esercitazione la ho fatta settimana scorsa e mi sembra di ricordare infatti di non aver visto quel ritardo. E la Vo segue quasi perfettamente la tensione di ingresso, e non con una differenza di 0.7V.
Rimane però in effetti che sulla semionda "morta" la tensione V1 sia -0.7 e quindi appena D2 entra in conduzione (Vs circa 0) l'uscita dell'operazionale deve fare un salto e quindi su quel fronte entra prima in slew rate.
E' corretto?
PS: Mi sono accorto di non poter modificare il mio primo post, lo schema rimarra così!
Hai ragione, ieri sera nella stanchezza ho sbagliato lo schema!
La spieghiazione mi è chiara ed ora capisco il motivo dell'asimmetria però non mi torna una cosa:
La differenza tra un raddrizzatore normale a diodo ed uno di precisione con amplificatore operazione è che si riesce ad abbassare la soglia del diodo, nel senso che da avere una soglia di 0.7V se ne ha una "equivalente" di 0.7/Av. In questo modo si può raddrizzare anche un segnale in ingresso che è sempre minore di 0.7V, impossibile col classico raddrizzatore perché non riuscirebbe mai a polarizzare il diodo.
Analogamente il segnale di ingresso non sarà seguito dall'uscita con una differenza di 0.7V ma 0.7/Av (circa nullo).
L'esercitazione la ho fatta settimana scorsa e mi sembra di ricordare infatti di non aver visto quel ritardo. E la Vo segue quasi perfettamente la tensione di ingresso, e non con una differenza di 0.7V.
Rimane però in effetti che sulla semionda "morta" la tensione V1 sia -0.7 e quindi appena D2 entra in conduzione (Vs circa 0) l'uscita dell'operazionale deve fare un salto e quindi su quel fronte entra prima in slew rate.
E' corretto?
PS: Mi sono accorto di non poter modificare il mio primo post, lo schema rimarra così!
0
voti
Che operazionale stavate usando?
Per usare proficuamente un simulatore, bisogna sapere molta più elettronica di lui
Plug it in - it works better!
Il 555 sta all'elettronica come Arduino all'informatica! (entrambi loro malgrado)
Se volete risposte rispondete a tutte le mie domande
Plug it in - it works better!
Il 555 sta all'elettronica come Arduino all'informatica! (entrambi loro malgrado)
Se volete risposte rispondete a tutte le mie domande
0
voti
IsidoroKZ ha scritto:Che operazionale stavate usando?
Un uA741.
0
voti
Arbi ha scritto:IsidoroKZ ha scritto:Che operazionale stavate usando?
Un uA741.
Ci avrei giurato
-

BrunoValente
39,6k 7 11 13 - G.Master EY

- Messaggi: 7796
- Iscritto il: 8 mag 2007, 14:48
1
voti
Arbi ha scritto:L'esercitazione la ho fatta settimana scorsa e mi sembra di ricordare infatti di non aver visto quel ritardo. E la Vo segue quasi perfettamente la tensione di ingresso, e non con una differenza di 0.7V.
Non ho detto questo, ho detto che la V1(uscita dell'operazionale) segue la Vo (uscita dopo il diodo D2) con una differenza di 0.7V ed è sottinteso che invece la Vo segue l'ingresso, tranne durante la salita nella zona in cui, essendo in ritardo, sale più in fretta fino a raccordarsi con il valore corretto.
In realtà mi sono espresso male perché, essendo V1 la causa e Vo l'effetto, avrei dovuto dire che Vo segue V1 con una distanza di -0.7V
Comunque questa cosa si nota nel grafico.
-

BrunoValente
39,6k 7 11 13 - G.Master EY

- Messaggi: 7796
- Iscritto il: 8 mag 2007, 14:48
3
voti
La differenza fra salita e discesa vicino all'inizio della limitazion di slew (*) rate con onda sinusoidale si verifica in tutti i circuiti, non solo nei raddrizzatori.
Il fenomeno lo si vede in questa figura dove c'e` ingresso e uscita di un ampli a guadagno unitario (in realta` invertente ma con una dei due segnali capovolto (**))
Si vede che le due forme d'onda partono insieme fanno un tratto di strada insieme, poi l'uscita entra in limitazione di slew rate e comincia a "stare indietro" rispetto all'ingresso. Solo alla fine della semionda l'uscita riacchiappa il valore che doveva avere e ricomincia a seguire l'ingresso. La pendenza aumenta, l'uscita sta indietro... e capita come prima. Se si sale di frequenza questa asimmetria fra inizio semiciclo e fine semiciclo scompare e si ha solo un'onda triangolare.
(*) si pronuncia SLU, non sliu.
(**) quando si fanno prove di questo genere e` meglio usare la configurazione invertente per non avere problemi di modo comune sullo stadio di ingresso che possono introdurre delle asimmetrie di slew rate fra salita e discesa.
Il fenomeno lo si vede in questa figura dove c'e` ingresso e uscita di un ampli a guadagno unitario (in realta` invertente ma con una dei due segnali capovolto (**))
Si vede che le due forme d'onda partono insieme fanno un tratto di strada insieme, poi l'uscita entra in limitazione di slew rate e comincia a "stare indietro" rispetto all'ingresso. Solo alla fine della semionda l'uscita riacchiappa il valore che doveva avere e ricomincia a seguire l'ingresso. La pendenza aumenta, l'uscita sta indietro... e capita come prima. Se si sale di frequenza questa asimmetria fra inizio semiciclo e fine semiciclo scompare e si ha solo un'onda triangolare.
(*) si pronuncia SLU, non sliu.
(**) quando si fanno prove di questo genere e` meglio usare la configurazione invertente per non avere problemi di modo comune sullo stadio di ingresso che possono introdurre delle asimmetrie di slew rate fra salita e discesa.
Per usare proficuamente un simulatore, bisogna sapere molta più elettronica di lui
Plug it in - it works better!
Il 555 sta all'elettronica come Arduino all'informatica! (entrambi loro malgrado)
Se volete risposte rispondete a tutte le mie domande
Plug it in - it works better!
Il 555 sta all'elettronica come Arduino all'informatica! (entrambi loro malgrado)
Se volete risposte rispondete a tutte le mie domande
0
voti
IsidoroKZ ha scritto:(**) quando si fanno prove di questo genere e` meglio usare la configurazione invertente per non avere problemi di modo comune sullo stadio di ingresso che possono introdurre delle asimmetrie di slew rate fra salita e discesa.
Ok aspetta
Cosa intendi con problemi di modo comune esattamente e perché dovrebbero dar luogo ad uno slew rate asimmetrico? perché non si dovrebbero avere sul piedino invertente?
E vorrei chiarire un'altra cosa: lo slew rate dell'operazione è un suo valore intrinseco che non dipende dalla configurazione utilizzata e non discrimina la discesa dalla salita, cioè considera la variazione in valore assoluto.
Quindi il fatto che lo slew rate si possa presentare in maniera asimmetrica non dipende dall'operazionale ma da come funziona il circuito, quindi la salita e la discesa possono richiedere una velocità di variazione diversa (come è nel raddrizzatore di cui ho chiesto spiegazione sopra), ma il valore dello slew rate dell'operazione è costante.
Giusto?
Ti ringrazio!

14 messaggi
• Pagina 1 di 2 • 1, 2
Chi c’è in linea
Visitano il forum: Nessuno e 198 ospiti

Elettrotecnica e non solo (admin)
Un gatto tra gli elettroni (IsidoroKZ)
Esperienza e simulazioni (g.schgor)
Moleskine di un idraulico (RenzoDF)
Il Blog di ElectroYou (webmaster)
Idee microcontrollate (TardoFreak)
PICcoli grandi PICMicro (Paolino)
Il blog elettrico di carloc (carloc)
DirtEYblooog (dirtydeeds)
Di tutto... un po' (jordan20)
AK47 (lillo)
Esperienze elettroniche (marco438)
Telecomunicazioni musicali (clavicordo)
Automazione ed Elettronica (gustavo)
Direttive per la sicurezza (ErnestoCappelletti)
EYnfo dall'Alaska (mir)
Apriamo il quadro! (attilio)
H7-25 (asdf)
Passione Elettrica (massimob)
Elettroni a spasso (guidob)
Bloguerra (guerra)





