FabioNight ha scritto:manca un plugin
mmm... sono solo oggetti Flash, devo dedurre che ti manca il player quindi
https://get.adobe.com/it/flashplayer/
strano che tu non l'abbia gia' installato... controlla
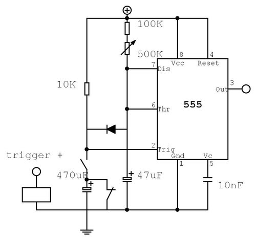
FabioNight ha scritto:,ma non genera anche essa una caduta di tensione?e quindi il rischio nel pin 2 io porti una tensione troppo bassa?
* quando 'input' è a livello logico basso va a 0V, a quel punto il transistor è interdetto. Il pin 2 quindi si trova scollegato verso massa, ma collegato tramite la resistenza da 10K verso Vcc. Non circolerà corrente in quanto il pin 2 internamente è collegato ad un comparatore (che ha un'impedenza di ingresso elevata). Questo comporta che sostanzialmente sulla resistenza 10K non si ha una ddp, ovvero segue che il pin 2 va a Vcc.
* quando 'input' è a livello logico alto va a Vcc, a quel punto il transistor va in conduzione. Il pin 2 quindi è cortocircuitato verso massa. A questo punto la resistenza 10K è collegata a Vcc e a massa, e circolerà una certa corrente, ma se fai i conti vedrai che saranno solo alcuni mA, comunque inifluenti nel resto del ragionamento.

Elettrotecnica e non solo (admin)
Un gatto tra gli elettroni (IsidoroKZ)
Esperienza e simulazioni (g.schgor)
Moleskine di un idraulico (RenzoDF)
Il Blog di ElectroYou (webmaster)
Idee microcontrollate (TardoFreak)
PICcoli grandi PICMicro (Paolino)
Il blog elettrico di carloc (carloc)
DirtEYblooog (dirtydeeds)
Di tutto... un po' (jordan20)
AK47 (lillo)
Esperienze elettroniche (marco438)
Telecomunicazioni musicali (clavicordo)
Automazione ed Elettronica (gustavo)
Direttive per la sicurezza (ErnestoCappelletti)
EYnfo dall'Alaska (mir)
Apriamo il quadro! (attilio)
H7-25 (asdf)
Passione Elettrica (massimob)
Elettroni a spasso (guidob)
Bloguerra (guerra)







