Cos'è ElectroYou | Login Iscriviti

ElectroYou - la comunità dei professionisti del mondo elettrico

Timer monostabile retriggerabile

Elettronica lineare e digitale: didattica ed applicazioni

Moderatori: Foto Utentecarloc, Foto Utenteg.schgor, Foto UtenteBrunoValente, Foto UtenteIsidoroKZ

0
voti

[21] Re: Timer monostabile retriggerabile

Messaggioda Foto UtenteFabioNight » 21 nov 2015, 15:17


Grazie mille per la breve guida a come postare:) spero di aver fatto giusto...
beh a quanto avevo lettola durata dell'impulso di trig nel pin2 non deve mai essere superiore alla durata voluta del segnale di out.
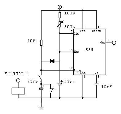
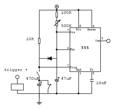
Per questo ho gestito la parte di trig in questo modo:Quando la bobina del relè viene eccitata succedono le seguenti cose: il condensatore da 470uF inizia a far passare corrente,dando modo al condensatore da 47uF di scaricarsi,ottenendo così il reset del conteggio,e dando modo al pin2 di andare allo stato logico basso.
Una volta però che il condensatore da 470uF sarà carico,non permetterà più il passaggio di corrente,comportandosi quindi come un "interruttore aperto".
Quando la bobina srà diseccitata il suo contatto nc permetterà al condensatore da 470uF di scaricarsi per il prossimo ciclo... :mrgreen: :D ?% ?% ?% corretto??:)
Avatar utente
Foto UtenteFabioNight
15 3
 
Messaggi: 23
Iscritto il: 14 nov 2015, 3:13

0
voti

[22] Re: Timer monostabile retriggerabile

Messaggioda Foto Utentepaofanello » 21 nov 2015, 16:24

Hai spiegato come funziona secondo te il circuito, ma non mi hai detto se quello che ho disegnato nello schema del mio precedente messaggio é ció che vuoi, ti serve esattamente un monostabile retriggerabile?
Piuttosto che chiedere qualcosa a me, chiedila a Mara Maionchi. E' più competente.
Avatar utente
Foto Utentepaofanello
2.280 8 13
Expert
Expert
 
Messaggi: 532
Iscritto il: 7 lug 2015, 21:01

0
voti

[23] Re: Timer monostabile retriggerabile

Messaggioda Foto UtenteFabioNight » 21 nov 2015, 16:51

si secondo me quello che hai rappresentato tu è quello che serve a me:ossia:

appena ho il mio input --> va alta l'uscita e parte anche il conteggio.
nel caso in cui mentre l'uscita è alta il mio ingresso tornasse alto --> l'uscita resta alta e il conteggio ricomincia da capo....pensi sia tutto giusto?
Avatar utente
Foto UtenteFabioNight
15 3
 
Messaggi: 23
Iscritto il: 14 nov 2015, 3:13

0
voti

[24] Re: Timer monostabile retriggerabile

Messaggioda Foto Utentepaofanello » 22 nov 2015, 15:16

Scusa, questa dovrebbe essere l'ultima domanda!
FabioNight ha scritto:appena ho il mio input --> va alta l'uscita e parte anche il conteggio.

Quindi il conteggio vuoi che parta quando premi? e non quando alzi il dito?
Ed ogni volta che ripremi non importa quanto tempo lo premi ma il semplice fatto di premerlo azzera il conteggio che riparte da zero subito, giusto?
Piuttosto che chiedere qualcosa a me, chiedila a Mara Maionchi. E' più competente.
Avatar utente
Foto Utentepaofanello
2.280 8 13
Expert
Expert
 
Messaggi: 532
Iscritto il: 7 lug 2015, 21:01

0
voti

[25] Re: Timer monostabile retriggerabile

Messaggioda Foto UtenteFabioNight » 22 nov 2015, 23:56

Esattamente hai descritto quello che voglio!!!
Secondo te quindi il circuito che ho progettato va bene?
Avatar utente
Foto UtenteFabioNight
15 3
 
Messaggi: 23
Iscritto il: 14 nov 2015, 3:13

0
voti

[26] Re: Timer monostabile retriggerabile

Messaggioda Foto Utentepaofanello » 23 nov 2015, 0:25

Il tuo circuito ha un problema: il condensatore da 470uF si scarica solo quando il tempo del monostabile è finito, quindi se cerchi di retriggerare premendo il pulsante in questo intervallo di tempo il condensatore già carico non permetterà a quello da 47uF (che si starà caricando) di scaricarsi. Di solito si mette una resistenza in parallelo al condensatore, ma 470uF sono tantini e se se ne usa una troppo grande comunque si scaricherà troppo lentamente impedendo il retrigger, probabilmente la cosa migliore è usarne una piccola, ma si otterrebbe l'effetto che il conto parte quando si solleva il dito. Sarebbe un problema grande se partisse quando si solleva il dito? altrimenti penso si debba cambiare qualcosa, usare un paio di 555 forse (o altro)
Piuttosto che chiedere qualcosa a me, chiedila a Mara Maionchi. E' più competente.
Avatar utente
Foto Utentepaofanello
2.280 8 13
Expert
Expert
 
Messaggi: 532
Iscritto il: 7 lug 2015, 21:01

0
voti

[27] Re: Timer monostabile retriggerabile

Messaggioda Foto UtenteFabioNight » 23 nov 2015, 1:37

paofanello ha scritto:Il tuo circuito ha un problema: il condensatore da 470uF si scarica solo quando il tempo del monostabile è finito, quindi se cerchi di retriggerare premendo il pulsante in questo intervallo di tempo il condensatore già carico non permetterà a quello da 47uF (che si starà caricando) di scaricarsi.

Ma il condensatore da 470 essendo collegato tra il normalmente chiuso del relè e massa non si scarica nonappena rilascio il mio pulsante di trigger??
Avatar utente
Foto UtenteFabioNight
15 3
 
Messaggi: 23
Iscritto il: 14 nov 2015, 3:13

0
voti

[28] Re: Timer monostabile retriggerabile

Messaggioda Foto Utentepaofanello » 23 nov 2015, 16:07

Sto facendo confusione. Tu di che relé parli? Quello attivato dall'uscita? Se intendi quello rimane attivo fino a che non passa il tempo del monostabile, quindi solo alla fine del ritardo il contatto si chiude e il condensatore si scarica.
Piuttosto che chiedere qualcosa a me, chiedila a Mara Maionchi. E' più competente.
Avatar utente
Foto Utentepaofanello
2.280 8 13
Expert
Expert
 
Messaggi: 532
Iscritto il: 7 lug 2015, 21:01

1
voti

[29] Re: Timer monostabile retriggerabile

Messaggioda Foto UtenteFabioNight » 23 nov 2015, 16:10

ah no no io parlo del relè che utilizzo nel trigger per comandarmi il ramo che mi permetterà appunto di scaricare il 4,7uF e quindi di retriggerare...
Avatar utente
Foto UtenteFabioNight
15 3
 
Messaggi: 23
Iscritto il: 14 nov 2015, 3:13

0
voti

[30] Re: Timer monostabile retriggerabile

Messaggioda Foto Utentepaofanello » 23 nov 2015, 16:14

Aaaa!!! Ho capito! Fino ad ora avevo parlato pulsante, pensavo ne usassi uno e basta. Quindi il segnale arriva con una chiusura di un contatto NA di un relé, e con l'altro contatto (questa volta su NC fai scaricare il condensatore, se é cosí su due piedi mi sembra una buona idea! Dopotutto a te funzionava no?
Piuttosto che chiedere qualcosa a me, chiedila a Mara Maionchi. E' più competente.
Avatar utente
Foto Utentepaofanello
2.280 8 13
Expert
Expert
 
Messaggi: 532
Iscritto il: 7 lug 2015, 21:01

PrecedenteProssimo

Torna a Elettronica generale

Chi c’è in linea

Visitano il forum: Nessuno e 40 ospiti