No come condensatori ci sono solo quelli che ho riportato.
mentre i gen V1 e V2 sono gen di segnale.
Dubbio su circuito con amp. operazionali
Moderatori:
carloc,
g.schgor,
BrunoValente,
IsidoroKZ
29 messaggi
• Pagina 2 di 3 • 1, 2, 3
2
voti
Scambiando il guadagno ad anello aperto dell'operazionale con il guadagno ad anello chiuso
.
Electron86, visto che c'e` un solo condensatore C2, e` opportuno trattare i due ingressi separatamente, sfruttando la linearita` degli ingressi. Eccetto che in continua, non si puo` ottenere un guadagno scritto come 

Per usare proficuamente un simulatore, bisogna sapere molta più elettronica di lui
Plug it in - it works better!
Il 555 sta all'elettronica come Arduino all'informatica! (entrambi loro malgrado)
Se volete risposte rispondete a tutte le mie domande
Plug it in - it works better!
Il 555 sta all'elettronica come Arduino all'informatica! (entrambi loro malgrado)
Se volete risposte rispondete a tutte le mie domande
0
voti
Nel post[6] avevo suggerito di calcolare il guadagno ad anello chiuso in continua.
A me risulta 23.5dB, che però dipende dal valore di R4 (R2 verso massa).
Con questo a zero (V+ a massa) il guadagno dimezza (17.5dB)
e questo è l'effetto del condensatore alle alte frequenze.
Siete d'acoordo?
A me risulta 23.5dB, che però dipende dal valore di R4 (R2 verso massa).
Con questo a zero (V+ a massa) il guadagno dimezza (17.5dB)
e questo è l'effetto del condensatore alle alte frequenze.
Siete d'acoordo?
0
voti
g.schgor ha scritto:Mi spiegate come ricavate 100dB in continua?
Si riferisce ad Avol=100dB? se è così lo fornisce la traccia dell'esercizio
-

Electron86
8 3 - Messaggi: 24
- Iscritto il: 29 giu 2012, 21:28
0
voti
g.schgor ha scritto:Ma tu tracci il diagramma di Bode senza tener conto della R2
di retroazione?
No quelli che vede sono i diagrammi dell'amplificatore non retroazionato e sono contenuti nella traccia che ci diede il prof. Nel nuovo grafico quei due diagrammi sono rapportati al comportamento dell'amplificatore in assenza di retroazione per C2 che tende a 0 e poi ad infinito.
-

Electron86
8 3 - Messaggi: 24
- Iscritto il: 29 giu 2012, 21:28
0
voti
OK, ma in definitiva come svolgi il problema?
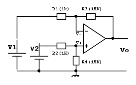
Penso sia meglio considerare una configurazione come questa
Come si vede, se R4 ->0, l'effetto di V2 si annulla.
Penso sia meglio considerare una configurazione come questa
Come si vede, se R4 ->0, l'effetto di V2 si annulla.
0
voti
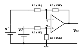
Il circuito che ha disegnato lei è molto più agevole. Soltanto mi sorgono due dubbi come mai V1 e V2 sono rappresentati come batterie pur essendo generatori di segnale? E la seconda è come fa una R a tendere a 0? Più che altro si può ipotizzare che per C2-->infinito la R4 viene bypassata essendo Zc2 assimilabile ad un corto circuito per C2-->infinito. In realtà sono sempre più confuso riguardo la risoluzione
-

Electron86
8 3 - Messaggi: 24
- Iscritto il: 29 giu 2012, 21:28
0
voti
Ovviamente il circuito si riferisce alla situazione in continua.
Il guadagno di Vo rispetto a V1 e V2 è facilmente calcolabile
tenendo presente che per l''equilibrio dell'operazionale
deve essere V+= V- e che questi ingressi non prelevano
corrente (OpAmp ideale).
L'altra osservazione è che mettendo C2 e generatori in alternata
si ha una riduzione di impedenza verso massa di V+ più cresce
la frequenza di V2 e si ha inoltre una sfasamento di questa su V+.
Ciò complica notevolmente il calcolo del guadagno. non essendo
più valida l'ipotesi di ingresso V2-V1.
Il guadagno di Vo rispetto a V1 e V2 è facilmente calcolabile
tenendo presente che per l''equilibrio dell'operazionale
deve essere V+= V- e che questi ingressi non prelevano
corrente (OpAmp ideale).
L'altra osservazione è che mettendo C2 e generatori in alternata
si ha una riduzione di impedenza verso massa di V+ più cresce
la frequenza di V2 e si ha inoltre una sfasamento di questa su V+.
Ciò complica notevolmente il calcolo del guadagno. non essendo
più valida l'ipotesi di ingresso V2-V1.
29 messaggi
• Pagina 2 di 3 • 1, 2, 3
Chi c’è in linea
Visitano il forum: Nessuno e 124 ospiti

Elettrotecnica e non solo (admin)
Un gatto tra gli elettroni (IsidoroKZ)
Esperienza e simulazioni (g.schgor)
Moleskine di un idraulico (RenzoDF)
Il Blog di ElectroYou (webmaster)
Idee microcontrollate (TardoFreak)
PICcoli grandi PICMicro (Paolino)
Il blog elettrico di carloc (carloc)
DirtEYblooog (dirtydeeds)
Di tutto... un po' (jordan20)
AK47 (lillo)
Esperienze elettroniche (marco438)
Telecomunicazioni musicali (clavicordo)
Automazione ed Elettronica (gustavo)
Direttive per la sicurezza (ErnestoCappelletti)
EYnfo dall'Alaska (mir)
Apriamo il quadro! (attilio)
H7-25 (asdf)
Passione Elettrica (massimob)
Elettroni a spasso (guidob)
Bloguerra (guerra)


