Li aspetto, ma in generale la tua soluzione mi sembra quanto meno più pulita della saldatura diretta e poi visto che sono CMOS ci sta che sia da preferire. Questo in generale, se poi qualcuno ha qualche altra idea sul mio problema ben venga.
Uso del IC 4017
Moderatori:
carloc,
g.schgor,
BrunoValente,
IsidoroKZ
45 messaggi
• Pagina 4 di 5 • 1, 2, 3, 4, 5
1
voti
[31] Re: Uso del IC 4017
-->Non c'è bisogno di citare integralmente tutto il messaggio precedente, basta usare il tasto rispondi.
Sjuanez<--
Li aspetto, ma in generale la tua soluzione mi sembra quanto meno più pulita della saldatura diretta e poi visto che sono CMOS ci sta che sia da preferire. Questo in generale, se poi qualcuno ha qualche altra idea sul mio problema ben venga.
Li aspetto, ma in generale la tua soluzione mi sembra quanto meno più pulita della saldatura diretta e poi visto che sono CMOS ci sta che sia da preferire. Questo in generale, se poi qualcuno ha qualche altra idea sul mio problema ben venga.
Ultima modifica di
Sjuanez il 26 nov 2015, 16:55, modificato 2 volte in totale.
Motivazione: citazione non necessaria
Motivazione: citazione non necessaria
0
voti
[33] Re: Uso del IC 4017
array81 ha scritto:Sul circuito su breadboard, alimenta da 6V, ai al singolo pin del 4017 collegato ai led ottengo circa 6V (un pochino di meno), questo su tutti e 3 i pin.
Nel circuito reale nonostante al pin 16 arrivino circa 6V (le saldature non sono perfette), ai pin collegati ai led trovo solo circa 2.5 V mentre credo che dovrei trovarne più del doppio come avviene invece al pin 12.
Non ho capito quale sia la differenza tra il circuito reale e quello non reale.
Se la situazione è questa:
E' ovvio che sul led cadano 2.5V. I volt che "mancano" se li mangia il finale del pin collegato al led.
Anche in questo caso:
Sul led cadono 2.5V
Ed infine anche in questo caso:
Comunque, come ha già detto

0
voti
[34] Re: Uso del IC 4017
Per il IlGuro, non ci sono differenze ho sbagliato io ad usare il tester. In sostanza ieri sera ho tolto una delle resistenze e il relativo led dalla breadboard mentre facevo dei test, per l'appunto oggi (non notando la mancanza del led) ho misurato la tensione su quel pin che non aveva carico a valle. Quindi tralasciate il mio discorso sulle tensioni.
Ho letto quanto detto da Bruno al messaggio 9 ma poi ho notato che nonostante ciò sulla breadboard non avevo alcun problema a fare funzionare il tutto senza transistor. Ho testato a lungo la breadborad in quella configurazione, accendendo e spegnando il circuito e lasciandolo acceso per molto tempo oltre a premere il tasto per cambiare led innumerevoli volte. Sulla breadboard funziona correttamente senza transistor e luminosità dei led è più che sufficiente.
Quando ho visto che non avevo problemi sulla breadboard ho pensato che doveva funzionare bene anche sul circuito reale.
1. Non è strano il comportamento del circuito? Nel senso che il led rosso si accenda appena alimentato e che poi si passi sempre giallo-verde-giallo-... come se il 4017 al reset riparta dal pin 1 invece che dallo 0.
2. Sbaglio a pensare che se il circuito sulla breadboard funziona senza transistor deve essere lo stesso quando portato su una millefori?
Ho letto quanto detto da Bruno al messaggio 9 ma poi ho notato che nonostante ciò sulla breadboard non avevo alcun problema a fare funzionare il tutto senza transistor. Ho testato a lungo la breadborad in quella configurazione, accendendo e spegnando il circuito e lasciandolo acceso per molto tempo oltre a premere il tasto per cambiare led innumerevoli volte. Sulla breadboard funziona correttamente senza transistor e luminosità dei led è più che sufficiente.
Quando ho visto che non avevo problemi sulla breadboard ho pensato che doveva funzionare bene anche sul circuito reale.
1. Non è strano il comportamento del circuito? Nel senso che il led rosso si accenda appena alimentato e che poi si passi sempre giallo-verde-giallo-... come se il 4017 al reset riparta dal pin 1 invece che dallo 0.
2. Sbaglio a pensare che se il circuito sulla breadboard funziona senza transistor deve essere lo stesso quando portato su una millefori?
0
voti
[35] Re: Uso del IC 4017
Su BB o su PCB devono funzionare allo stesso modo. Non è un circuito critico per cui diventano rilevanti le geometrie dei collegamenti.
A questo punto se postassi in fidocadj lo schema che hai utilizzato si potrebbe arrivare velocemente alla soluzione del problema.
Così non so se hai utilizzato un circuito anti boucer, se hai collegato per sbaglio un led al carry invece che ad un a delle uscite, se tutti gli ingressi non usati sono collegati a massa ecc...
A questo punto se postassi in fidocadj lo schema che hai utilizzato si potrebbe arrivare velocemente alla soluzione del problema.
Così non so se hai utilizzato un circuito anti boucer, se hai collegato per sbaglio un led al carry invece che ad un a delle uscite, se tutti gli ingressi non usati sono collegati a massa ecc...

0
voti
[36] Re: Uso del IC 4017
Ora non sono a casa, in serata vedo di disegnare lo schema e di postarlo.
Per il momento grazie.
Per il momento grazie.
0
voti
[37] Re: Uso del IC 4017
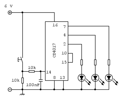
Mi scuso per non aver usato FidoCad ma mi stavo facendo male, allora ho preso carta e penna e ho cerato di disegnare il circuito così come lo vedevo cercando di non farmi influenzare da quelle che potevano essere le miei intenzioni.
Il risultato è questo:

Non è bellissimo da vedere ma dovrebbe rappresentare quanto da me realizzato.
Il risultato è questo:

Non è bellissimo da vedere ma dovrebbe rappresentare quanto da me realizzato.
0
voti
[39] Re: Uso del IC 4017
Se il semaforo riparte con il ciclo correttamente direi che il pin di reset non ha problemi, e il collegamento 7-15 è fatto bene.
sembra quasi che il pin del LED rosso (pin 3), il primo ad accendersi, sia anche collegato al clock (pin 14), tanto da far avanzare il contatore di una unità... strano pero' che non lo faccia anche la prima volta.
insomma, ricontrollerei bene le saldature, e magari puoi usare un tester per vedere se c'è continuità la' dove non dovrebbe esserci (certo che con l'integrato gia' saldato è un problema...)
sembra quasi che il pin del LED rosso (pin 3), il primo ad accendersi, sia anche collegato al clock (pin 14), tanto da far avanzare il contatore di una unità... strano pero' che non lo faccia anche la prima volta.
insomma, ricontrollerei bene le saldature, e magari puoi usare un tester per vedere se c'è continuità la' dove non dovrebbe esserci (certo che con l'integrato gia' saldato è un problema...)
0
voti
[40] Re: Uso del IC 4017
array81 ha scritto: ...Mi scuso per non aver usato FidoCad ma mi stavo facendo male...

P.s. Volevo quasi quasi bloccare il thread ma ho cercato di non farmi influenzare dalle mie intenzioni...
"Non farei mai parte di un club che accettasse la mia iscrizione" (G. Marx)
-

claudiocedrone
21,3k 4 7 9 - Master EY

- Messaggi: 15299
- Iscritto il: 18 gen 2012, 13:36
45 messaggi
• Pagina 4 di 5 • 1, 2, 3, 4, 5
Chi c’è in linea
Visitano il forum: Nessuno e 40 ospiti

Elettrotecnica e non solo (admin)
Un gatto tra gli elettroni (IsidoroKZ)
Esperienza e simulazioni (g.schgor)
Moleskine di un idraulico (RenzoDF)
Il Blog di ElectroYou (webmaster)
Idee microcontrollate (TardoFreak)
PICcoli grandi PICMicro (Paolino)
Il blog elettrico di carloc (carloc)
DirtEYblooog (dirtydeeds)
Di tutto... un po' (jordan20)
AK47 (lillo)
Esperienze elettroniche (marco438)
Telecomunicazioni musicali (clavicordo)
Automazione ed Elettronica (gustavo)
Direttive per la sicurezza (ErnestoCappelletti)
EYnfo dall'Alaska (mir)
Apriamo il quadro! (attilio)
H7-25 (asdf)
Passione Elettrica (massimob)
Elettroni a spasso (guidob)
Bloguerra (guerra)








