Calcola quanta corrende stai cercado di assorbire sui LED e confrontala con quello che le uscite possono fornire. In queste condizioni non cercherei di capire cosa non funziona. Non funziona e basta. Ne ha tutto il diritto perché sei fuori specifiche.
Boiler
Uso del IC 4017
Moderatori:
carloc,
g.schgor,
BrunoValente,
IsidoroKZ
45 messaggi
• Pagina 5 di 5 • 1, 2, 3, 4, 5
1
voti
[42] Re: Uso del IC 4017
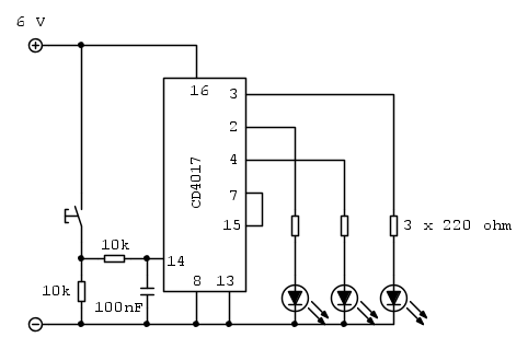
Per claudiocedrone: non era una scusa. Ieri sera ho installato FidoCadJ e ho provato a fare lo schema, purtroppo il "modello" del 4017 presente nel database è diverso da quello che conosco nel senso che non riporta la numerazione dei pin ma delle sigle. Alcune di queste non mi erano chiare e anche cercando su internet non sono riuscito a capire il loro significato. Sono andato quindi nella sezione delle regole del forum per capire se era obbligatorio usare FidoCadJ, sono onesto non ho letto tutte le regole limitandomi a fare una ricerca per parola cercando "FiloCAD" e non "FidoCAD" in quanto fino a questa mattina pensavo si chiamasse "FiloCAD", ovviamente non ho trovato nulla dato che il nome era sbagliato. Convinto allora che si potesse ho fatto lo schema a mano.
Per dimostrare la buona fede riporto qui lo schema, volevo sostituirlo a quello fatto a mano ma non ho capito come modificare il messaggio.
Per gli altri che mi hanno risposto in serata vedo di rispondervi ora.
Per dimostrare la buona fede riporto qui lo schema, volevo sostituirlo a quello fatto a mano ma non ho capito come modificare il messaggio.
Per gli altri che mi hanno risposto in serata vedo di rispondervi ora.
1
voti
[43] Re: Uso del IC 4017
array81 ha scritto:non riporta la numerazione dei pin ma delle sigle.
Così come è giusto che sia. Usando i numeri dei pin, forse non ti fai male tu, ma fai del male a noi, che dobbiamo andare a spulciare il datasheet di ogni elemento che viene usato. È come se io usassi l'LMV722 (che è un opamp) e invece di usare il simbolo dell'opamp in uno schema usassi un quadrato con la numerazione dei pins.
Boiler
1
voti
[44] Re: Uso del IC 4017
Le resistenze da 220 ohm non vanno bene, hanno un valore troppo basso, anche se in certe condizioni potrebbe sembrare che funzioni bene non significa che funzioni davvero bene.
Probabilmente il difetto si presenta solo ora perché si sono scaricate un po' le batterie.
Aggiungi un condensatore elettrolitico da un centinaio di uF in parallelo all'alimentazione e può darsi che torni a funzionare...ma, te l'abbiamo detto in tanti, devi aumentare il valore delle resistenze e accontentarti di poca luce, oppure aggiungere i transistor.
Prova a misurare la tensione della batteria quando il circuito è in funzione, cioè quando uno dei led è acceso, vedrai che il valore non sarà 6V ma meno o anche molto meno.
Probabilmente il difetto si presenta solo ora perché si sono scaricate un po' le batterie.
Aggiungi un condensatore elettrolitico da un centinaio di uF in parallelo all'alimentazione e può darsi che torni a funzionare...ma, te l'abbiamo detto in tanti, devi aumentare il valore delle resistenze e accontentarti di poca luce, oppure aggiungere i transistor.
Prova a misurare la tensione della batteria quando il circuito è in funzione, cioè quando uno dei led è acceso, vedrai che il valore non sarà 6V ma meno o anche molto meno.
-

BrunoValente
39,6k 7 11 13 - G.Master EY

- Messaggi: 7796
- Iscritto il: 8 mag 2007, 14:48
0
voti
[45] Re: Uso del IC 4017
va posizionato praticamente tra i pin di alimentazione dell'integrato (p. es saldandolo dal lato rame ai corrispondenti terminali dello zoccolo).

"Non farei mai parte di un club che accettasse la mia iscrizione" (G. Marx)
-

claudiocedrone
21,3k 4 7 9 - Master EY

- Messaggi: 15302
- Iscritto il: 18 gen 2012, 13:36
45 messaggi
• Pagina 5 di 5 • 1, 2, 3, 4, 5
Chi c’è in linea
Visitano il forum: Google Adsense [Bot] e 446 ospiti

Elettrotecnica e non solo (admin)
Un gatto tra gli elettroni (IsidoroKZ)
Esperienza e simulazioni (g.schgor)
Moleskine di un idraulico (RenzoDF)
Il Blog di ElectroYou (webmaster)
Idee microcontrollate (TardoFreak)
PICcoli grandi PICMicro (Paolino)
Il blog elettrico di carloc (carloc)
DirtEYblooog (dirtydeeds)
Di tutto... un po' (jordan20)
AK47 (lillo)
Esperienze elettroniche (marco438)
Telecomunicazioni musicali (clavicordo)
Automazione ed Elettronica (gustavo)
Direttive per la sicurezza (ErnestoCappelletti)
EYnfo dall'Alaska (mir)
Apriamo il quadro! (attilio)
H7-25 (asdf)
Passione Elettrica (massimob)
Elettroni a spasso (guidob)
Bloguerra (guerra)

