Problemi reset PIC con relè a 220 V
Moderatore:
Paolino
31 messaggi
• Pagina 2 di 4 • 1, 2, 3, 4
0
voti
No, ho provato con un 1N4148 che avevo a casa ma va in corto la bobina, che modello suggerisci?
0
voti
non sei "obbligato", ma se tu lo facessi magari si eviterebbero innumerevoli Post(s) che tentano di descrivere quello che uno schema (aderente alla realtà) restituisce immediatamente.Davide90 ha scritto:(...) sono obbligato a postare lo schema con FidocadJ oppure posso postare uno screenshoot di quello realizzato in Proteus? (...)
Con FidoCadJ gli altri utenti lo possono ri-elaborare facilitando e favorendo lo sviluppo del thread.
Non so quali difficoltà potresti avere nel farlo ma se non sono impedimenti seri, fallo.
Per il micro prendi un rettangolino, per il display un altro rettangolino e poi tiri le righe, e poi ...
Se non sai come fare chiedi, ma magari è possibile che nel frattempo tu abbia sistemato quel relè.
Saluti
W - U.H.F.
-

WALTERmwp
30,2k 4 8 13 - G.Master EY

- Messaggi: 8982
- Iscritto il: 17 lug 2010, 18:42
- Località: le 4 del mattino
0
voti
In attesa dello schema ... non fidarti di quello che ti fa vedere l'oscilloscopio!
Quando ci sono delle commutazioni nei dintorni, spesso "cattura più segnale" la sonda di quello che c'è fisicamente nel circuito.
Bye
Ser.Tom
Quando ci sono delle commutazioni nei dintorni, spesso "cattura più segnale" la sonda di quello che c'è fisicamente nel circuito.
Bye
Ser.Tom0
voti
Per ciascuno ingresso digitale che deve essere interfacciato al mondo esterno, uso e vedo usare delle soluzioni simili a quelle dell'immagine che ti posto. (Uso l'immagine e non FCD per urgenza...)
In questo caso l'ingresso è per segnali a 24 V. Dovrai correggerlo lievemente, ad esempio semplicemente invertendo tra loro le resistenze 330 ed 1k2.
Per il resto, applica un piccolo condensatore di filtro su MCLR e, sopratutto, sul circuito. Magari postane lo schema...
In questo caso l'ingresso è per segnali a 24 V. Dovrai correggerlo lievemente, ad esempio semplicemente invertendo tra loro le resistenze 330 ed 1k2.
Per il resto, applica un piccolo condensatore di filtro su MCLR e, sopratutto, sul circuito. Magari postane lo schema...
-

Candy
32,5k 7 10 13 - CRU - Account cancellato su Richiesta utente
- Messaggi: 10123
- Iscritto il: 14 giu 2010, 22:54
0
voti
Davide90 ha scritto:EcoTan con frequenza di taglio di 50hz?
In questo caso si parte dalla resistenza serie R del filtro, prendiamo la corrente I massima che può essere richiesta dal regolatore e il margine di tensione V di cui disponiamo, tenendo conto che almeno un paio di volt dobbiamo lasciarli come dropout per il regolatore, quindi R=V/I. Poi come capacità parallelo C del filtro mettiamo un elettrolitico e un ceramico a simpatia, la frequenza di taglio 1/2pigrecoRC può essere anche più di 50 Hz perché si suppone che il livellamento della tensione fosse già assicurato da un altro elettrolitico che rimane a monte del filtro.. si capisce?
0
voti
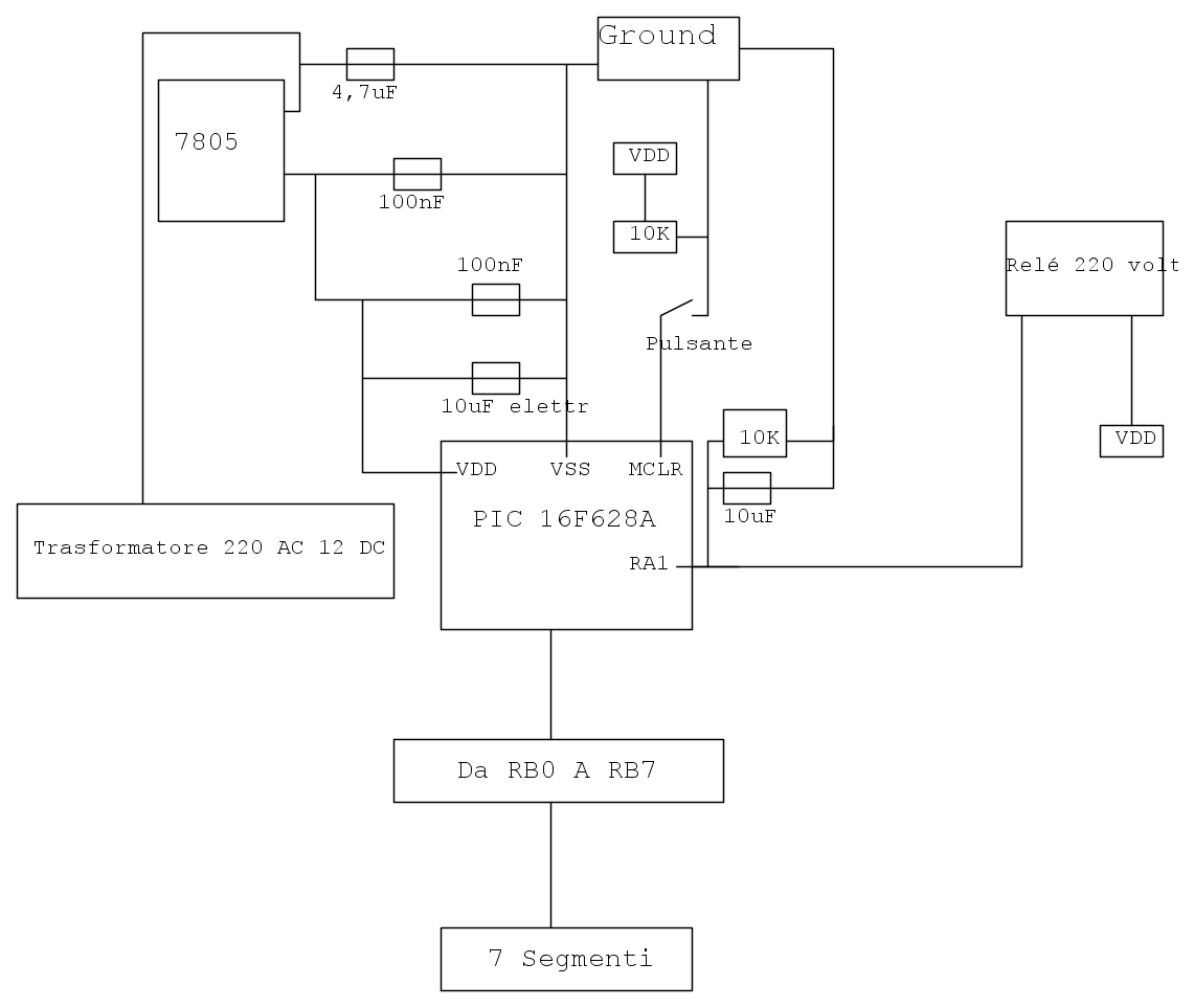
Ragazzi , grazie a tutti per le risposte, il problema sembra essere risolto inserendo, un condensatore ceramico da 100nF il più vicino possibile al pin di alimentazione del PIC, un' altro cercamico da 100nF sul segnale di ingresso, e un condensatore elettrolitico tra alimentazione e vss. Sembra che al momento non sbagli un colpo, in settimana posterò lo schema completo in fidocadj.
Sicuramente i vostri suggerimenti mi torneranno utili per i prossimi progetti!
Grazie a tutti.
Sicuramente i vostri suggerimenti mi torneranno utili per i prossimi progetti!
Grazie a tutti.
0
voti
Ragazzi, come promesso ecco lo schema:
Credo che renda l' idea di ciò che ho fatto, le porte RA0, RA2,RA3,RA4 sono lasciate flottanti ma settate come output, pertando non dovrebbero dar problemi.
Candyquello che hai postato sembra un filtro bassa basso con uno zener e una resistenza in più , puoi spiegarmi a cosa servono lo zener e la seconda resistenza ed in che modo è possibile dimensionarlo?
Credo che renda l' idea di ciò che ho fatto, le porte RA0, RA2,RA3,RA4 sono lasciate flottanti ma settate come output, pertando non dovrebbero dar problemi.
0
voti
Allora hai collegato un pulsane all'ingresso di RESET ?
Suppongo si configurato come semplice I/O, giusto ?
E a livello di "antirimbalzo" che precauzioni usi ?
Bye
Ser.Tom
P.S.: gli schemi elettrici non si disegnano così (almeno se vuoi far capire cosa hai fatto ...) !
Suppongo si configurato come semplice I/O, giusto ?
E a livello di "antirimbalzo" che precauzioni usi ?
Bye
Ser.TomP.S.: gli schemi elettrici non si disegnano così (almeno se vuoi far capire cosa hai fatto ...) !

0
voti
L'antirimbalzo è software:
Puoi darmi delle indicazioni su come disegnare lo schema elettrico?
- Codice: Seleziona tutto
if (PORTAbits.RA1){
__delay_ms(900); //antirimbalzo
if (PORTAbits.RA1){
Puoi darmi delle indicazioni su come disegnare lo schema elettrico?
31 messaggi
• Pagina 2 di 4 • 1, 2, 3, 4
Torna a Realizzazioni, interfacciamento e nozioni generali.
Chi c’è in linea
Visitano il forum: Nessuno e 3 ospiti

Elettrotecnica e non solo (admin)
Un gatto tra gli elettroni (IsidoroKZ)
Esperienza e simulazioni (g.schgor)
Moleskine di un idraulico (RenzoDF)
Il Blog di ElectroYou (webmaster)
Idee microcontrollate (TardoFreak)
PICcoli grandi PICMicro (Paolino)
Il blog elettrico di carloc (carloc)
DirtEYblooog (dirtydeeds)
Di tutto... un po' (jordan20)
AK47 (lillo)
Esperienze elettroniche (marco438)
Telecomunicazioni musicali (clavicordo)
Automazione ed Elettronica (gustavo)
Direttive per la sicurezza (ErnestoCappelletti)
EYnfo dall'Alaska (mir)
Apriamo il quadro! (attilio)
H7-25 (asdf)
Passione Elettrica (massimob)
Elettroni a spasso (guidob)
Bloguerra (guerra)






