Aiuto su scheda poltrona elettrica
29 messaggi
• Pagina 3 di 3 • 1, 2, 3
0
voti
come piu sull'anodo e meno sul catodo intende i 36 v della scheda?
0
voti
No con alimentatore esterno anche perché se sbagli bruci il diodo. se i relè sono da 12v non possono lavorare a 36v potrei capire che l'uscita del trasformatore fosse messa in parallelo per aumentare la potenza. Sei sicuro che sul motore ci sia scritto 24 V e non 12v.
-

elektronik
7.800 4 6 7 - Master

- Messaggi: 3836
- Iscritto il: 12 mag 2015, 22:26
0
voti
Si 24 v 55w ricontrollato perché nei primi post avevo erroneamente messo 500w e mi avevano fatto notare che il trasformatore era piccolo, quindi ho ricontrollato, ho riguardato i relè e come ultimo valore mi dà 30v quindi dovrebbe funzionare fino a quella tensione, invece il valore della resistenza che è 5vw 0,5 e invece provata sulla scheda mi da 0,1 (non ho avuto la possibilista di dissaldarla dovrei farlo domani) mi dovrebbe dire che è bruciata da li può essere i 36 che mi da sulla scheda?
Saluti
Saluti
0
voti
Quella resistenza dovrebbe rilevare la sovracorrente del motore
bloccato (a finecorsa).
Ma non ho ancora capito se con i comandi i relè si attraggono
(e a quale tensione)
bloccato (a finecorsa).
Ma non ho ancora capito se con i comandi i relè si attraggono
(e a quale tensione)
0
voti
Scusate per il ritardo ho avuto gente.
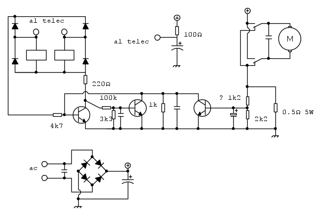
Ho corretto lo schema e messo il componente corretto, ho messo anche un po di valori resistivi,
sinceramente non sono sicurissimo di tutti i valori.
Al massimo chi ha la scheda per mano potra' correggere i valori.
Ora che c'è lo schemino fatto bene cominciamo a fare qualche considerazione.
Non so se sul telecomando ci sia altra roba oltre ai pulsati; per il momento assumo che ci siano solo i pulsanti.
La resistenza da 5W probabilmente non ha subito danni, se è della stessa serie di quelle che usavo io, diciamo che il produttore non è mai stato preciso con l'impasto della ceramica. anche quelle che ho qui nuove sono "obese"...
Se non interpreto troppo male il circuito, senza telecomando inserito, ti dovresti trovare tensione solo sulla pista dell'alimentazione che praticamente è dove tu hai misurato col tester.
Quando tu metti il telecomando e premi un pulsante, porti il positivo attraverso una resistenza da 100ohm ad un capo della bobina di un rele, inoltre dalla bobina attraverso un diodo, vai a portare tensione in base al transistor tutto a sx sullo schema.
Ora, visto che il motore è ancora fermo, la base del transistor va "alta", il transistor conduce, e collega l'altro capo della bobina del relè tramite una resistenza da 220ohm a massa, chiudendo il circuito, quindi ora accendendo il motore.
A questo punto il motore gira, fa scorrere una corrente sia sulla resistenza da 0,5ohm che fa da shunt, poi il partitore tra 1k2 e 2k2 fa entrare il segnale di corrente nel transistor tutto a dx, che ferma la base del Primo transistor, se la corrente che sente supera un certo valore.
Ora, che a grandi linee abbiamo definito cosa dovrebbe fare correttamente, vediamo dove si ferma.
per comodità tutte le misure che farai, falle tenendo il puntale nero del tester sul meno del ponte, almeno abbiamo un riferimento.
Misura il transitor che nella scheda è da solo e messo in verticale, Base Collettore ed emettitore sono messi rispettivamente dal dentro della scheda verso il bordo.
Senza telecomando mi aspetto di trovare 0V su tutti e 3 i punti, con telecomando e un pulsante premuto, mi aspetto di trovare una tensione solo sulla base.
se cosi non fosse dovrai smontarti i transistor e controllare che non siano rotti.
Ho corretto lo schema e messo il componente corretto, ho messo anche un po di valori resistivi,
sinceramente non sono sicurissimo di tutti i valori.
Al massimo chi ha la scheda per mano potra' correggere i valori.
Ora che c'è lo schemino fatto bene cominciamo a fare qualche considerazione.
Non so se sul telecomando ci sia altra roba oltre ai pulsati; per il momento assumo che ci siano solo i pulsanti.
La resistenza da 5W probabilmente non ha subito danni, se è della stessa serie di quelle che usavo io, diciamo che il produttore non è mai stato preciso con l'impasto della ceramica. anche quelle che ho qui nuove sono "obese"...
Se non interpreto troppo male il circuito, senza telecomando inserito, ti dovresti trovare tensione solo sulla pista dell'alimentazione che praticamente è dove tu hai misurato col tester.
Quando tu metti il telecomando e premi un pulsante, porti il positivo attraverso una resistenza da 100ohm ad un capo della bobina di un rele, inoltre dalla bobina attraverso un diodo, vai a portare tensione in base al transistor tutto a sx sullo schema.
Ora, visto che il motore è ancora fermo, la base del transistor va "alta", il transistor conduce, e collega l'altro capo della bobina del relè tramite una resistenza da 220ohm a massa, chiudendo il circuito, quindi ora accendendo il motore.
A questo punto il motore gira, fa scorrere una corrente sia sulla resistenza da 0,5ohm che fa da shunt, poi il partitore tra 1k2 e 2k2 fa entrare il segnale di corrente nel transistor tutto a dx, che ferma la base del Primo transistor, se la corrente che sente supera un certo valore.
Ora, che a grandi linee abbiamo definito cosa dovrebbe fare correttamente, vediamo dove si ferma.
per comodità tutte le misure che farai, falle tenendo il puntale nero del tester sul meno del ponte, almeno abbiamo un riferimento.
Misura il transitor che nella scheda è da solo e messo in verticale, Base Collettore ed emettitore sono messi rispettivamente dal dentro della scheda verso il bordo.
Senza telecomando mi aspetto di trovare 0V su tutti e 3 i punti, con telecomando e un pulsante premuto, mi aspetto di trovare una tensione solo sulla base.
se cosi non fosse dovrai smontarti i transistor e controllare che non siano rotti.
- Codice: Seleziona tutto
[code=php]per il codice a colori[/code]
0
voti
Solo un piccolo consiglio prima di dissaldare i transistor proverei a testarli direttamente su scheda, a volte funzione e ti risparmi di dissaldarli. Metti il tester per test diodi metti un puntale sulla base e l'altro sul collettore e poi sull'emettitore poi metti l'altro puntale sulla base e con l'altro rivai sul collettore e sull'emettitore se nel primo test hai una resistenza alta o infinita per l'altro verso avrai una resistenza bassa. Non sono bravo a spiegare spero ci sia qualcuno più bravo di me che potrebbe darti una mano.
-

elektronik
7.800 4 6 7 - Master

- Messaggi: 3836
- Iscritto il: 12 mag 2015, 22:26
0
voti
Buon giorno,scusate ma sono stato fuori adesso purtroppo si ritorna alla normalità, ho fatto tutti i controlli che mi avete consigliato, e tutti davano esito positivo, quindi ho cominciato a pensare che la scheda fosse a posto, e ho cominciato a controllare le connessioni che vanno dalla scheda al telecomando, dopo vari controlli ho trovato un filo che era saldato male al telecomando che per altro avevo già controllato e non dava interruzioni rimusarato era interrotto, risaldato montato funziona quindi il problema era quella saldatura, rifatta risolto
inspiegabilmente ha ripreso a funzionare anche il trasformatore originale,
Grazie ancora a tutti per la disponibilità dimostrata e anche se un po in anticipo buone festività a tutti
Grazie ancora a tutti per la disponibilità dimostrata e anche se un po in anticipo buone festività a tutti
0
voti
Mi fa piacere che hai risolto e che adesso funziona tutto come prima. saluti Antonio
-

elektronik
7.800 4 6 7 - Master

- Messaggi: 3836
- Iscritto il: 12 mag 2015, 22:26
0
voti
Tutto é bene, ciò che finisce bene,al anche se poteFo rimanere oFFeso...
- Codice: Seleziona tutto
[code=php]per il codice a colori[/code]
29 messaggi
• Pagina 3 di 3 • 1, 2, 3
Torna a Costruzione, riparazione, riutilizzo
Chi c’è in linea
Visitano il forum: Nessuno e 70 ospiti

Elettrotecnica e non solo (admin)
Un gatto tra gli elettroni (IsidoroKZ)
Esperienza e simulazioni (g.schgor)
Moleskine di un idraulico (RenzoDF)
Il Blog di ElectroYou (webmaster)
Idee microcontrollate (TardoFreak)
PICcoli grandi PICMicro (Paolino)
Il blog elettrico di carloc (carloc)
DirtEYblooog (dirtydeeds)
Di tutto... un po' (jordan20)
AK47 (lillo)
Esperienze elettroniche (marco438)
Telecomunicazioni musicali (clavicordo)
Automazione ed Elettronica (gustavo)
Direttive per la sicurezza (ErnestoCappelletti)
EYnfo dall'Alaska (mir)
Apriamo il quadro! (attilio)
H7-25 (asdf)
Passione Elettrica (massimob)
Elettroni a spasso (guidob)
Bloguerra (guerra)




