Può essere una buona idea?
Circuito lampadina LED
Moderatori:
carloc,
g.schgor,
BrunoValente,
IsidoroKZ
27 messaggi
• Pagina 2 di 3 • 1, 2, 3
0
voti
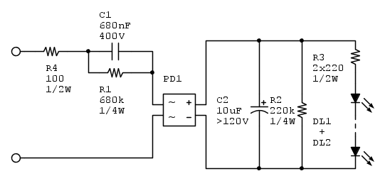
Se fosse ad esempio da introdurre un diodo zener e relativa resistenza? Si potrebberò attenuare ulteriormente eventuali transienti, e la tensione che arriverebbe ai LED sarebbe più stabile.
Può essere una buona idea?
Può essere una buona idea?
"La teoria attrae la pratica come il magnete attrae il ferro" C. Gauss
Seguitemi anche su youtube, un saluto da AT
https://www.youtube.com/c/atlaboratory
Seguitemi anche su youtube, un saluto da AT
https://www.youtube.com/c/atlaboratory
2
voti
SerTom ha scritto:La "caduta capacitiva" funziona bene se la "rete" mantiene la forma d'onda perfettamente sinusoidale, in caso contrario ... la corrente (definita dalla capacità (valore ???) è senza controllo !
Non e` proprio cosi`. Se si usa solo la capacita` in serie al carico e` vero che la capacita` da` una corrente che e` la derivata della tensione e quindi possono esserci problemi. Ma se il carico lavora sul valor medio della corrente, ad esempio perche' dopo c'e` un condensatore, allora l'unico valore importante per la corrente e` il valore picco picco della tensione di ingresso, la forma d'onda non e` importante.
Se guardi l'articolo che avevo indicato, nella sezione considerazioni della limitazione a condensatore e corrente pulsante, e` indicato questo problema. Ma nella successiva sezione, Regolazione a capacita`, corrente costante, vedi che il problema e` analizzato, anche in presenza di surge, e non ci sono controindicazioni. Il valore della capacita` di limitazione della corrente non dipende dalla forma d'onda. Se poi si vuole aggiungere una resistenza in serie alla stringa di led, magari per metterne due in parallelo, la sovracorrente e` ancora minore.
Il conto della capacita` che e` indipendente dalla forma d'onda se l'uscita e` mediata e` fatto anche qui
Per usare proficuamente un simulatore, bisogna sapere molta più elettronica di lui
Plug it in - it works better!
Il 555 sta all'elettronica come Arduino all'informatica! (entrambi loro malgrado)
Se volete risposte rispondete a tutte le mie domande
Plug it in - it works better!
Il 555 sta all'elettronica come Arduino all'informatica! (entrambi loro malgrado)
Se volete risposte rispondete a tutte le mie domande
0
voti
Leggendo gli articoli consigliati ho modificato il circuito:
- Messi in serie tutti i LED in un unica catena con tensione di ca. 105V;
- Aggiunte resistenze R2 ed R4, la prima per scaricar C2 e abbassare la tensione nel momento dello spegnimento, la seconda per aumentare la resistenza serie complessiva, e quindi ridurre gli effetti che si dicevano sulle variazioni della tensione di ingresso.
"La teoria attrae la pratica come il magnete attrae il ferro" C. Gauss
Seguitemi anche su youtube, un saluto da AT
https://www.youtube.com/c/atlaboratory
Seguitemi anche su youtube, un saluto da AT
https://www.youtube.com/c/atlaboratory
2
voti
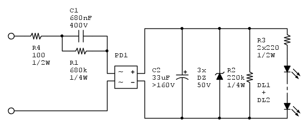
Per C2 metterei anche un 22uF o 47uF, 160V e in parallelo al condensatore metti uno zener da 150V 5W: se un led si brucia o si stacca e la catena si spegne, con lo zener il condensatore Co non esplode 
Per usare proficuamente un simulatore, bisogna sapere molta più elettronica di lui
Plug it in - it works better!
Il 555 sta all'elettronica come Arduino all'informatica! (entrambi loro malgrado)
Se volete risposte rispondete a tutte le mie domande
Plug it in - it works better!
Il 555 sta all'elettronica come Arduino all'informatica! (entrambi loro malgrado)
Se volete risposte rispondete a tutte le mie domande
0
voti
Esatto, come suggerito e ragionato qui metto lo schema definito che andrò a collaudare a breve.
Poi vi riporterò i rislutati.
Per il C2 ho indicato 33uF, poi valuterò in base a quello che ho a disposizione il laboratorio, come i 3 diodi zener da 50V.
Intanto un grazie a tutti per la disponibilità!
Poi vi riporterò i rislutati.
Per il C2 ho indicato 33uF, poi valuterò in base a quello che ho a disposizione il laboratorio, come i 3 diodi zener da 50V.
Intanto un grazie a tutti per la disponibilità!
"La teoria attrae la pratica come il magnete attrae il ferro" C. Gauss
Seguitemi anche su youtube, un saluto da AT
https://www.youtube.com/c/atlaboratory
Seguitemi anche su youtube, un saluto da AT
https://www.youtube.com/c/atlaboratory
1
voti
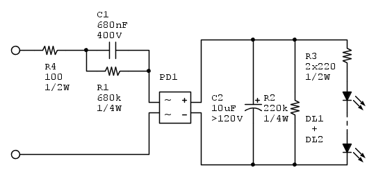
Funzionante, e perfettamente tarato.
Al posto di C1 da 680nF ho usato due condensatori da 330nF,e la corrente che scorre nei diodi è esattamente 25mA, come desiderato.
Grazie a tutti, per l'aiuto!
Al posto di C1 da 680nF ho usato due condensatori da 330nF,e la corrente che scorre nei diodi è esattamente 25mA, come desiderato.
Grazie a tutti, per l'aiuto!
"La teoria attrae la pratica come il magnete attrae il ferro" C. Gauss
Seguitemi anche su youtube, un saluto da AT
https://www.youtube.com/c/atlaboratory
Seguitemi anche su youtube, un saluto da AT
https://www.youtube.com/c/atlaboratory
1
voti
Aletox ha scritto:Funzionante, e perfettamente tarato.
Ma devi accendere 2 strisce di led ... a casa tua; oppure realizzare una soluzione che può essere replicata in migliaia di pezzi, venduta a professionisti, ed essere del tutto affidabile ?
Bye
Ser.Tom0
voti
Allora, la soluzione è per dei LED che uno zio mi ha chiesto di alimentare. Quindi è fatta su misura per questo caso specifico, che è una sorta di quadro retroilluminato a LED.
Per quanto riguarda l'affidabilità, questo circuito non dovrebbe dar problemi. Per altro, con ancora meno componenti, era la stessa cosa che ho trovato in una lampadina a LED rotta.
Per quanto riguarda l'affidabilità, questo circuito non dovrebbe dar problemi. Per altro, con ancora meno componenti, era la stessa cosa che ho trovato in una lampadina a LED rotta.
"La teoria attrae la pratica come il magnete attrae il ferro" C. Gauss
Seguitemi anche su youtube, un saluto da AT
https://www.youtube.com/c/atlaboratory
Seguitemi anche su youtube, un saluto da AT
https://www.youtube.com/c/atlaboratory
0
voti
si molte lampadine "a pannocchia" hanno quel tipo di circuito di alimentazione.
Faccio solo una critica alla scelta di alimentare tutti i LED in serie, ma forse mi sbaglio e se è così correggetemi.
Questi circuiti sono già potenzialmente pericolosi perché non isolati da rete. Quindi se per esempio uno dovesse toccare con una mano un punto del circuito potrebbe subire folgorazione se non isolato da terra.
Alimentandoli tutti in serie a mio avviso si aggiunge un altro rischio forse maggiore, l'esistenza di una tensione continua superiore ai classici 40-50V "di sicurezza", in questo caso addirittura 100V e più.
Che ne dite?
Faccio solo una critica alla scelta di alimentare tutti i LED in serie, ma forse mi sbaglio e se è così correggetemi.
Questi circuiti sono già potenzialmente pericolosi perché non isolati da rete. Quindi se per esempio uno dovesse toccare con una mano un punto del circuito potrebbe subire folgorazione se non isolato da terra.
Alimentandoli tutti in serie a mio avviso si aggiunge un altro rischio forse maggiore, l'esistenza di una tensione continua superiore ai classici 40-50V "di sicurezza", in questo caso addirittura 100V e più.
Che ne dite?
0
voti
Da Wikipedia:
Sebbene la pericolosità di uno shock elettrico sia definita dall'intensità della corrente elettrica, ai fini pratici si preferisce definire soglie di tensione di rischio. In base alla norma tecnica IEC 60479-1 la soglia di tensione minima considerata pericolosa è di 120 V in corrente continua e 50 V in corrente alternata
Wikipedia non è Vangelo, ma visto che riporta una norma.......
E qui http://www.legrand.com/files/fck/File/p ... X29010.pdf ci sono dei grafici che, più coerentemente, riportano gli effetti della corrente e del tempo.
Sebbene la pericolosità di uno shock elettrico sia definita dall'intensità della corrente elettrica, ai fini pratici si preferisce definire soglie di tensione di rischio. In base alla norma tecnica IEC 60479-1 la soglia di tensione minima considerata pericolosa è di 120 V in corrente continua e 50 V in corrente alternata
Wikipedia non è Vangelo, ma visto che riporta una norma.......
E qui http://www.legrand.com/files/fck/File/p ... X29010.pdf ci sono dei grafici che, più coerentemente, riportano gli effetti della corrente e del tempo.
-

FedericoSibona
5.022 3 5 8 - Master

- Messaggi: 3951
- Iscritto il: 19 mar 2013, 11:43
27 messaggi
• Pagina 2 di 3 • 1, 2, 3
Chi c’è in linea
Visitano il forum: Nessuno e 268 ospiti

Elettrotecnica e non solo (admin)
Un gatto tra gli elettroni (IsidoroKZ)
Esperienza e simulazioni (g.schgor)
Moleskine di un idraulico (RenzoDF)
Il Blog di ElectroYou (webmaster)
Idee microcontrollate (TardoFreak)
PICcoli grandi PICMicro (Paolino)
Il blog elettrico di carloc (carloc)
DirtEYblooog (dirtydeeds)
Di tutto... un po' (jordan20)
AK47 (lillo)
Esperienze elettroniche (marco438)
Telecomunicazioni musicali (clavicordo)
Automazione ed Elettronica (gustavo)
Direttive per la sicurezza (ErnestoCappelletti)
EYnfo dall'Alaska (mir)
Apriamo il quadro! (attilio)
H7-25 (asdf)
Passione Elettrica (massimob)
Elettroni a spasso (guidob)
Bloguerra (guerra)







