Cos'è ElectroYou | Login Iscriviti

ElectroYou - la comunità dei professionisti del mondo elettrico

Sostituzione termostato meccanico con digitale

Progettazione, esercizio, manutenzione, sicurezza, leggi, normative...

Moderatori: Foto Utentesebago, Foto UtenteMASSIMO-G, Foto Utentelillo, Foto UtenteMike

0
voti

[1] Sostituzione termostato meccanico con digitale

Messaggioda Foto Utentetecfil » 13 dic 2015, 11:47

Ciao a tutti!

Ho letto diversi messaggi ma prima di procedere vorrei chiedervi un'informazione :mrgreen:

Devo sostituire il mio vecchio termostato meccanico che si è guastato con uno nuovo digitale (fantini cosmi ch115, non cronotermostato). All'attuale termostato arrivano 3 cavi, uno nero, uno marrone e uno blu.

I collegamenti sono effettuati in questo modo:
Contatto 1: filo nero
Contatto 2: filo blu
Ponte tra 2 e 5: filo blu
Contatto 6: filo marrone

Il vecchio termostato è alimentato con la 220 V, mentre il nuovo viene alimentato con due normali pile.

Provando con il tester ho visto che sul contatto 1-2 misura sempre la 220 V, mentre se provo il pin 5-6 con termostato spento segna la 220 V, mentre a termostato acceso segna 0V.

Lo schema nuovo del fantini cosmi invece è quello allegato, in cui viene detto di lasciare libero da tensione il contatto in commutazione.
Schermata 2015-12-13 alle 10.37.14.png
Schermata 2015-12-13 alle 10.37.14.png (17.72 KiB) Osservato 19857 volte


Ora dato che non ho nessuno schema del vecchio termostato e non lo trovo nemmeno sul sito del produttore, il cavo da isolare è quello nero della fase?

Grazie per l'aiuto
Buona giornata
Ciao :D
Il colmo per un elettricista? Essere isolato :D
Avatar utente
Foto Utentetecfil
327 1 5 6
Stabilizzato
Stabilizzato
 
Messaggi: 440
Iscritto il: 2 lug 2013, 21:41

1
voti

[2] Re: Sostituzione termostato meccanico con digitale

Messaggioda Foto UtenteFranco012 » 13 dic 2015, 12:16

Se ho interpretato bene quello che hai detto, il collegamento va fatto ai morsetti n. 1 e n. 4 (aperti quando l'impianto di riscaldamento è spento) del nuovo termostato, collegandoci il filo marrone e il filo blu.
Il nero lascialo isolato (puoi tagliare la parte di rame che sporge dalla guaina e per sicurezza metterci un morsetto, in modo che non vada accidentalmente in contatto con altre parti).
tecfil ha scritto:Lo schema nuovo del fantini cosmi invece è quello allegato, in cui viene detto di lasciare libero da tensione il contatto in commutazione.

Non è esattamente così. Nelle istruzioni c'è scritto che i contatti per la commutazione sono liberi da tensione. E' una cosa diversa.
Avatar utente
Foto UtenteFranco012
5.842 3 4 8
G.Master EY
G.Master EY
 
Messaggi: 2713
Iscritto il: 8 ago 2015, 19:40
Località: Sardegna

0
voti

[3] Re: Sostituzione termostato meccanico con digitale

Messaggioda Foto Utentemaxx » 13 dic 2015, 13:17

Mi chiedo come mai sul meccanico arrivano 3 fili (suppongo COM-NO-NC), sul mio Lafayette (che posso consigliare perché lavora egregiamente da anni) arrivano 2 fili, se ben ricordo il contatto N.O.
I 3 fili te li ritrovi tutti collegati nella caldaia?
Prima di fare il collegamento puoi comunque provare accensione e spegnimento toccando assieme i fili
Avatar utente
Foto Utentemaxx
261 4
Frequentatore
Frequentatore
 
Messaggi: 135
Iscritto il: 15 apr 2012, 20:28

0
voti

[4] Re: Sostituzione termostato meccanico con digitale

Messaggioda Foto UtenteFranco012 » 13 dic 2015, 14:07

I tre fili che arrivano sul termostato sono l'alimentazione a 230 volt (fase + neutro) utile, ad esempio, per accendere una lampadina che segnala quando l'impianto di riscaldamento è acceso o spento, mentre il terzo filo è quello che fornisce alimentazione elettrica alla caldaia.
Solitamente la caldaia è già alimentata dal neutro, e la fase viene "fornita" dal termostato, che la preleva dall'alimentazione a 230 volt presente (vedi figura), ma può verificarsi anche il contrario, ossia che la caldaia venga sempre alimentata dalla fase, e il neutro venga fornito dal termostato.

Collegamento caldaia con termostato.jpg
Collegamento caldaia - termostato
Collegamento caldaia con termostato.jpg (18.54 KiB) Osservato 19800 volte

Ovviamente, nel caso in cui il termostato sia alimentato separatamente (da batterie) sono sufficienti due soli contatti (normalmente aperti), che fanno capo ai due fili che vanno alla caldaia.
Se il termostato dovesse servire per attivare il raffrescamento anziché il riscaldamento, sarebbe sufficiente utilizzare i morsetti dei contatti normalmente chiusi anziché quelli normalmente aperti.
Avatar utente
Foto UtenteFranco012
5.842 3 4 8
G.Master EY
G.Master EY
 
Messaggi: 2713
Iscritto il: 8 ago 2015, 19:40
Località: Sardegna

0
voti

[5] Re: Sostituzione termostato meccanico con digitale

Messaggioda Foto Utentemaxx » 13 dic 2015, 14:57

Il circuito che hai postato serve a dare e togliere alimentazione alla caldaia; non sono un impiantista quindi parlo da ignorante ma questo non mi esime dall'esprimere dubbi :mrgreen:
Dubito che quel circuito sia applicabile ad una caldaia moderna che vuole un contatto di controllo in ingresso per partire e fermare il bruciatore, e non la tensione di alimentazione a tutta la caldaia.
Perlomeno anche la prima che ho avuto, che ora vrebbe quasi 30 anni aveva un termostato meccanico con due fili (che non ho mai visto funzionare) e svolgeva la funzione di contatto di controllo per abilitare/disabilitare la partenza, non quella di dare e togliere tensione alla caldaia. sono gli stessi due fili che poi ho utilizzato con il termostato digitale alimentato a batterie
Avatar utente
Foto Utentemaxx
261 4
Frequentatore
Frequentatore
 
Messaggi: 135
Iscritto il: 15 apr 2012, 20:28

0
voti

[6] Re: Sostituzione termostato meccanico con digitale

Messaggioda Foto Utentetecfil » 13 dic 2015, 15:13

Ciao!

Prima di pranzo ho fatto tutti i collegamenti e come mi aveva suggerito @Franco012 nel primo post e tutto funziona correttamente.

Col tester ho verificato le tensioni, in pratica il filo nero come ipotizzato forniva la 230V al termostato per funzionare, il filo blu è il neutro e il filo marrone è quello della caldaia.

Il filo nero l'ho isolato, mentre gli altri due li ho collegati uno all'ingresso 2 e l'altro all'ingresso 1 e tutto funziona correttamente :ok: :D

Il termostato ho scelto questo della Fantini Cosmi perché sapevo essere una buona marca, della Lafayette ho invece il multimetro digitale :mrgreen: Però visto che arrivava la tensione della 230 facevo bene a prendere il modello 115R che è autoalimentato e non occorrono le batterie nel termostato

Adesso il prossimo passo sarà quello di eliminare i vecchi orologi dalla centralina della caldaia perché ogni mese devo regolarli, ormai con questi termostati digitali si riesce a farne a meno.

Per eliminare gli orologi in teoria mi basta collegare i due fili che giungono dal termostato direttamente all'elettrovalvola senza dover passare prima dall'orologio giusto?

Ciao e grazie ancora per l'aiuto :D
Il colmo per un elettricista? Essere isolato :D
Avatar utente
Foto Utentetecfil
327 1 5 6
Stabilizzato
Stabilizzato
 
Messaggi: 440
Iscritto il: 2 lug 2013, 21:41

0
voti

[7] Re: Sostituzione termostato meccanico con digitale

Messaggioda Foto Utentemaxx » 13 dic 2015, 15:35

OK, siccome navigo ancora in alto mare chiedo l'intervento chiarificatore di Foto UtenteFranco012
1) è possibile che il mio vecchio termostato meccanico (e non eletromeccanico) non richiedesse alimentazione? perché io l'ho ereditato non funzionante ma ci arrivavano solo 2 fili
2) da quanto ho capito il vecchio collegamento di Foto Utentetecfil era diverso dallo schema di Foto UtenteFranco012 in quanto quest'ultimo serve a portare la tensione di rete alla candaia mentre quello originale di tecfil serviva ad alimentare con la tensione di rete il termostato ma a portare alla caldaia solo un contatto. D'altra parte non sono stati modificati i collegamenti sul lato caldaia e non posso pensare che laddove ora arriva un contatto NO prima ci arrivassero 220 V
Confido nel chairimento di questi due dubbi :D
Avatar utente
Foto Utentemaxx
261 4
Frequentatore
Frequentatore
 
Messaggi: 135
Iscritto il: 15 apr 2012, 20:28

0
voti

[8] Re: Sostituzione termostato meccanico con digitale

Messaggioda Foto Utentetecfil » 13 dic 2015, 17:10

Ciao

Aspettiamo anche l'intervento di franco, ma secondo me per la risposta 1 è si, da quello che ho potuto leggere in diversi manuali prima di scegliere il termostato, quello solo meccanico ha due collegamenti, uno della fase proveniente dalla caldaia e uno del neutro, quando il termostato entra in funzione il contatto si chiude e quindi aziona l'elettrovalvola.

Per la seconda domanda in pratica io avevo anche la linea della 220 V che mi alimentava il termostato, con il nuovo modello invece non è più necessaria in quanto viene autoalimentato da due batterie, e quindi torniamo ancora al collegamento con 2 fili. Comunque la tensione utilizzata è sempre 220 V.

Ciao :D
Il colmo per un elettricista? Essere isolato :D
Avatar utente
Foto Utentetecfil
327 1 5 6
Stabilizzato
Stabilizzato
 
Messaggi: 440
Iscritto il: 2 lug 2013, 21:41

3
voti

[9] Re: Sostituzione termostato meccanico con digitale

Messaggioda Foto UtenteFranco012 » 13 dic 2015, 21:14

Cercherò di fare un po' di chiarezza:
La caldaia, per accendersi, ha necessità che su due particolari morsetti (chiamiamoli "F" e "N") arrivi una tensione da 230 volt, cosa che nella stragrande maggioranza degli impianti in Italia si ottiene con un conduttore di fase da 230 volt e un conduttore neutro. Che questa tensione serva ad alimentare tutte le parti della caldaia o solo il circuito di comando dell'accensione ha in questo caso scarsa importanza ai fini di comprendere il funzionamento del tutto.
In genere (come mostrato nella figura) il neutro è permanentemente collegato al morsetto "N", quindi per accendere la caldaia basterà collegare la fase al morsetto che abbiamo chiamato "F". Questa fase può essere prelevata dall'alimentazione elettrica della stessa caldaia, fatta "passare" per i contatti del termostato (che a riposo sono aperti - ossia contatti del tipo "NO") e rientrare al morsetto "F". In questo modo, al termostato arrivano due soli cavi, che vengono cortocircitati dal termostato quando questo chiude meccanicamente i suoi contatti in base alla differenza tra la temperatura ambiente e quella impostata dall'utente.
Ora, se nel contenitore del termostato ho una tradizionale lampadina a filamento, e voglio che la lampadina si accenda quando il termostato chiude i suoi contatti, ho bisogno di avere presente nel contenitore del termostato anche il neutro, in quanto con la sola fase non posso far accendere la lampadina. Ecco allora spiegato perché l'impiantista abbia fatto arrivare un terzo cavo (il neutro) nel contenitore del termostato.
Nei moderni termostati alimentati a batteria, questo terzo filo non serve a niente, in quanto l'alimentazione per il relé, l'eventuale display e lucette varie viene fornita dalle batterie inserite nel termostato.
Se non mi sono spiegato sufficientemente, chiedete.
Avatar utente
Foto UtenteFranco012
5.842 3 4 8
G.Master EY
G.Master EY
 
Messaggi: 2713
Iscritto il: 8 ago 2015, 19:40
Località: Sardegna

3
voti

[10] Re: Sostituzione termostato meccanico con digitale

Messaggioda Foto UtenteFranco012 » 13 dic 2015, 21:43

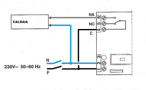
Vediamo nel dettaglio il funzionamento con i tre fili:

Collegamento caldaia con termostato.jpg
Collegamenti
Collegamento caldaia con termostato.jpg (18.54 KiB) Osservato 19702 volte

Tramite un interruttore generale a due poli, il neutro, in colore blu e indicato con "N" arriva sia alla caldaia, sia al termostato (morsetto n. 2).
La fase, indicata con "F", arriva al termostato (sempre tramite l'interruttore generale) ad entrambi i morsetti n. 1 e, con un ponte, al n. 4.
Quando la temperatura ambiente si abbassa oltre il limite impostato dall'utente, il termostato chiude i contatti n. 4 e n. 6 (che a riposo sono aperti), permettendo alla fase "F" di raggiungere la caldaia.
Una volta raggiunta la temperatura impostata, il termostato apre i contatti n. 4 e n. 6 e l'impianto di riscaldamento si spegne.
Ai morsetti n. 1 e n. 2 ho sempre disponibile la tensione di 230 volt, che posso utilizzare per alimentare il termostato stesso, qualora vi sia questa necessità.
Una lampadina che indichi quando l'impianto è acceso dovrebbe essere collegata tra il morsetto n. 2 e il morsetto n. 6.
Avatar utente
Foto UtenteFranco012
5.842 3 4 8
G.Master EY
G.Master EY
 
Messaggi: 2713
Iscritto il: 8 ago 2015, 19:40
Località: Sardegna

Prossimo

Torna a Impianti, sicurezza e quadristica

Chi c’è in linea

Visitano il forum: Nessuno e 41 ospiti