Esercizio sulle linee di trasmissione.
Moderatori:
g.schgor,
IsidoroKZ
14 messaggi
• Pagina 1 di 2 • 1, 2
0
voti
Ciao, sto studiando per l'elese di elettrotecnica per ingegneria elettrica e mi sono imbattuto in un esercizio che non riesco a risolvere.
Posto direttamente una foto con testo e immagine dell'esercizio in modo da essere più chiaro possibile. Girando un po' su internet ho visto che un modo per risolverlo è quello di traformare il circuito in un circuito equivalente thevenin, ma non ho capito nulla su come procedere.
Potete aiutarmi? Grazie.
Posto direttamente una foto con testo e immagine dell'esercizio in modo da essere più chiaro possibile. Girando un po' su internet ho visto che un modo per risolverlo è quello di traformare il circuito in un circuito equivalente thevenin, ma non ho capito nulla su come procedere.
Potete aiutarmi? Grazie.
-

dadothebest
24 2 7 - Frequentatore

- Messaggi: 229
- Iscritto il: 25 nov 2013, 17:13
- Località: Ascoli Piceno
5
voti
Tu aiutaci in due modi.
In primo luogo fai uno schema con fidocadj, mettendo i valori dei vari parametri sullo schema.
In secondo luogo dicci come modellate le linee reali con perdite: L, T, doppi bipoli, sistemi distribuiti, derivate parziali, carta di Smith?
In primo luogo fai uno schema con fidocadj, mettendo i valori dei vari parametri sullo schema.
In secondo luogo dicci come modellate le linee reali con perdite: L, T, doppi bipoli, sistemi distribuiti, derivate parziali, carta di Smith?
Per usare proficuamente un simulatore, bisogna sapere molta più elettronica di lui
Plug it in - it works better!
Il 555 sta all'elettronica come Arduino all'informatica! (entrambi loro malgrado)
Se volete risposte rispondete a tutte le mie domande
Plug it in - it works better!
Il 555 sta all'elettronica come Arduino all'informatica! (entrambi loro malgrado)
Se volete risposte rispondete a tutte le mie domande
0
voti
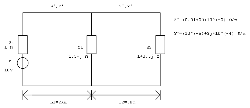
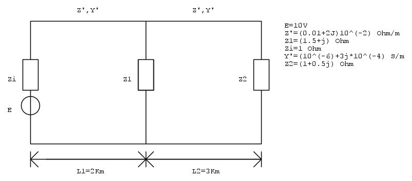
L'esercizio riportato su fidocadj è il seguente:
Questo tipo di esercizi il professore li risolve utilizzando i doppi bipoli, non so altro perché non ci ha fatto vedere nessun esercizio, solo un esempio in teoria risolto con i doppi bipoli.
EDIT: non riesco a mettere il codice fidocadj come immagine, come lo devo incorporare nel forum?
Questo tipo di esercizi il professore li risolve utilizzando i doppi bipoli, non so altro perché non ci ha fatto vedere nessun esercizio, solo un esempio in teoria risolto con i doppi bipoli.
EDIT: non riesco a mettere il codice fidocadj come immagine, come lo devo incorporare nel forum?
Ultima modifica di
Sjuanez il 1 dic 2015, 21:26, modificato 1 volta in totale.
Motivazione: sistemato schema in FidoCadJ
Motivazione: sistemato schema in FidoCadJ
-

dadothebest
24 2 7 - Frequentatore

- Messaggi: 229
- Iscritto il: 25 nov 2013, 17:13
- Località: Ascoli Piceno
0
voti
dadothebest ha scritto:EDIT: non riesco a mettere il codice fidocadj come immagine, come lo devo incorporare nel forum?
Avevi fatto quasi bene, l'unica cosa che mancava erano i tag che ottieni premendo il pulsante fcd. Tra quei tag copi il codice.
Buono studio e buon esame!

Più so e più mi accorgo di non sapere.
Qualsiasi cosa abbia scritto, tieni presente che sono ancora al mio primo rocchetto di stagno.
Qualsiasi cosa abbia scritto, tieni presente che sono ancora al mio primo rocchetto di stagno.
2
voti
Quasi ottimo il disegno, metti i valori vicino ai componenti
Se non sai quali doppi bipoli usate, diventa difficile dire come fare. Sembrerebbe che debba trovare la rappresentazione a doppio bipolo del pezzo di linea, ma ci sono circa 6 rappresentazioni a doppio bipolo, che cosa avete usato?
Segue una cattiveria: se non hai proprio mai seguito il corso o non lo hai mai studiato, diventa difficile immaginare come risolvete i problemi.
Qui ci vuole uno che sappia bene queste cose: invochiamo
admin!
Se non sai quali doppi bipoli usate, diventa difficile dire come fare. Sembrerebbe che debba trovare la rappresentazione a doppio bipolo del pezzo di linea, ma ci sono circa 6 rappresentazioni a doppio bipolo, che cosa avete usato?
Segue una cattiveria: se non hai proprio mai seguito il corso o non lo hai mai studiato, diventa difficile immaginare come risolvete i problemi.
Qui ci vuole uno che sappia bene queste cose: invochiamo
Per usare proficuamente un simulatore, bisogna sapere molta più elettronica di lui
Plug it in - it works better!
Il 555 sta all'elettronica come Arduino all'informatica! (entrambi loro malgrado)
Se volete risposte rispondete a tutte le mie domande
Plug it in - it works better!
Il 555 sta all'elettronica come Arduino all'informatica! (entrambi loro malgrado)
Se volete risposte rispondete a tutte le mie domande
3
voti
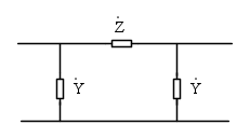
Si potrebbero rappresentare le due linee con il circuito a
equivalente
con

dove
è la lunghezza della linea mentre
e
sono l'impedenza e l'ammettenza unitarie della linea.
Si arriva quindi al circuito
che si può risolvere con i soliti metodi sulle reti.
I calcoli li lascio fare al nostro
dadothebest
equivalentecon

dove
è la lunghezza della linea mentre
e
sono l'impedenza e l'ammettenza unitarie della linea.Si arriva quindi al circuito
che si può risolvere con i soliti metodi sulle reti.
I calcoli li lascio fare al nostro
0
voti
Chiedo scusa per aver risposto così tardi ma le ultime due settimane sono state molto intense all'università e ho dovuto abbandonare temporaneamente elettrotecnica.
Voglio ringraziarvi per l'aiuto che mi state dando, forse grazie a voi riuscirò a passare l'esame
Avrei un paio di dubbi sulla risoluzione scritta da
admin (chiedo venia se possano sembrare banali
)
Quando rappresenti la linea come due circuiti
, come fai ad arrivare alla rappresentazione in
, cioè quali ammettenze e impedenze inserisci dal circuito originale?
Il mio professore quando ci ha spiegato i doppi bipoli, ha composto il bipolo in questo modo:
e illustrato la formula di risoluzione:

quando scrivi:
con "A" e "B" intendi quelle nel disegno che ho fatto prima?
Nel circuito:
cosa sono "Zi","Ya",ecc...., come faccio a calcolarle?
Ultimissima cosa, quando tu scrivi ad esempio
con il puntino sopra la lettera, indica la stessa cosa di
?
Grazie ancora.
Voglio ringraziarvi per l'aiuto che mi state dando, forse grazie a voi riuscirò a passare l'esame
Avrei un paio di dubbi sulla risoluzione scritta da
Quando rappresenti la linea come due circuiti
, come fai ad arrivare alla rappresentazione in
, cioè quali ammettenze e impedenze inserisci dal circuito originale? Il mio professore quando ci ha spiegato i doppi bipoli, ha composto il bipolo in questo modo:
e illustrato la formula di risoluzione:

quando scrivi:
admin ha scritto:con
doveè la lunghezza della linea mentre
e
sono l'impedenza e l'ammettenza unitarie della linea.
con "A" e "B" intendi quelle nel disegno che ho fatto prima?
Nel circuito:
cosa sono "Zi","Ya",ecc...., come faccio a calcolarle?
Ultimissima cosa, quando tu scrivi ad esempio
con il puntino sopra la lettera, indica la stessa cosa di
?Grazie ancora.
-

dadothebest
24 2 7 - Frequentatore

- Messaggi: 229
- Iscritto il: 25 nov 2013, 17:13
- Località: Ascoli Piceno
1
voti
Con A e B intendo quello che ho scritto e sono i parametri della matrice del quadripolo di trasmissione che rappresenta una linea.
Ya è la Y della linea a ed Yb quella della linea b è così per Z. Le calcoli con le formule che ho scritto. La z e la y minuscole sono impedenza ed ammettenza unitarie della linea
Il puntino sopra sta ad indicare il numero complesso che rappresenta il fasore.
Ya è la Y della linea a ed Yb quella della linea b è così per Z. Le calcoli con le formule che ho scritto. La z e la y minuscole sono impedenza ed ammettenza unitarie della linea
Il puntino sopra sta ad indicare il numero complesso che rappresenta il fasore.
0
voti
Grazie tante ora è tutto chiaro. Ho provato a risolverlo e ho calcolato la corrente che genera il generatore (che passa anche per
ma non avendo le soluzioni non capisco se è giusto. Come potrei fare per simulare il circuito, magari partendo dal testo dell'esercizio e non dal circuito equivalente? Possiedo multisim ma per questi circuiti così complessi non lo so utilizzare 
ma non avendo le soluzioni non capisco se è giusto. Come potrei fare per simulare il circuito, magari partendo dal testo dell'esercizio e non dal circuito equivalente? Possiedo multisim ma per questi circuiti così complessi non lo so utilizzare -

dadothebest
24 2 7 - Frequentatore

- Messaggi: 229
- Iscritto il: 25 nov 2013, 17:13
- Località: Ascoli Piceno
0
voti
Piccola domanda, quando trasformi la rete in un circuito
viene fuori una induttanza
e due ammettanze
, quelle due ammettanze sono uguali tra loro? Chiedo perché nel libro vengono trattate come due ammettanze diverse e ogniuna di esse ha una formula per essere trovata differente.
Domanda di aiuto per il furum: perché a volte non posso editare l'ultima risposta da me inserita?
viene fuori una induttanza
e due ammettanze
, quelle due ammettanze sono uguali tra loro? Chiedo perché nel libro vengono trattate come due ammettanze diverse e ogniuna di esse ha una formula per essere trovata differente.Domanda di aiuto per il furum: perché a volte non posso editare l'ultima risposta da me inserita?
-

dadothebest
24 2 7 - Frequentatore

- Messaggi: 229
- Iscritto il: 25 nov 2013, 17:13
- Località: Ascoli Piceno
14 messaggi
• Pagina 1 di 2 • 1, 2
Torna a Elettrotecnica generale
Chi c’è in linea
Visitano il forum: Nessuno e 29 ospiti

Elettrotecnica e non solo (admin)
Un gatto tra gli elettroni (IsidoroKZ)
Esperienza e simulazioni (g.schgor)
Moleskine di un idraulico (RenzoDF)
Il Blog di ElectroYou (webmaster)
Idee microcontrollate (TardoFreak)
PICcoli grandi PICMicro (Paolino)
Il blog elettrico di carloc (carloc)
DirtEYblooog (dirtydeeds)
Di tutto... un po' (jordan20)
AK47 (lillo)
Esperienze elettroniche (marco438)
Telecomunicazioni musicali (clavicordo)
Automazione ed Elettronica (gustavo)
Direttive per la sicurezza (ErnestoCappelletti)
EYnfo dall'Alaska (mir)
Apriamo il quadro! (attilio)
H7-25 (asdf)
Passione Elettrica (massimob)
Elettroni a spasso (guidob)
Bloguerra (guerra)








