Semplice ricevitore per onde corte
Moderatori:
carloc,
g.schgor,
BrunoValente,
IsidoroKZ
36 messaggi
• Pagina 3 di 4 • 1, 2, 3, 4
2
voti
Dalle tue foto appare evidente che non ti sia preoccupato del fatto che si tratti di un circuito ad alta frequenza: i collegamenti sono troppo lunghi e il piano di massa sembra essere assente.
Intanto ho "convertito" quella specie di schema in qualcosa di più leggibile... e ora si vede bene quanto sia a dir poco improbabile.
Il difetto più evidente sta nella regolazione del guadagno del primo stadio che sposta il punto di lavoro dei transistor di bassa frequenza.
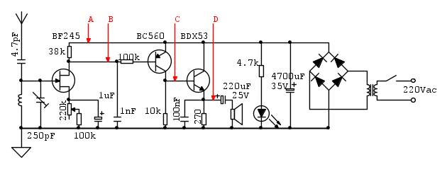
Comunque per ora non preoccupiamoci di questo e potresti misurare la tensione dei punti da A a D così possiamo renderci conto se hai commesso qualche errore nel montaggio: tester in Vdc, portata 200V, puntale nero sul meno e puntale rosso in sequenza sui punti da misurare.
Le quattro misure andrebbero eseguite con il potenziometro regolato per la massima resistenza, poi andrebbero ripetute con il potenziometro regolato grosso modo a metà corsa ed infine ancora ripetute con il potenziometro regolato per la minima resistenza. Tabellina con 12 valori.
Intanto ho "convertito" quella specie di schema in qualcosa di più leggibile... e ora si vede bene quanto sia a dir poco improbabile.
Il difetto più evidente sta nella regolazione del guadagno del primo stadio che sposta il punto di lavoro dei transistor di bassa frequenza.
Comunque per ora non preoccupiamoci di questo e potresti misurare la tensione dei punti da A a D così possiamo renderci conto se hai commesso qualche errore nel montaggio: tester in Vdc, portata 200V, puntale nero sul meno e puntale rosso in sequenza sui punti da misurare.
Le quattro misure andrebbero eseguite con il potenziometro regolato per la massima resistenza, poi andrebbero ripetute con il potenziometro regolato grosso modo a metà corsa ed infine ancora ripetute con il potenziometro regolato per la minima resistenza. Tabellina con 12 valori.
-

BrunoValente
39,6k 7 11 13 - G.Master EY

- Messaggi: 7796
- Iscritto il: 8 mag 2007, 14:48
1
voti
Scusate il ritardo ma ultimamente ho pochissimo tempo da dedicare a questo supermegafantastico hobby…ogni 3x2 mi chiamano…per lavoro però …almeno quello con i dovuti scongiuri…c'è…
Prima misurazione pot min
punto A 15.4
punto B 15.4
punto C 15.7
punto D 15.5
------------------------------°°°°°°000000°°°°°°--------------------------
Seconda misurazione pot medio
presenza di schiocco
punto A 15.9 / 16
punto B 15.9 / 16
punto C quando appoggio puntale schiocca e scende repentinamente da 11/12 fino a 5.9 e si ferma
punto D quando appoggio puntale schiocca e scende repentinamente da 11/12 fino a 5.9 e si ferma
------------------------------°°°°°°000000°°°°°°--------------------------
Terza misurazione pot max
punto A 16.3
punto B 16.3
punto C quando appoggio puntale schiocca e scende repentinamente da 11/12 fino a 6.1 e si ferma
punto D quando appoggio puntale schiocca e scende repentinamente da 11/12 fino a 5.8 e si ferma
quando tolgo alimentazione il led rimane acceso penso fino a che i condensatori da 4700 oppure quello da 470 non completano la scarica…almeno credo
shutup ha scritto:Comunque per ora non preoccupiamoci di questo e potresti misurare la tensione dei punti da A a D così possiamo renderci conto se hai commesso qualche errore nel montaggio: tester in Vdc, portata 200V, puntale nero sul meno e puntale rosso in sequenza sui punti da misurare.
Le quattro misure andrebbero eseguite con il potenziometro regolato per la massima resistenza, poi andrebbero ripetute con il potenziometro regolato grosso modo a metà corsa ed infine ancora ripetute con il potenziometro regolato per la minima resistenza.
Prima misurazione pot min
punto A 15.4
punto B 15.4
punto C 15.7
punto D 15.5
------------------------------°°°°°°000000°°°°°°--------------------------
Seconda misurazione pot medio
presenza di schiocco
punto A 15.9 / 16
punto B 15.9 / 16
punto C quando appoggio puntale schiocca e scende repentinamente da 11/12 fino a 5.9 e si ferma
punto D quando appoggio puntale schiocca e scende repentinamente da 11/12 fino a 5.9 e si ferma
------------------------------°°°°°°000000°°°°°°--------------------------
Terza misurazione pot max
punto A 16.3
punto B 16.3
punto C quando appoggio puntale schiocca e scende repentinamente da 11/12 fino a 6.1 e si ferma
punto D quando appoggio puntale schiocca e scende repentinamente da 11/12 fino a 5.8 e si ferma
quando tolgo alimentazione il led rimane acceso penso fino a che i condensatori da 4700 oppure quello da 470 non completano la scarica…almeno credo
0
voti

"Non farei mai parte di un club che accettasse la mia iscrizione" (G. Marx)
-

claudiocedrone
21,3k 4 7 9 - Master EY

- Messaggi: 15302
- Iscritto il: 18 gen 2012, 13:36
0
voti
Come dice Claudio…
sento un toc in altoparlante del resto lo sento anche quando arrivo a circa a metà dell'escursione del potenziometro e senza i puntali del tester…

sento un toc in altoparlante del resto lo sento anche quando arrivo a circa a metà dell'escursione del potenziometro e senza i puntali del tester…
0
voti
Bruno,
nelle foto del progetto ho notato che l'autore collega le masse tutte assieme facendo un polo unico negativo…collegando il tutto (ho notato un collegamento con bullone sulla destra del potenziometro) al pannello in metallo che usa come piano di massa…giusto ?
ho cercato in rete di documentarmi sul piano di massa…ma non ho fatto altro che confondermi le idee…visto che ho sempre pensato (come dici tu "erroneamente") che la massa elettronica corrisponda al negativo dell'alimentazione…
in pratica se dovessi montare l'"improbabile" ricevitore su di una basetta ramata…che dovrei usare come piano di massa ?…ma soprattutto che relazione c'è nella pratica…nella realtà…tra piano di massa e negativo dell'alimentazione ?
insomma…
esempio di una delle tante spiegazioni pratiche che ho trovato in rete…
codesta al seguente link
perché il circuito funzioni correttamente , la terra di tutti i componenti sulla scheda deve essere uguale alla terra di quella di alimentazione...GND
Un piano di massa è un pezzo di rame sul bordo che copre una vasta area . E 'una buona pratica per coprire tutti i posti sulla scheda che non contengono un componente o una traccia con il piano di massa . Una traccia è un sottile pezzo di rame sulla scheda che collega due componenti insieme . Si comporta come un filo di rame . Generalmente il piano di massa è costituito da entrambi i lati della scheda , ma il piano lato componenti viene talvolta mantenuta alla tensione di alimentazione mentre il piano sull'altro lato è collegato a massa . Il piano di massa deve essere collegato a tutti i pin di massa di componenti e connettori . Questo aiuta a mantenere la tensione di terra allo stesso livello per tutto il bordo .
codesta al seguente link :
http://it.gamehobbies.com/science-natur ... 85562.html
nelle foto del progetto ho notato che l'autore collega le masse tutte assieme facendo un polo unico negativo…collegando il tutto (ho notato un collegamento con bullone sulla destra del potenziometro) al pannello in metallo che usa come piano di massa…giusto ?
ho cercato in rete di documentarmi sul piano di massa…ma non ho fatto altro che confondermi le idee…visto che ho sempre pensato (come dici tu "erroneamente") che la massa elettronica corrisponda al negativo dell'alimentazione…
in pratica se dovessi montare l'"improbabile" ricevitore su di una basetta ramata…che dovrei usare come piano di massa ?…ma soprattutto che relazione c'è nella pratica…nella realtà…tra piano di massa e negativo dell'alimentazione ?
insomma…
esempio di una delle tante spiegazioni pratiche che ho trovato in rete…
codesta al seguente link
perché il circuito funzioni correttamente , la terra di tutti i componenti sulla scheda deve essere uguale alla terra di quella di alimentazione...GND
Un piano di massa è un pezzo di rame sul bordo che copre una vasta area . E 'una buona pratica per coprire tutti i posti sulla scheda che non contengono un componente o una traccia con il piano di massa . Una traccia è un sottile pezzo di rame sulla scheda che collega due componenti insieme . Si comporta come un filo di rame . Generalmente il piano di massa è costituito da entrambi i lati della scheda , ma il piano lato componenti viene talvolta mantenuta alla tensione di alimentazione mentre il piano sull'altro lato è collegato a massa . Il piano di massa deve essere collegato a tutti i pin di massa di componenti e connettori . Questo aiuta a mantenere la tensione di terra allo stesso livello per tutto il bordo .
codesta al seguente link :
http://it.gamehobbies.com/science-natur ... 85562.html
0
voti
Mi dispiace ma mi sa tanto che dobbiamo rinunciare: siamo lontani anni luce da una qualche parvenza di funzionamento.
Da quello che hai descritto credo che il colpo che senti quando ruti il potenziometro indichi la presenza di un'oscillazione che si innesca e/o si disinnesca nei transistor di bassa frequenza dovuta al pessimo schema strampalato e improvvisato ma anche al pessimo cablaggio che non è da meno o magari anche a qualche errore nei collegamenti non facile da scovare in mezzo a quella ragnatela..perché mai hai impasticciato tutto con la colla a caldo? E' davvero orribile.
Se vuoi ricevere qualche segnale sulle onde corte ti consiglio di realizzare qualcosa di più semplice, con al massimo un solo transistor come ad esempio un super-reattivo che sarebbe più adeguato alle tuo livello di preparazione e soprattutto di riferirti a progetti più affidabili con tanto di descrizione e di layout e di non fidarti ciecamente di quello che si può trovare in rete.
Da quello che hai descritto credo che il colpo che senti quando ruti il potenziometro indichi la presenza di un'oscillazione che si innesca e/o si disinnesca nei transistor di bassa frequenza dovuta al pessimo schema strampalato e improvvisato ma anche al pessimo cablaggio che non è da meno o magari anche a qualche errore nei collegamenti non facile da scovare in mezzo a quella ragnatela..perché mai hai impasticciato tutto con la colla a caldo? E' davvero orribile.
Se vuoi ricevere qualche segnale sulle onde corte ti consiglio di realizzare qualcosa di più semplice, con al massimo un solo transistor come ad esempio un super-reattivo che sarebbe più adeguato alle tuo livello di preparazione e soprattutto di riferirti a progetti più affidabili con tanto di descrizione e di layout e di non fidarti ciecamente di quello che si può trovare in rete.
-

BrunoValente
39,6k 7 11 13 - G.Master EY

- Messaggi: 7796
- Iscritto il: 8 mag 2007, 14:48
0
voti
Ti propongo questo schema come ripiego. Dovrebbe sicuramente funzionare.
Ho utilizzato lo schema di
E' poco sensibile, potresti usarlo per ascoltare la trasmissione sui 27 MHz di un CB vicino da casa (devi ridurre a un quarto il numero di spire della bobina, prova per tentativi).
Oppure aumenta le spire della bobina a 100 e l'adoperi per ascoltare le onde medie.
Se lo realizzi bene meccanicamente puoi usarlo come ondametro o modificarlo come misuratore di campo.
Un qualunque amplificatore per bassa frequenza potrebbe andare bene.
Potresti anche applicarlo all'amplificatore con i due transistor della tua radio originale (anche se è un circuito orrido
Buone prove.
Si potrebbe complicarlo leggermente prepolarizzando il diodo con una corrente tale da provocare un tensione ai suoi capi di circa 0,05 V, dovrebbe diventare più sensibile.
Dovresti curare vi collegamenti (saldandoli a stagno) fra la bobina e il condensatore variabile per ridurre la resistenza dei contatti e quindi ridurre le perdite.
0
voti
Va bene così…
grazie siete stati davvero gentili e pazienti…
Bruno hai ragione…ho visto diversi progetti dove il cablaggio è molto compatto e preciso…più si sale di frequenza più critico è l'assemblaggio della componentistica…ragion per cui…NUOVO OBBIETTIVO…leggere qualcosa di più e soprattutto coerentemente sulla RadioTecnica…che è materia per persone un po' più preparate…ma d'altronde la "gavetta" è essenziale…no ?
non mi hai risposto per quanto riguarda i piani di massa …puoi per favore fare un ultimo sforzo e spiegarmelo con esempi pratici ?…per favore te ne sarei grato…quando vuoi se puoi e se ne hai voglia naturalmente
Claudio…grazie per il circuitino…ho tutto l'occorrente compresi i diodi al germanio domani lo assemblo e ti fò sapere…sempre su codesto post

grazie siete stati davvero gentili e pazienti…
Bruno hai ragione…ho visto diversi progetti dove il cablaggio è molto compatto e preciso…più si sale di frequenza più critico è l'assemblaggio della componentistica…ragion per cui…NUOVO OBBIETTIVO…leggere qualcosa di più e soprattutto coerentemente sulla RadioTecnica…che è materia per persone un po' più preparate…ma d'altronde la "gavetta" è essenziale…no ?
non mi hai risposto per quanto riguarda i piani di massa …puoi per favore fare un ultimo sforzo e spiegarmelo con esempi pratici ?…per favore te ne sarei grato…quando vuoi se puoi e se ne hai voglia naturalmente
Claudio…grazie per il circuitino…ho tutto l'occorrente compresi i diodi al germanio domani lo assemblo e ti fò sapere…sempre su codesto post

36 messaggi
• Pagina 3 di 4 • 1, 2, 3, 4
Chi c’è in linea
Visitano il forum: Majestic-12 [Bot] e 138 ospiti

Elettrotecnica e non solo (admin)
Un gatto tra gli elettroni (IsidoroKZ)
Esperienza e simulazioni (g.schgor)
Moleskine di un idraulico (RenzoDF)
Il Blog di ElectroYou (webmaster)
Idee microcontrollate (TardoFreak)
PICcoli grandi PICMicro (Paolino)
Il blog elettrico di carloc (carloc)
DirtEYblooog (dirtydeeds)
Di tutto... un po' (jordan20)
AK47 (lillo)
Esperienze elettroniche (marco438)
Telecomunicazioni musicali (clavicordo)
Automazione ed Elettronica (gustavo)
Direttive per la sicurezza (ErnestoCappelletti)
EYnfo dall'Alaska (mir)
Apriamo il quadro! (attilio)
H7-25 (asdf)
Passione Elettrica (massimob)
Elettroni a spasso (guidob)
Bloguerra (guerra)


