
Friggitrice elettrica
18 messaggi
• Pagina 1 di 2 • 1, 2
0
voti
ciao a tutti, avrei una domanda riguardo una friggitrice professionale 400v 26 A ,chi è arrivato prima di me ha smontato tutto per fare alcune riparazioni e ha lasciato tutto alla rinfusa, l apparecchio è composto da termostato con commutatore , termostato di protezione, teleruttore , pulsante di sicurezza e resistenza, collego tutto quanto faccio partire e nulla, il teleruttore si arma , la corrente arriva alla resistenza ma nulla non ha intenzione di riscaldare, misuro la continuità della resistenza e sembra tutto ok....qualcuno mi sa dare un consiglio????? 

0
voti
quando scrivi che la corrente arriva alla resistenza, cosa intendi di preciso?
Ognuno sta solo sul cuor della terra
trafitto da un raggio di sole:
ed è subito sera
Salvatore Quasimodo
trafitto da un raggio di sole:
ed è subito sera
Salvatore Quasimodo
0
voti
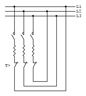
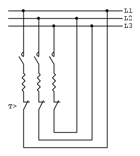
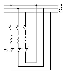
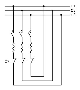
Si mi riferisco alla tensione, la resistenza e divisa in due, parte destra e parte sinistra, 3 fasi che dal telerut. vanno agli spinotti di sinistra mentre altre 3 fasi che escono dal termostato di protezione e vanno agli spinotti di destra, del tipo parte sinistra(l1-l2-l3) parte destra (l2-l3-l1), poi come e possibile che testando i contatti paralleli nn mi segna tensione mentre se scollego i conduttori e li misuro mi segna tensione?
0
voti
Hai fatto questo collegamento o ho capito male?
Ciao,
Dario
Ciao,
Dario
⋮ƎlectroYou e non smetti mai di imparare!
0
voti
si diciamo che ho provato tutte le combinazioni ma nulla, ho pensato alla resistenza partita ma il tester mi segnala la continuità quindi non capisco cosa mi sfugge , sopratutto com è possibile che se misuro i conduttori parallelamente collegati alla resistenza cioè ingresso e uscita di ogni serpentina(3) non mi da tensione mentre se misuro ingresso di una e uscita di un'altra o uscita e uscita o entrata e entrata mi da la tensione
0
voti
Sei sicuro di non avere collegato le resistenze in questo modo?
Ovvero se non misuri tensione sulla resistenza con contattore chiuso vuol dire che l'hai collegata sulla stessa fase.
Ciao,
Dario
Ovvero se non misuri tensione sulla resistenza con contattore chiuso vuol dire che l'hai collegata sulla stessa fase.
Ciao,
Dario
⋮ƎlectroYou e non smetti mai di imparare!
0
voti
no, ho ratto i cablaggi nuovi da 0 , era venuto anche a me quel dubbio ma ho ricontrollato più volte ma nulla, 3 fasi più neutro in morsettiera, una fase e un neutro al termostato commutatore e le due spie , 3 fari al teleruttore ,dall uscita al teleruttore 3 fasi dirette a 3 contatti della resistenza ,altre 3 fasi sempre dall uscita del teleruttore all ingresso di un termico di protezione,escono dal termico e vanno a collegarsi ai rimanenti 3 contatti della resistenza
18 messaggi
• Pagina 1 di 2 • 1, 2
Torna a Costruzione, riparazione, riutilizzo
Chi c’è in linea
Visitano il forum: Nessuno e 78 ospiti

Elettrotecnica e non solo (admin)
Un gatto tra gli elettroni (IsidoroKZ)
Esperienza e simulazioni (g.schgor)
Moleskine di un idraulico (RenzoDF)
Il Blog di ElectroYou (webmaster)
Idee microcontrollate (TardoFreak)
PICcoli grandi PICMicro (Paolino)
Il blog elettrico di carloc (carloc)
DirtEYblooog (dirtydeeds)
Di tutto... un po' (jordan20)
AK47 (lillo)
Esperienze elettroniche (marco438)
Telecomunicazioni musicali (clavicordo)
Automazione ed Elettronica (gustavo)
Direttive per la sicurezza (ErnestoCappelletti)
EYnfo dall'Alaska (mir)
Apriamo il quadro! (attilio)
H7-25 (asdf)
Passione Elettrica (massimob)
Elettroni a spasso (guidob)
Bloguerra (guerra)







