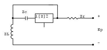
, mentre al libro 
Io ho semplicemente fatto la maglia principale con kirchhoff

e poi ho applicato le proprietà del 2 porte ,ottentendo


e il risultato è
, che differisce da quello del libro
Moderatori:
g.schgor,
IsidoroKZ
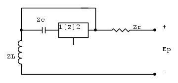
, mentre al libro 



, che differisce da quello del libro

Torna a Elettrotecnica generale
Visitano il forum: Nessuno e 39 ospiti