
Regolazione velocità ventola con NE555
Moderatori:
carloc,
g.schgor,
BrunoValente,
IsidoroKZ
24 messaggi
• Pagina 2 di 3 • 1, 2, 3
0
voti
Una domanda: Se uso il 555, la ventola come devo collegarla? Il + della ventola a 12V e il - al collettore del transistor? Grazie mille! 

0
voti
Perfetto, nel weekend procedo e poi vi farò sapere! Grazie mille a tutti! 
0
voti
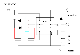
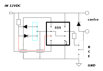
Se puo' esserti utile, di seguito hai uno schema di massima per la costruzione su milefori:
marco
0
voti
Aggiorno un attimo la situazione:
Ho realizzato con successo 3 circuiti su millefori, riesco a regolare la velocità ed è tutto davvero bello. Però, 1 di essi, scalda da morire, dopo appena pochi secondi il 555 diventa bollente? Ho controllato e mi sembra che vada come gli altri... Che cosa potrebbe essere? Grazie mille a tutti! :)
Ho realizzato con successo 3 circuiti su millefori, riesco a regolare la velocità ed è tutto davvero bello. Però, 1 di essi, scalda da morire, dopo appena pochi secondi il 555 diventa bollente? Ho controllato e mi sembra che vada come gli altri... Che cosa potrebbe essere? Grazie mille a tutti! :)
1
voti
N2O3 ha scritto: dopo appena pochi secondi il 555 diventa bollente?
E' una domanda o un'affermazione?
Gli altri due scommetto non diventano nemmeno caldi giusto?
devi controllare se ci sono saldature sbagliate, pezzetti di stagno che fanno cose strane, resistenze sbagliate... direi che o il pin 7 assorbe troppo = resistenza da 1k sbagliata o cortocircuitata, o il pin 3 eroga troppo = resistenza R? sbagliata o cortocircuitata, o magari il pin 3 è stato accidentalmente collegato a massa o a 12V
Piuttosto che chiedere qualcosa a me, chiedila a Mara Maionchi. E' più competente.
-

paofanello
2.280 8 13 - Expert

- Messaggi: 532
- Iscritto il: 7 lug 2015, 21:01
0
voti
Sicuro che la ventola collegata al circuito incriminato non abbia un consumo superiore alle possibilita' del 555?
Se si, prova a postare due foto della tua realizzazione ben fatte lato componenti e lato rame.
Se si, prova a postare due foto della tua realizzazione ben fatte lato componenti e lato rame.
marco
0
voti
marco438 ha scritto:Sicuro che la ventola collegata al circuito incriminato non abbia un consumo superiore alle possibilita' del 555?
Scusa marco, ma quello non dovrebbe essere un problema del transistor? Potrebbe essere un problema del 555 qualora sia stata omessa la resistenza di base!
Piuttosto che chiedere qualcosa a me, chiedila a Mara Maionchi. E' più competente.
-

paofanello
2.280 8 13 - Expert

- Messaggi: 532
- Iscritto il: 7 lug 2015, 21:01
1
voti
Hai ragione, mi ero dimenticato che c'era il transistor di supporto.
Sarebbe comunque interessante vedere che cosa l'OP ha realizzato e cercare di scoprire perche' il 555 scalda.
Sarebbe comunque interessante vedere che cosa l'OP ha realizzato e cercare di scoprire perche' il 555 scalda.
marco
0
voti
Ringrazio entrambi per la risposta... Ho appena finito, e ho notato che effettivamente scaldava perché avevo sbagliato a saldare un filo(cose che capitano
)... Comunque sia, ho finito di montare il tutto e il risultato è il seguente:


Funziona tutto alla perfezione, riesco a regolare la ventola in modo perfetto! Grazie mille a tutti!


Funziona tutto alla perfezione, riesco a regolare la ventola in modo perfetto! Grazie mille a tutti!
24 messaggi
• Pagina 2 di 3 • 1, 2, 3
Chi c’è in linea
Visitano il forum: Nessuno e 56 ospiti

Elettrotecnica e non solo (admin)
Un gatto tra gli elettroni (IsidoroKZ)
Esperienza e simulazioni (g.schgor)
Moleskine di un idraulico (RenzoDF)
Il Blog di ElectroYou (webmaster)
Idee microcontrollate (TardoFreak)
PICcoli grandi PICMicro (Paolino)
Il blog elettrico di carloc (carloc)
DirtEYblooog (dirtydeeds)
Di tutto... un po' (jordan20)
AK47 (lillo)
Esperienze elettroniche (marco438)
Telecomunicazioni musicali (clavicordo)
Automazione ed Elettronica (gustavo)
Direttive per la sicurezza (ErnestoCappelletti)
EYnfo dall'Alaska (mir)
Apriamo il quadro! (attilio)
H7-25 (asdf)
Passione Elettrica (massimob)
Elettroni a spasso (guidob)
Bloguerra (guerra)


