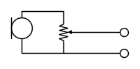
Sto utilizzando una capsula microfonica dinamica e vorrei collegare in serie un potenziometro per poter regolare il volume senza dover andare al mixer ogni volta. Considerando che la capsula ha un'impedenza (dichiarata nel datasheet) pari a 600 Ohm, secondo voi (andando molto a occhio
Potenziometro in serie a microfono dinamico
Moderatori:
carloc,
g.schgor,
BrunoValente,
IsidoroKZ
8 messaggi
• Pagina 1 di 1
0
voti
Buongiorno a tutti
Sto utilizzando una capsula microfonica dinamica e vorrei collegare in serie un potenziometro per poter regolare il volume senza dover andare al mixer ogni volta. Considerando che la capsula ha un'impedenza (dichiarata nel datasheet) pari a 600 Ohm, secondo voi (andando molto a occhio
) qual è il valore del potenziometro che dovrò acquistare affinché vi sia un buon margine di regolazione? Ad esempio con un potenziometro da 1 kohm riuscirei ad attenuare il volume in modo apprezzabile? O lo attenuerei troppo?
Sto utilizzando una capsula microfonica dinamica e vorrei collegare in serie un potenziometro per poter regolare il volume senza dover andare al mixer ogni volta. Considerando che la capsula ha un'impedenza (dichiarata nel datasheet) pari a 600 Ohm, secondo voi (andando molto a occhio
1
voti
Di solito si evita di mettere il potenziometro per tenere bassi il ronzìo e il fruscìo. Non direi in serie, ma collegandolo anche al ritorno e con buone schermature (che è, bilanciato?). Un chilo ohm, ma anche 2,2.
1
voti

"Non farei mai parte di un club che accettasse la mia iscrizione" (G. Marx)
-

claudiocedrone
21,3k 4 7 9 - Master EY

- Messaggi: 15302
- Iscritto il: 18 gen 2012, 13:36
0
voti
Grazie mille dei vostri pareri
Entrambi mi consigliate di utilizzare il potenziometro in configurazione di partitore e forse ho capito il perché: il mixer andrà ad amplificare il segnale in funzione della variazione di tensione, non di corrente, dico bene?
Se lo collego come partitore poi sarebbe sicuramente meglio scegliere un potenziometro di valore "elevato" per evitare che troppa corrente si perda andando a massa (anche se vista l'impedenza di base della capsula e i valori di tensione che produce si perderebbe pochissimo anche con 1 kohm).
Mi rimane un'unica domanda: come mai il potenziometro dovrebbe generare ronzio? Certo, se toccassi una delle sue parti metalliche si sentirebbe qualche rumore a causa dell'energia statica delle mie dita, ma se non lo toccassi perché dovrebbe ronzare?
p.s. I collegamenti sono sbilanciati, si tratta di una capsula economica connessa brutalmente ad un jack femmina mono che fa parte di un microfono ad archetto da battaglia che uso per le prove e col quale non mi sognerei mai di registrare. La domanda sul ronzio dunque è solo didattica, anche se il segnale esce un po' sporco non mi preoccupo
Entrambi mi consigliate di utilizzare il potenziometro in configurazione di partitore e forse ho capito il perché: il mixer andrà ad amplificare il segnale in funzione della variazione di tensione, non di corrente, dico bene?
Se lo collego come partitore poi sarebbe sicuramente meglio scegliere un potenziometro di valore "elevato" per evitare che troppa corrente si perda andando a massa (anche se vista l'impedenza di base della capsula e i valori di tensione che produce si perderebbe pochissimo anche con 1 kohm).
Mi rimane un'unica domanda: come mai il potenziometro dovrebbe generare ronzio? Certo, se toccassi una delle sue parti metalliche si sentirebbe qualche rumore a causa dell'energia statica delle mie dita, ma se non lo toccassi perché dovrebbe ronzare?
p.s. I collegamenti sono sbilanciati, si tratta di una capsula economica connessa brutalmente ad un jack femmina mono che fa parte di un microfono ad archetto da battaglia che uso per le prove e col quale non mi sognerei mai di registrare. La domanda sul ronzio dunque è solo didattica, anche se il segnale esce un po' sporco non mi preoccupo
1
voti

"Non farei mai parte di un club che accettasse la mia iscrizione" (G. Marx)
-

claudiocedrone
21,3k 4 7 9 - Master EY

- Messaggi: 15302
- Iscritto il: 18 gen 2012, 13:36
1
voti
600 ohm e gli metti in parallelo una resistenza di 1 k avrai il segnale attenuato quasi della metà a potenziometro tutto "aperto", ovvero quando invece vorresti il segnale inalterato; con 2,2 k sarebbe attenuato quasi di un terzo... inoltre ci va logaritmico (come in tutti i controlli di volume passivi) perché l'orecchio percepisce in "modo logaritmico" le differenze di volume.

"Non farei mai parte di un club che accettasse la mia iscrizione" (G. Marx)
-

claudiocedrone
21,3k 4 7 9 - Master EY

- Messaggi: 15302
- Iscritto il: 18 gen 2012, 13:36
0
voti
Molto interessante la spiegazione sulla causa del ronzio, ti ringrazio.
Benissimo, sceglierò il potenziometro da 10 kohm e per curiosità lo proverò prima sbilanciato per verificare l'entità del ronzio nell'ambiente in cui suono. Se sarà fastidioso aggiungerò una bella calza come consigli.
Grazie ancora e buone feste!
Benissimo, sceglierò il potenziometro da 10 kohm e per curiosità lo proverò prima sbilanciato per verificare l'entità del ronzio nell'ambiente in cui suono. Se sarà fastidioso aggiungerò una bella calza come consigli.
Grazie ancora e buone feste!
0
voti
... immagino userai un cavo jack schermato per connetterti al mixer; in questo caso risparmiati prove "strane" e ripiega il terminale "inferiore" del potenziometro a toccare la carcassa; raschiala bene dove tocca e stagna il tutto e li collegherai il contatto sleeve della presa jack femmina. (Viene comunque un obbrobrio volante; al posto tuo userei un piccolo contenitore metallico per racchiudere il tutto). 
P.s. Non incartarti col concetto di bilanciato/sbilanciato... sbilanciato significa che il "ritorno" del segnale viene fatto coincidere col riferimento del circuito-schermatura e si usano due conduttori (se schermato, il secondo conduttore è lo schermo; la calza nel caso del cavo schermato) mentre nel bilanciato andata (caldo) e ritorno (freddo) del segnale viaggiano su due conduttori dei quali nessuno va mai a coincidere col riferimento del circuito e la eventuale schermatura si ottiene con un terzo conduttore dedicato.
"Non farei mai parte di un club che accettasse la mia iscrizione" (G. Marx)
-

claudiocedrone
21,3k 4 7 9 - Master EY

- Messaggi: 15302
- Iscritto il: 18 gen 2012, 13:36
8 messaggi
• Pagina 1 di 1
Chi c’è in linea
Visitano il forum: Nessuno e 410 ospiti

Elettrotecnica e non solo (admin)
Un gatto tra gli elettroni (IsidoroKZ)
Esperienza e simulazioni (g.schgor)
Moleskine di un idraulico (RenzoDF)
Il Blog di ElectroYou (webmaster)
Idee microcontrollate (TardoFreak)
PICcoli grandi PICMicro (Paolino)
Il blog elettrico di carloc (carloc)
DirtEYblooog (dirtydeeds)
Di tutto... un po' (jordan20)
AK47 (lillo)
Esperienze elettroniche (marco438)
Telecomunicazioni musicali (clavicordo)
Automazione ed Elettronica (gustavo)
Direttive per la sicurezza (ErnestoCappelletti)
EYnfo dall'Alaska (mir)
Apriamo il quadro! (attilio)
H7-25 (asdf)
Passione Elettrica (massimob)
Elettroni a spasso (guidob)
Bloguerra (guerra)



