Scrivi l'equazione differenziale della maglia,
cioè l'espressione di i(t).
Le condizioni iniziali sono la i(0) e la i'(0).
che ricavi appunto dalle condizioni
all'istante dell'apertura del contatto.
Condizione iniziale transitorio secondo ordine
Moderatori:
g.schgor,
IsidoroKZ
21 messaggi
• Pagina 2 di 3 • 1, 2, 3
0
voti
Ok, grazie. Sono riuscito a finire i transitori, ora passo a laplace
-

tidusquall17
8 4 - Frequentatore

- Messaggi: 112
- Iscritto il: 3 feb 2011, 20:19
0
voti
Ciao, i calcoli finali non li ho svolti perché non mi andava, metto comunque il procedimento con alcuni risultati per vedere anche se tutto va bene come logica, visto che mi interessa quello.
Visto che i calcoli sono molti posso aver commesso anche qualche errore:
Vado a determinare per t<0 le condizioni iniziali, dove gli induttori sono cc e i condensatori sono ca. Di questo circuito applico il potenziale nodale e trovo che:

Per t>0 svolgo il circuito con il pulsante aperto. Il ramo centrale va via visto che non passa corrente, resta quindi un circuito rlc in serie, che applicando l equazione so unica maglia e sostituendo le caratteristiche e facendo qualche calcolo viene:

Calcolo le radici, il cui Delta è minore di zero e quindi la soluzione sarà nei numeri complessi.
Per la continuità delle variabili di stato, posso applicare le condizioni iniziali avendo
per calcolare le due costanti che compaiono nel equazione generale. Applico la condizione iniziale di Il e ottengo che A2=-0.66
Applico la condizione iniziale ad Il' e costituendo ottengo A1= 2.9
Bisogna andare a fare solo gli ultimi conti per ottenere la potenza assorbita.
Visto che i calcoli sono molti posso aver commesso anche qualche errore:
Vado a determinare per t<0 le condizioni iniziali, dove gli induttori sono cc e i condensatori sono ca. Di questo circuito applico il potenziale nodale e trovo che:

Per t>0 svolgo il circuito con il pulsante aperto. Il ramo centrale va via visto che non passa corrente, resta quindi un circuito rlc in serie, che applicando l equazione so unica maglia e sostituendo le caratteristiche e facendo qualche calcolo viene:

Calcolo le radici, il cui Delta è minore di zero e quindi la soluzione sarà nei numeri complessi.
Per la continuità delle variabili di stato, posso applicare le condizioni iniziali avendo
per calcolare le due costanti che compaiono nel equazione generale. Applico la condizione iniziale di Il e ottengo che A2=-0.66 Applico la condizione iniziale ad Il' e costituendo ottengo A1= 2.9
Bisogna andare a fare solo gli ultimi conti per ottenere la potenza assorbita.
-

tidusquall17
8 4 - Frequentatore

- Messaggi: 112
- Iscritto il: 3 feb 2011, 20:19
2
voti
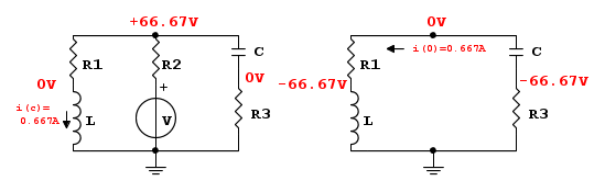
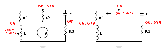
Mi sembra che non ci siamo...
Prima di tutto deve essere chiara la situazione
che si crea per t=0, prima e dopo l'apertura del contatto.
Come si vede.la corrente che percorreva L
prima dell'apertura è forzata, dopo l'apertura,
a scorrere nel ramo R3-C, cambiando completamente
le tensioni nei singoli punti del circuito.
Si nota in particolare che su L compare una tensione
di segno opposto a quella di C (vL(0)=-vC(0))
e che si oppone al verso della corrente.
Le condizioni iniziali da considerare sono proprio la corrente
i(0) e la tensione su L (da cui ricavare i'(0)).
E ora veniamo all'equazione differenziale del circuito.
dopo l'apertura del contatto.
Come fai a ricavare quell'espressione?
Ti avevo indicato un link (post[7]) che spiega esattamente
ciò che si dovrebbe fare. Perché non l'hai seguito?
Aspetto domani prima di darti la soluzione.
Prima di tutto deve essere chiara la situazione
che si crea per t=0, prima e dopo l'apertura del contatto.
Come si vede.la corrente che percorreva L
prima dell'apertura è forzata, dopo l'apertura,
a scorrere nel ramo R3-C, cambiando completamente
le tensioni nei singoli punti del circuito.
Si nota in particolare che su L compare una tensione
di segno opposto a quella di C (vL(0)=-vC(0))
e che si oppone al verso della corrente.
Le condizioni iniziali da considerare sono proprio la corrente
i(0) e la tensione su L (da cui ricavare i'(0)).
E ora veniamo all'equazione differenziale del circuito.
dopo l'apertura del contatto.
Come fai a ricavare quell'espressione?
Ti avevo indicato un link (post[7]) che spiega esattamente
ciò che si dovrebbe fare. Perché non l'hai seguito?
Aspetto domani prima di darti la soluzione.
0
voti
Scusa ma cosa c'è che non va?
Quando il tasto è ancora chiuso la corrente passa nel ramo centrale ed è forzato, visto che c'è il generatore.. Io ho risolto il circuito in questo modo è facendo le sostituzioni con cc e ca, con convenzione utilizzatore su tutti i bipoli.
Se lo svolgo con i potenziali nodali mi viene ua = 66.67 V
E Vc=ua visto che la tensione punta sul nodo A.
iL me la calcolo attraverso la tensione del resistore che è -uA, visto che punta in verso opposto..
Per l equazione differenziale io ho seguito la pagina Wikipedia sui circuiti rlc in serie e mi trovo con quella equazione differenziale che ho scritto, visto che aprendo il pulsante non scorre più corrente nel ramo centrale.
L equazione differenziale è nel incognita i(t). Mi trovo le radici, scrivo l integrale generale e basta trovare solo le costanti con le condizioni iniziali.
Quando il tasto è ancora chiuso la corrente passa nel ramo centrale ed è forzato, visto che c'è il generatore.. Io ho risolto il circuito in questo modo è facendo le sostituzioni con cc e ca, con convenzione utilizzatore su tutti i bipoli.
Se lo svolgo con i potenziali nodali mi viene ua = 66.67 V
E Vc=ua visto che la tensione punta sul nodo A.
iL me la calcolo attraverso la tensione del resistore che è -uA, visto che punta in verso opposto..
Per l equazione differenziale io ho seguito la pagina Wikipedia sui circuiti rlc in serie e mi trovo con quella equazione differenziale che ho scritto, visto che aprendo il pulsante non scorre più corrente nel ramo centrale.
L equazione differenziale è nel incognita i(t). Mi trovo le radici, scrivo l integrale generale e basta trovare solo le costanti con le condizioni iniziali.
-

tidusquall17
8 4 - Frequentatore

- Messaggi: 112
- Iscritto il: 3 feb 2011, 20:19
2
voti
Allora hai sbagliato a scrivere l'equazione nel post precedente,
nonché i calcoli dei coefficienti. e non hai ricavato l'equazione i(t).
Ecco cosa intendo per soluzione:
Applicando LKV (legge di Kirchhoff delle maglie) al circuito
dopo l'apertura del contatto (vedi seconda figura del post[15])
in termini di Laplace, si ottiene:

Cioè la i(s) è data da:

Com'è noto, per risolvere un'equazione differenziale
si deve ricorrere ad una struttura di cui è nota la soluzione.
Nel nostro caso la struttura è:
,
ponendo:

Poiché nel nostro caso risulta
,
(caso di "smorzamento debole", come detto al post[7]),
la soluzione è del tipo:

dove
e A è ricavato dalla condizioni iniziali.
Precisamente :
con
e

i'(0) è ricavabile dalla tensione vL(0), infatti è
,
quindi
(e sappiamo che vL(0)= -vC(0))
A conti fatti A2 risulta trascurabile, quindi si può assumere:

il cui andamento nei primi 20ms dopo l'apertura del contatto
è il seguente
La corrente da un valore iniziale di 0.667A
scende (per effetto della controtensione vL)
fino ad invertirsi (dai 4 agli 11ms) per poi
praticamente azzerasi oltre i 20ms.
Lascio a te il calcolo della "potenza" in L al tempo t=1ms
e resto in attesa del risultato (per confronto).
nonché i calcoli dei coefficienti. e non hai ricavato l'equazione i(t).
Ecco cosa intendo per soluzione:
Applicando LKV (legge di Kirchhoff delle maglie) al circuito
dopo l'apertura del contatto (vedi seconda figura del post[15])
in termini di Laplace, si ottiene:

Cioè la i(s) è data da:

Com'è noto, per risolvere un'equazione differenziale
si deve ricorrere ad una struttura di cui è nota la soluzione.
Nel nostro caso la struttura è:
,ponendo:

Poiché nel nostro caso risulta
, (caso di "smorzamento debole", come detto al post[7]),
la soluzione è del tipo:

dove

e A è ricavato dalla condizioni iniziali.
Precisamente :

con
e

i'(0) è ricavabile dalla tensione vL(0), infatti è
,quindi
(e sappiamo che vL(0)= -vC(0))A conti fatti A2 risulta trascurabile, quindi si può assumere:

il cui andamento nei primi 20ms dopo l'apertura del contatto
è il seguente
La corrente da un valore iniziale di 0.667A
scende (per effetto della controtensione vL)
fino ad invertirsi (dai 4 agli 11ms) per poi
praticamente azzerasi oltre i 20ms.
Lascio a te il calcolo della "potenza" in L al tempo t=1ms
e resto in attesa del risultato (per confronto).
0
voti
Io non l'ho svolto con Laplace ecco perché è diversa l 'equazione. Non mi trovo con la corrente iniziale che è -0.667 A.
E mi trovo anche con il fatto che una costante venga come la i(o)
Per la Potenza assorbita basta derivare iL così si trova Vl e fare il prodotto iL *vL
E mi trovo anche con il fatto che una costante venga come la i(o)
Per la Potenza assorbita basta derivare iL così si trova Vl e fare il prodotto iL *vL
-

tidusquall17
8 4 - Frequentatore

- Messaggi: 112
- Iscritto il: 3 feb 2011, 20:19
1
voti
Derivare o mettere s non deve fare nessuna differenza nell'equazione.
Non ho comunque visto i tuoi risultati finali, sia per l'andamento di i(t),
sia per la potenza (reattiva) in L al tempo t=1ms.
Rimango in attesa...
Non ho comunque visto i tuoi risultati finali, sia per l'andamento di i(t),
sia per la potenza (reattiva) in L al tempo t=1ms.
Rimango in attesa...
0
voti
Ciao, allora ho controllato e avevo sbagliato a scrivere qui sul forum l equazione differenziale.
Per il risultato mettilo pure tu, tanto sono solo conti finali. A me interessava capire come procedere.
Per il risultato mettilo pure tu, tanto sono solo conti finali. A me interessava capire come procedere.
-

tidusquall17
8 4 - Frequentatore

- Messaggi: 112
- Iscritto il: 3 feb 2011, 20:19
21 messaggi
• Pagina 2 di 3 • 1, 2, 3
Torna a Elettrotecnica generale
Chi c’è in linea
Visitano il forum: Nessuno e 121 ospiti

Elettrotecnica e non solo (admin)
Un gatto tra gli elettroni (IsidoroKZ)
Esperienza e simulazioni (g.schgor)
Moleskine di un idraulico (RenzoDF)
Il Blog di ElectroYou (webmaster)
Idee microcontrollate (TardoFreak)
PICcoli grandi PICMicro (Paolino)
Il blog elettrico di carloc (carloc)
DirtEYblooog (dirtydeeds)
Di tutto... un po' (jordan20)
AK47 (lillo)
Esperienze elettroniche (marco438)
Telecomunicazioni musicali (clavicordo)
Automazione ed Elettronica (gustavo)
Direttive per la sicurezza (ErnestoCappelletti)
EYnfo dall'Alaska (mir)
Apriamo il quadro! (attilio)
H7-25 (asdf)
Passione Elettrica (massimob)
Elettroni a spasso (guidob)
Bloguerra (guerra)

