Ottimo grazie . Era proprio questo che non avevo capito .
Avevo provato a risolvere il circuito con Kirchhoff , ma sbagliavo i segni , perché non capivo il comportamento della freccia
ps: Il modo che ha spiegato lei , admin , è quello legato alla Convenzione dell'utilizzatore ?
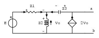
Esercizio Thevenin con fasori
Moderatori:
g.schgor,
IsidoroKZ
15 messaggi
• Pagina 2 di 2 • 1, 2
0
voti
Ho rifatto il circuito , ho rifatto le equazioni ma ancora non porta ... . 
-

themagiciant95
27 1 1 7 - Frequentatore

- Messaggi: 167
- Iscritto il: 5 ott 2015, 15:57
0
voti
Risolvendo il sistema ottengo Vo = 3+3j , il risultato corretto dovrebbe essere Vo = -3-3j
-

themagiciant95
27 1 1 7 - Frequentatore

- Messaggi: 167
- Iscritto il: 5 ott 2015, 15:57
1
voti
1- Se non fai vedere i calcoli nessuno può dire cosa sbagli, se sbagli
2- Poiché i due risultati sono opposti con probabilità del 99,999.. % tu ed il testo avete usato per V0 convenzioni opposte.
2- Poiché i due risultati sono opposti con probabilità del 99,999.. % tu ed il testo avete usato per V0 convenzioni opposte.
15 messaggi
• Pagina 2 di 2 • 1, 2
Torna a Elettrotecnica generale
Chi c’è in linea
Visitano il forum: Nessuno e 44 ospiti

Elettrotecnica e non solo (admin)
Un gatto tra gli elettroni (IsidoroKZ)
Esperienza e simulazioni (g.schgor)
Moleskine di un idraulico (RenzoDF)
Il Blog di ElectroYou (webmaster)
Idee microcontrollate (TardoFreak)
PICcoli grandi PICMicro (Paolino)
Il blog elettrico di carloc (carloc)
DirtEYblooog (dirtydeeds)
Di tutto... un po' (jordan20)
AK47 (lillo)
Esperienze elettroniche (marco438)
Telecomunicazioni musicali (clavicordo)
Automazione ed Elettronica (gustavo)
Direttive per la sicurezza (ErnestoCappelletti)
EYnfo dall'Alaska (mir)
Apriamo il quadro! (attilio)
H7-25 (asdf)
Passione Elettrica (massimob)
Elettroni a spasso (guidob)
Bloguerra (guerra)


