Cos'è ElectroYou | Login Iscriviti

ElectroYou - la comunità dei professionisti del mondo elettrico

Analisi circuitale con il metodo tabellare

Circuiti, campi elettromagnetici e teoria delle linee di trasmissione e distribuzione dell’energia elettrica

Moderatori: Foto Utenteg.schgor, Foto UtenteIsidoroKZ

0
voti

[1] Analisi circuitale con il metodo tabellare

Messaggioda Foto UtenteLuigi94 » 26 dic 2015, 15:37

Salve a tutti O_/

Sto iniziando a preparare l'esame di elettrotecnica, qualche base la possiedo già grazie all'indirizzo scelto alle superiori(per l'appunto elettrotecnica), solo che questo metodo di risoluzione non l'ho mai utilizzato.

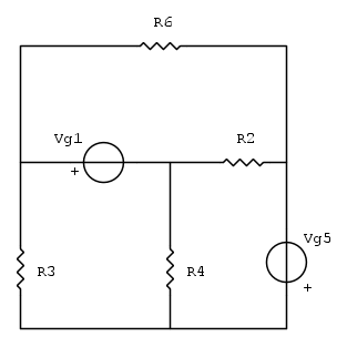
seguendo le slide del prof per la risoluzione di questo circuito:




Vien fuori il grafo in allegato;
e già qui ho il primo dubbio, perché vengono presi quei segni delle tensioni? e perché la corrente ha quel verso? io utilizzavo le correnti fittizie di maglia e la convenzione dell'utilizzatore per trovarmi i versi giusti, ma qui... non so che pensare,grazie anticipate a chi vorrà aiutarmi O:) (scusate per la pessima calligrafia e probabilmente anche per la domanda banalissima)
Allegati
Grafo.png
Avatar utente
Foto UtenteLuigi94
85 3
New entry
New entry
 
Messaggi: 52
Iscritto il: 4 gen 2013, 12:43

3
voti

[2] Re: Analisi circuitale con il metodo tabellare

Messaggioda Foto UtenteDirtyDeeds » 26 dic 2015, 20:54

I versi delle correnti vengono scelti arbitrariamente, mentre la polarità delle tensioni è quella associata alla convenzione degli utilizzatori (ma potresti anche usare la convenzione dei generatori, basta essere consistenti e scrivere le equazioni giuste). Ovviamente potresti anche partire dalla scelta arbitraria delle polarità delle tensioni.
It's a sin to write sin instead of \sin (Anonimo).
...'cos you know that cos ain't \cos, right?
You won't get a sexy tan if you write tan in lieu of \tan.
Take a log for a fireplace, but don't take log for \logarithm.
Avatar utente
Foto UtenteDirtyDeeds
55,9k 7 11 13
G.Master EY
G.Master EY
 
Messaggi: 7012
Iscritto il: 13 apr 2010, 16:13
Località: Somewhere in nowhere

0
voti

[3] Re: Analisi circuitale con il metodo tabellare

Messaggioda Foto UtenteLuigi94 » 26 dic 2015, 21:07

DirtyDeeds ha scritto:I versi delle correnti vengono scelti arbitrariamente, mentre la polarità delle tensioni è quella associata alla convenzione degli utilizzatori (ma potresti anche usare la convenzione dei generatori, basta essere consistenti e scrivere le equazioni giuste). Ovviamente potresti anche partire dalla scelta arbitraria delle polarità delle tensioni.


Ah! quindi il prof. ha scelto arbitrariamente il verso di ogni corrente, l'importante è utilizzare una delle due convenzioni(in questo caso quella dell'utilizzatore) e impostare poi di conseguenza la polarità, poi essendo che sui generatori era già indicato il verso positivo, la corrente in base alla convenzione è già orientata...

ho scritto giusto?
Avatar utente
Foto UtenteLuigi94
85 3
New entry
New entry
 
Messaggi: 52
Iscritto il: 4 gen 2013, 12:43

2
voti

[4] Re: Analisi circuitale con il metodo tabellare

Messaggioda Foto UtenteDirtyDeeds » 26 dic 2015, 21:56

Luigi94 ha scritto:poi essendo che sui generatori era già indicato il verso positivo, la corrente in base alla convenzione è già orientata...


Tieni conto che la polarità delle tensioni di ramo non deve essere necessariamente in accordo con la polarità dei generatori. Se sono opposte, avrai un segno meno in qualcuna delle equazioni dei rami.
It's a sin to write sin instead of \sin (Anonimo).
...'cos you know that cos ain't \cos, right?
You won't get a sexy tan if you write tan in lieu of \tan.
Take a log for a fireplace, but don't take log for \logarithm.
Avatar utente
Foto UtenteDirtyDeeds
55,9k 7 11 13
G.Master EY
G.Master EY
 
Messaggi: 7012
Iscritto il: 13 apr 2010, 16:13
Località: Somewhere in nowhere

0
voti

[5] Re: Analisi circuitale con il metodo tabellare

Messaggioda Foto UtenteLuigi94 » 27 dic 2015, 11:41

DirtyDeeds ha scritto:
Luigi94 ha scritto:poi essendo che sui generatori era già indicato il verso positivo, la corrente in base alla convenzione è già orientata...


Tieni conto che la polarità delle tensioni di ramo non deve essere necessariamente in accordo con la polarità dei generatori. Se sono opposte, avrai un segno in qualcuna delle equazioni dei rami.


:ok: grazie 1000 per l'aiuto, purtroppo queste cose per quanto sceme mettono seri dubbi in testa :?

grazie ancora! iOi iOi
Avatar utente
Foto UtenteLuigi94
85 3
New entry
New entry
 
Messaggi: 52
Iscritto il: 4 gen 2013, 12:43


Torna a Elettrotecnica generale

Chi c’è in linea

Visitano il forum: Nessuno e 157 ospiti