Salve a tutti,
Oggi nella pausa pranzo mi è venuto in mente uno schema che sfrutta del materiale che ho a casa per realizzare un banco prove per la rete 230.
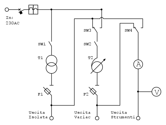
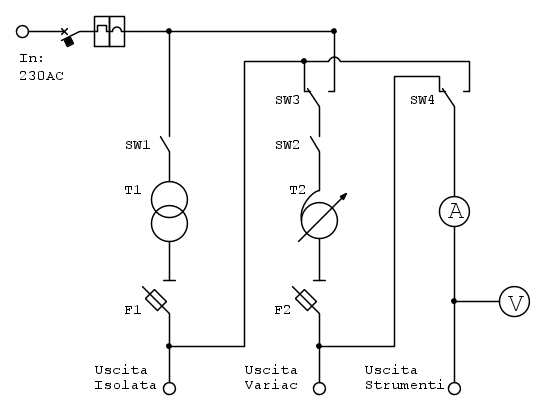
L'idea è avere un uscita isolata mediante T1, trasformatore con rapporto 1:1 e un uscita regolabile con un variac T2. Mediante i vari commutatori si possono realizzare le diverse combinazioni.
Lo schema è il seguente, potrebbe essere una buona idea?
Banco prove
Moderatori:
sebago,
MASSIMO-G,
lillo,
Mike
19 messaggi
• Pagina 1 di 2 • 1, 2
1
voti
[1] Banco prove
"La teoria attrae la pratica come il magnete attrae il ferro" C. Gauss
Seguitemi anche su youtube, un saluto da AT
https://www.youtube.com/c/atlaboratory
Seguitemi anche su youtube, un saluto da AT
https://www.youtube.com/c/atlaboratory
0
voti
[2] Re: Banco prove
Cavolo nessuno che mi dia un parere??

Ammetto che è ferragosto
Ammetto che è ferragosto
"La teoria attrae la pratica come il magnete attrae il ferro" C. Gauss
Seguitemi anche su youtube, un saluto da AT
https://www.youtube.com/c/atlaboratory
Seguitemi anche su youtube, un saluto da AT
https://www.youtube.com/c/atlaboratory
0
voti
[3] Re: Banco prove
Sinceramente non credo che ci sia molto da dire
, un laboratorio di elettronica, per quanto debba essere più accessoriato possibile, deve essere realizzato ad hoc per le proprie esigenze.
Io con il variac ad esempio ci farei poco poiché mi accontento di un paio di tensioni da 3,3 5 9 12 volt.
Questo per il 99% dei miei esperimenti, non nego che strumentazioni ulteriori possono risultare utili saltuariamente
Io con il variac ad esempio ci farei poco poiché mi accontento di un paio di tensioni da 3,3 5 9 12 volt.
Questo per il 99% dei miei esperimenti, non nego che strumentazioni ulteriori possono risultare utili saltuariamente

Alla fine, non ricorderemo le parole dei nostri nemici, ma i silenzi dei nostri amici.
Martin Luther King
Martin Luther King
-

thunderbolt128
1.640 1 8 13 - Expert

- Messaggi: 721
- Iscritto il: 4 set 2012, 13:57
0
voti
[4] Re: Banco prove
Penso Aletox intenda un banco di prove rivolto all'elettrotecnica giusto?
Io metterei un voltometro a valle di F2, in modo da avere la tensione in uscita del variac ed eventualmente capire subito se il fusibile è intervenuto o meno.
Poi potresti aggiungere uno switch e ponte di diodi a valle di F2 in modo da avere anche una corrente continua (naturalmente metteresti il voltometro a valle di entrambi in modo da usare lo stesso durante l'uso in CA o CC).
Dipende tutto da quello che vuoi farci.
Trovo un po inutile quell'amperometro ''di serie'' perché immagino dovrà presentare un valore di fondoscala elevato e quindi non permetterà di svolgere una lettura precisa durante una misura di pochi Ampere. (Certo di sicuro sarà utile per avere un dato grossolano e sapere che è tutto ok)

P.s. dimendicavo siamo in casa (esempio utenza monofase 3 kW) e 15 A di fondoscala all'amperometro possono bastare
Io metterei un voltometro a valle di F2, in modo da avere la tensione in uscita del variac ed eventualmente capire subito se il fusibile è intervenuto o meno.
Poi potresti aggiungere uno switch e ponte di diodi a valle di F2 in modo da avere anche una corrente continua (naturalmente metteresti il voltometro a valle di entrambi in modo da usare lo stesso durante l'uso in CA o CC).
Dipende tutto da quello che vuoi farci.
Trovo un po inutile quell'amperometro ''di serie'' perché immagino dovrà presentare un valore di fondoscala elevato e quindi non permetterà di svolgere una lettura precisa durante una misura di pochi Ampere. (Certo di sicuro sarà utile per avere un dato grossolano e sapere che è tutto ok)

P.s. dimendicavo siamo in casa (esempio utenza monofase 3 kW) e 15 A di fondoscala all'amperometro possono bastare
-

danielepower
597 4 6 - Sostenitore

- Messaggi: 515
- Iscritto il: 6 dic 2014, 17:58
1
voti
[5] Re: Banco prove
Grazie per le risposte..
Il variac effettivamente mi è utile er verificare se ci sono possibili guasti ad esempio su motori e trasformatori (proprio per elettrotecnica haha
)..
danielepower per mia grande sfortuna l'amperometro che ho a disposizione al momento è un digitale, quindi mi consente letture relativamente piccole ma purtroppo non ha risposte immediate.. Sto cercandone uno analogico per avere una risposta quasi immediata ad es. a possibili cortocircuiti..
Quella del ponte a diodi e magari filtro di spianamento può essere un'ottima idea!
inoltre se si seleziona la cascata del variac con il trafo di isolamento si ottiene una tensione continua da 0 a 320V DC svincolata da qualsiasi riferimento!
Il variac effettivamente mi è utile er verificare se ci sono possibili guasti ad esempio su motori e trasformatori (proprio per elettrotecnica haha
Quella del ponte a diodi e magari filtro di spianamento può essere un'ottima idea!
"La teoria attrae la pratica come il magnete attrae il ferro" C. Gauss
Seguitemi anche su youtube, un saluto da AT
https://www.youtube.com/c/atlaboratory
Seguitemi anche su youtube, un saluto da AT
https://www.youtube.com/c/atlaboratory
0
voti
[7] Re: Banco prove
"La teoria attrae la pratica come il magnete attrae il ferro" C. Gauss
Seguitemi anche su youtube, un saluto da AT
https://www.youtube.com/c/atlaboratory
Seguitemi anche su youtube, un saluto da AT
https://www.youtube.com/c/atlaboratory
1
voti
[8] Re: Banco prove
Forse scontato, ma qualche lampadina di segnalazione ? Renderebbe il tutto anche più tecnologico.. 
-

elettroigor
2.063 1 5 12 - Expert free
- Messaggi: 780
- Iscritto il: 22 gen 2011, 0:02
0
voti
[9] Re: Banco prove
Grazie
elettroigor, a dire il vero proprio non ci avevo pensato!! Questa è proprio un'ottima idea!! 
Almeno due lampade per evidenziare l'inserzione dei due trasformatori ci stanno molto bene..
Almeno due lampade per evidenziare l'inserzione dei due trasformatori ci stanno molto bene..
"La teoria attrae la pratica come il magnete attrae il ferro" C. Gauss
Seguitemi anche su youtube, un saluto da AT
https://www.youtube.com/c/atlaboratory
Seguitemi anche su youtube, un saluto da AT
https://www.youtube.com/c/atlaboratory
7
voti
[10] Re: Banco prove
Ciao a tutti! Finalmente con le vacanze di Natale sono riuscito a fare qualcosa per il mio banco prove. Ormai è tutto completo e cablato. Mi manca solo il trafo di isolamento, ma già così è pronto e funzionante.
Vi invio qualche foto e spero più avanti di riuscire a fare qualche video sul mio canale.
Vi invio qualche foto e spero più avanti di riuscire a fare qualche video sul mio canale.
"La teoria attrae la pratica come il magnete attrae il ferro" C. Gauss
Seguitemi anche su youtube, un saluto da AT
https://www.youtube.com/c/atlaboratory
Seguitemi anche su youtube, un saluto da AT
https://www.youtube.com/c/atlaboratory
19 messaggi
• Pagina 1 di 2 • 1, 2
Torna a Impianti, sicurezza e quadristica
Chi c’è in linea
Visitano il forum: Nessuno e 254 ospiti

Elettrotecnica e non solo (admin)
Un gatto tra gli elettroni (IsidoroKZ)
Esperienza e simulazioni (g.schgor)
Moleskine di un idraulico (RenzoDF)
Il Blog di ElectroYou (webmaster)
Idee microcontrollate (TardoFreak)
PICcoli grandi PICMicro (Paolino)
Il blog elettrico di carloc (carloc)
DirtEYblooog (dirtydeeds)
Di tutto... un po' (jordan20)
AK47 (lillo)
Esperienze elettroniche (marco438)
Telecomunicazioni musicali (clavicordo)
Automazione ed Elettronica (gustavo)
Direttive per la sicurezza (ErnestoCappelletti)
EYnfo dall'Alaska (mir)
Apriamo il quadro! (attilio)
H7-25 (asdf)
Passione Elettrica (massimob)
Elettroni a spasso (guidob)
Bloguerra (guerra)


