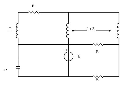
Ciao a tutti , devo trovare la Resistenza equivalente di questo circuito ( Rth = E/Ie ) .
Ho provato a risolverlo con Kirchhoff ai nodi e alle maglie , ma vengono tante equazioni . C'è la possibilità di sommare semplicemente le resistenze in serie e calcolarsi quelle in parallelo ?
Grazie
Resistenza equivalente con mutua induttanza
Moderatori:
g.schgor,
IsidoroKZ
3 messaggi
• Pagina 1 di 1
1
voti
Forse c'e` un pallino nel nodo centrale.
Fra quali punti devi trovare la resistenza equivalente? Quella vista dal generatore? E devi trovare la resistenza o l'impedenza equivalente?
Fra quali punti devi trovare la resistenza equivalente? Quella vista dal generatore? E devi trovare la resistenza o l'impedenza equivalente?
Per usare proficuamente un simulatore, bisogna sapere molta più elettronica di lui
Plug it in - it works better!
Il 555 sta all'elettronica come Arduino all'informatica! (entrambi loro malgrado)
Se volete risposte rispondete a tutte le mie domande
Plug it in - it works better!
Il 555 sta all'elettronica come Arduino all'informatica! (entrambi loro malgrado)
Se volete risposte rispondete a tutte le mie domande
0
voti
Si tratta della resistenza equivalente ai capi del generatore E
-

themagiciant95
27 1 1 7 - Frequentatore

- Messaggi: 167
- Iscritto il: 5 ott 2015, 15:57
3 messaggi
• Pagina 1 di 1
Torna a Elettrotecnica generale
Chi c’è in linea
Visitano il forum: Nessuno e 8 ospiti

Elettrotecnica e non solo (admin)
Un gatto tra gli elettroni (IsidoroKZ)
Esperienza e simulazioni (g.schgor)
Moleskine di un idraulico (RenzoDF)
Il Blog di ElectroYou (webmaster)
Idee microcontrollate (TardoFreak)
PICcoli grandi PICMicro (Paolino)
Il blog elettrico di carloc (carloc)
DirtEYblooog (dirtydeeds)
Di tutto... un po' (jordan20)
AK47 (lillo)
Esperienze elettroniche (marco438)
Telecomunicazioni musicali (clavicordo)
Automazione ed Elettronica (gustavo)
Direttive per la sicurezza (ErnestoCappelletti)
EYnfo dall'Alaska (mir)
Apriamo il quadro! (attilio)
H7-25 (asdf)
Passione Elettrica (massimob)
Elettroni a spasso (guidob)
Bloguerra (guerra)

