Ciao a tutti ragazzi, domanda di carattere generale, probabilmente anche banale per molti di voi ma a me crea qualche dubbio. Ho un alimentatore che eroga 3.3V e fino a 3A di corrente, l'unico problema è che riesco ad ottenere una precisione nell'ordine di 50 millivolt, il display che mi dice la tensione si ferma alla prima cifra decimale e per la mia applicazione non è sufficiente, mi servirebbe conoscere la grandezza nell'ordine di qualche millivolt così da poterla impostare sempre sullo stesso valore. Se per esempio utilizzo due alimentatori da banco diversi come due HY3003, anche se imposto 3.3 V, non posso sapere se in realtà sono 3.25 o 3.35, quindi utilizzando lo stesso circuito con due diversi alimentatori avrò due caratteristiche diverse perché ho due tensioni diverse. C'è un modo per ottenere una tensione costante? Per esempio, sarebbe possibile mettere in parallelo un l'alimentatore che eroghi i 3.3 v più la corrente e un voltage reference che mi fissi la tensione ad un valore preciso?
Nel circuito che ho disegnato la resistenza rappresenta la resistenza parassita dei cavi che dall'alimentatore vanno al PCB, ma questa non è un problema perché potrei eliminare la sua componente via software. Il problema sono i 3.3V in alto che mi serve che siano costanti. La mia domanda è: pensate possa funzionare un circuito del genere? può alimentatore da banco fornire la corrente fino ad 3 A funzionando insieme al volt ref che mi setti un valore costante di tensione? A quel punto io avrei che anche variando la tensione di qualche decina di millivolt (per esempio imposto 3.2V), in realtà in ingresso del mio circuito questa rimarrebbe costante ?
Alimentatori in parallelo
Moderatori:
carloc,
g.schgor,
BrunoValente,
IsidoroKZ
13 messaggi
• Pagina 1 di 2 • 1, 2
0
voti
5
voti
Direi di no. Se hai bisogno di 3A a 3.3V "precisi" non puoi mettere in parallelo un reference che non riesce a fornire che qualche milliampere.
Che circuito devi alimentare che richiede cosi` tanta corrente con una tensione che deve essere "assolutamente" precisa?
Che circuito devi alimentare che richiede cosi` tanta corrente con una tensione che deve essere "assolutamente" precisa?
Per usare proficuamente un simulatore, bisogna sapere molta più elettronica di lui
Plug it in - it works better!
Il 555 sta all'elettronica come Arduino all'informatica! (entrambi loro malgrado)
Se volete risposte rispondete a tutte le mie domande
Plug it in - it works better!
Il 555 sta all'elettronica come Arduino all'informatica! (entrambi loro malgrado)
Se volete risposte rispondete a tutte le mie domande
0
voti
L'applicazione è sempre quella, cioè quei riscaldatori e il problema è sempre lo stesso, cioè quello di cui tu mi avevi già avvisato e per il quale mi suggerivi l'utilizzo di un amplificatore da strumentazione. Avevo pensato a questa soluzione ma se dici che non va bene allora inserirò come possibile miglioramento del circuito, l'utilizzo dell' amp. da strumentazione. Comunque io avevo pensato che l alimentatore da banco potesse fornire la corrente e 3.2v per esempio e che il volt. reference potesse invece fornire quella piccola quantità in più di tensione che serve per arrivare ai 3.3V. Non funziona cosi,giusto?
2
voti
No, non funziona cosi` 
Mi ero dimenticato che sei quello che vuole scaldare le cellule!
Come e` poi finita con il circuito che hai fatto? Sarebbe interessante sapere che circuito hai poi realizzato, come funziona, se ci sono problemi... in modo da vedere eventuali correzioni.
Mi ero dimenticato che sei quello che vuole scaldare le cellule!
Come e` poi finita con il circuito che hai fatto? Sarebbe interessante sapere che circuito hai poi realizzato, come funziona, se ci sono problemi... in modo da vedere eventuali correzioni.
Per usare proficuamente un simulatore, bisogna sapere molta più elettronica di lui
Plug it in - it works better!
Il 555 sta all'elettronica come Arduino all'informatica! (entrambi loro malgrado)
Se volete risposte rispondete a tutte le mie domande
Plug it in - it works better!
Il 555 sta all'elettronica come Arduino all'informatica! (entrambi loro malgrado)
Se volete risposte rispondete a tutte le mie domande
0
voti
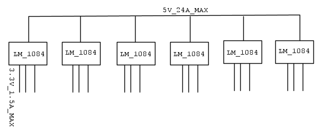
Non vedo l'ora di scrivere un grosso articolo sul mio progetto su questo sito perché a quel punto vorrà dire che avrò finalmente finito, comunque sto finendo il PCB per controllare 16 heater indipendentemente. Fin ora l'unico problema è avere una precisa tensione di 3.3V ma a questo punto penso che userò qualcosa come lm1086, magari qualche altro con una maggiore corrente massima o più di questi dispositivi.
3
voti
Se hai bisogno di una tensione precisa per i riscaldatori vuol dire che il progetto e` partito male ed e` sbagliato 
Per usare proficuamente un simulatore, bisogna sapere molta più elettronica di lui
Plug it in - it works better!
Il 555 sta all'elettronica come Arduino all'informatica! (entrambi loro malgrado)
Se volete risposte rispondete a tutte le mie domande
Plug it in - it works better!
Il 555 sta all'elettronica come Arduino all'informatica! (entrambi loro malgrado)
Se volete risposte rispondete a tutte le mie domande
0
voti
Lo so che mi stai prendendo in giro e che non vedresti l'ora di dire " te l avevo detto", ahahahah. Comunque pensi possa funzionare un circuito del genere?
praticamente sarebbe la 3.3v_pover di questo circuito qua
solo che ora dovendone alimentare 16 di riscaldatori ho pensato di usare 6 lm in parallelo, ognuna avrà poi la propria r sense, il proprio pmos ecc. Molto probabilmente sarà rarissimo che si useranno tutti e 16 i riscaldatori insieme e tutti ad oltre 100 gradi quindi con più di 1A, ma io devo partire considerando il caso peggiore. Può anche essere che quando lo presento al prof mi dica, no ok così è problematico realizzarlo e quindi mi dice di controllare solo max 4 o 6 o 10 riscaldatori alla volta, ma questo poi si vedrà. In tanto , per ora come ti sembra questo circuito? Quale potrebbe essere una soluzione migliore eventualmente?
praticamente sarebbe la 3.3v_pover di questo circuito qua
solo che ora dovendone alimentare 16 di riscaldatori ho pensato di usare 6 lm in parallelo, ognuna avrà poi la propria r sense, il proprio pmos ecc. Molto probabilmente sarà rarissimo che si useranno tutti e 16 i riscaldatori insieme e tutti ad oltre 100 gradi quindi con più di 1A, ma io devo partire considerando il caso peggiore. Può anche essere che quando lo presento al prof mi dica, no ok così è problematico realizzarlo e quindi mi dice di controllare solo max 4 o 6 o 10 riscaldatori alla volta, ma questo poi si vedrà. In tanto , per ora come ti sembra questo circuito? Quale potrebbe essere una soluzione migliore eventualmente?
3
voti
Non ti sto prendendo in giro. Sto solo osservando che la richiesta di una tensione molto precisa per l'alimentazione di riscaldatori denota un errore di progetto.
Non so se cosi` possa funzionare, io non lo farei mai in quel modo, e probabilmente ci sono altri tipi di pezze da mettere, ma la cosa migliore e` fare un progetto corretto dall'inizio.e
Si impara anche sbattendo il naso perche' non si seguono i consigli altrui
Avevo domandato se attualmente ci sono dei problemi, e` un segreto della regina o si possono sapere? Che cosa vi ha indotto a mettere dei regolatori "precisi" sull'alimentazione?
Di che razza e` il tuo prof? Un elettronico analogico, un biochimico, un biologo?
Non so se cosi` possa funzionare, io non lo farei mai in quel modo, e probabilmente ci sono altri tipi di pezze da mettere, ma la cosa migliore e` fare un progetto corretto dall'inizio.e
Si impara anche sbattendo il naso perche' non si seguono i consigli altrui
Avevo domandato se attualmente ci sono dei problemi, e` un segreto della regina o si possono sapere? Che cosa vi ha indotto a mettere dei regolatori "precisi" sull'alimentazione?
Di che razza e` il tuo prof? Un elettronico analogico, un biochimico, un biologo?
Per usare proficuamente un simulatore, bisogna sapere molta più elettronica di lui
Plug it in - it works better!
Il 555 sta all'elettronica come Arduino all'informatica! (entrambi loro malgrado)
Se volete risposte rispondete a tutte le mie domande
Plug it in - it works better!
Il 555 sta all'elettronica come Arduino all'informatica! (entrambi loro malgrado)
Se volete risposte rispondete a tutte le mie domande
0
voti
Un alimentatore preciso serve perché non ho messo l amplificatore da strumentazione e quindi il software funziona considerando 3.3v, se in vece di 3.3 ne ho 3.25 mi cambia tutto perché stiamo parlando di resistenze di 0.4 ohm e variazioni di resistenze da 0.01 ohm quindi se la tensione varia anche di 10 mV cambia tutta la caratteristica temperature-resistenza. Comunque, un problema è a punto la bassa resistenza dei riscaldatori, la tensione di cui stiamo parlando ed un TCR diverso da quello ideale, ma quest ultimo non è un gran problema, per il resto sembra non ce ne siano altri.Quando ne controllerò 16 allora avrò un mare di errori e problemi, immagino già, ma più che altro credo software per controllare tutti i riscaldatori e la comunicazione con la GUI. Comunque il mio prof è di analogico
0
voti
Come lo alimenteresti tu questo circuito se non così? come potrebbe essere meglio? considerando ormai il circuito così come è?
13 messaggi
• Pagina 1 di 2 • 1, 2
Chi c’è in linea
Visitano il forum: Nessuno e 148 ospiti

Elettrotecnica e non solo (admin)
Un gatto tra gli elettroni (IsidoroKZ)
Esperienza e simulazioni (g.schgor)
Moleskine di un idraulico (RenzoDF)
Il Blog di ElectroYou (webmaster)
Idee microcontrollate (TardoFreak)
PICcoli grandi PICMicro (Paolino)
Il blog elettrico di carloc (carloc)
DirtEYblooog (dirtydeeds)
Di tutto... un po' (jordan20)
AK47 (lillo)
Esperienze elettroniche (marco438)
Telecomunicazioni musicali (clavicordo)
Automazione ed Elettronica (gustavo)
Direttive per la sicurezza (ErnestoCappelletti)
EYnfo dall'Alaska (mir)
Apriamo il quadro! (attilio)
H7-25 (asdf)
Passione Elettrica (massimob)
Elettroni a spasso (guidob)
Bloguerra (guerra)





