Stai interpretando male questa frase dell' esercizio:
M è attivo e presenta un'impedenza ai suoi capi pari ad 1/gm
I suoi capi sono il drain e il source .
Post modificato
scusa te lo riscrivo , perché altrimenti con r0 e rd che intendevo forse ti ho fatto confusione
Cosa è il piccolo segnale
Moderatori:
carloc,
g.schgor,
BrunoValente,
IsidoroKZ
13 messaggi
• Pagina 2 di 2 • 1, 2
0
voti
Bernheart ha scritto:
Ultima domanda: se mi si chiedesse di valutare il guadagno complessivo di questo circuito, come dovrei tener conto del guadagno di piccolo segnale?
In questo caso, se volessero sapere il guadagno complessivo ( ma una simile domanda non sarebbe proprio il massimo perché il guadagno complessivo è già quello calcolato in precedenza :) ).
Al limite potrebbero chiedere quanto vale il guadagno del Fet e quello dell' operazionale ( e sarebbe in ogni caso una domanda un po' particolare in sé per sé, però pertinente)
Secondo te quanto vale il guadagno del Fet e quello dell' operazionale ?
così fai un po' di esercizio....
1
voti
Scusami
Bernheart e chiedo scusa anche agli altri utenti se ho cancellato parzialmente il post sopra
Ti ho fatto uno schema con fidocad , così sarà più facile capire, ma forse è meglio che anche altri intervengano perché i mosfet usati come amplificatori, devo dire che non è il mio forte .
Però proviamoci :) ( siamo tutti qui per imparare)
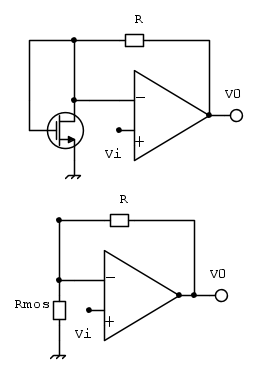
In pratica il circuito sopra si tramuta in quello sotto, dove penso saprai calcolarne il guadagno.
Facendo riferimento al tuo esercizio, finché La tensione Vi è minore di 1 volt anche quella sull' ingresso invertente sarà minore di 1 V e il mosfet è spento,pertanto la Rmos equivalente sarà molto alta perciò il guadagno del tutto si ridurrà all' unità.
Quando il segnale applicato Vi, invece supererà 1 volt, questo sarà trasportato anche ai capi dell' ingresso invertente e perciò al gate del mosfet, da qui la resistenza equivalente fra drain e source del mosfet diventerà 1/gm.
Questo perché gm ( la trasconduttanza) è determinata dal rapporto tra una piccola variazione di vgs e la sua corrispondente variazione di corrente di drain id
gm=id/vgs
Ma questo, immagino, lo saprai benissimo.
L'inverso 1/gm pertanto sarà vgs/id sarà una tranresistenza , ma in pratica in questo caso diventa una resistenza, perché il segnale applicato al gate rispetto massa attraverso Vi è anche applicato al drain rispetto massa, perciò al drain è applicato vgs e circolerà la corrente id perciò vgs/id = Rmos = 1/gm
Siccome gm cambierà valore al cambiare della tensione di polarizzazione del gate , ( ma qui credo sia meglio dire che gm cambierà a causa di un valore sempre più alto del segnale applicato), come sale la tensione Vi bisogna ricalcolare il valore di gm
Con i dati dell' esercizio quando Vgate = 2 volt la Rmos diventa 50 kohm e il guadagno 1.2
Vgate = 3 volt --> Rmos = 25 kohm e il guadagno 1,4
Vgate = 4 volt --> Rmos = 16,7 kohm e il guadagno 1,67
etc.
Riportando su un grafico i vari punti calcolati, si può avere un' idea della curva del guadagno ai diversi valori di Vi
Per quanto riguarda lo schema del mosfet ai piccoli segnali, in pratica ti serve a poco, visto che non ha preso in considerazione la r0 ( quella che io credevo fosse una rd).
quella è la resistenza di uscita del mosfet, ma che è stata trascurata nell' esercizio, perché immaginata molto alta rispetto a 1/gm ( ma in verità non è poi così trascurabile ).
Nel caso avessimo voluto tenerne di conto, il circuito equivalente sarebbe risultato così: e il guadagno sarebbe maggiorato a causa del contributo di r0
..però, ripeto , aspettiamo altri pareri più autorevoli
ciao
Ti ho fatto uno schema con fidocad , così sarà più facile capire, ma forse è meglio che anche altri intervengano perché i mosfet usati come amplificatori, devo dire che non è il mio forte .
Però proviamoci :) ( siamo tutti qui per imparare)
In pratica il circuito sopra si tramuta in quello sotto, dove penso saprai calcolarne il guadagno.
Facendo riferimento al tuo esercizio, finché La tensione Vi è minore di 1 volt anche quella sull' ingresso invertente sarà minore di 1 V e il mosfet è spento,pertanto la Rmos equivalente sarà molto alta perciò il guadagno del tutto si ridurrà all' unità.
Quando il segnale applicato Vi, invece supererà 1 volt, questo sarà trasportato anche ai capi dell' ingresso invertente e perciò al gate del mosfet, da qui la resistenza equivalente fra drain e source del mosfet diventerà 1/gm.
Questo perché gm ( la trasconduttanza) è determinata dal rapporto tra una piccola variazione di vgs e la sua corrispondente variazione di corrente di drain id
gm=id/vgs
Ma questo, immagino, lo saprai benissimo.
L'inverso 1/gm pertanto sarà vgs/id sarà una tranresistenza , ma in pratica in questo caso diventa una resistenza, perché il segnale applicato al gate rispetto massa attraverso Vi è anche applicato al drain rispetto massa, perciò al drain è applicato vgs e circolerà la corrente id perciò vgs/id = Rmos = 1/gm
Siccome gm cambierà valore al cambiare della tensione di polarizzazione del gate , ( ma qui credo sia meglio dire che gm cambierà a causa di un valore sempre più alto del segnale applicato), come sale la tensione Vi bisogna ricalcolare il valore di gm
Con i dati dell' esercizio quando Vgate = 2 volt la Rmos diventa 50 kohm e il guadagno 1.2
Vgate = 3 volt --> Rmos = 25 kohm e il guadagno 1,4
Vgate = 4 volt --> Rmos = 16,7 kohm e il guadagno 1,67
etc.
Riportando su un grafico i vari punti calcolati, si può avere un' idea della curva del guadagno ai diversi valori di Vi
Per quanto riguarda lo schema del mosfet ai piccoli segnali, in pratica ti serve a poco, visto che non ha preso in considerazione la r0 ( quella che io credevo fosse una rd).
quella è la resistenza di uscita del mosfet, ma che è stata trascurata nell' esercizio, perché immaginata molto alta rispetto a 1/gm ( ma in verità non è poi così trascurabile ).
Nel caso avessimo voluto tenerne di conto, il circuito equivalente sarebbe risultato così: e il guadagno sarebbe maggiorato a causa del contributo di r0
..però, ripeto , aspettiamo altri pareri più autorevoli
ciao
13 messaggi
• Pagina 2 di 2 • 1, 2
Chi c’è in linea
Visitano il forum: Nessuno e 80 ospiti

Elettrotecnica e non solo (admin)
Un gatto tra gli elettroni (IsidoroKZ)
Esperienza e simulazioni (g.schgor)
Moleskine di un idraulico (RenzoDF)
Il Blog di ElectroYou (webmaster)
Idee microcontrollate (TardoFreak)
PICcoli grandi PICMicro (Paolino)
Il blog elettrico di carloc (carloc)
DirtEYblooog (dirtydeeds)
Di tutto... un po' (jordan20)
AK47 (lillo)
Esperienze elettroniche (marco438)
Telecomunicazioni musicali (clavicordo)
Automazione ed Elettronica (gustavo)
Direttive per la sicurezza (ErnestoCappelletti)
EYnfo dall'Alaska (mir)
Apriamo il quadro! (attilio)
H7-25 (asdf)
Passione Elettrica (massimob)
Elettroni a spasso (guidob)
Bloguerra (guerra)


