Cos'è ElectroYou | Login Iscriviti

ElectroYou - la comunità dei professionisti del mondo elettrico

Eccitare un relè a 13.5 V e diseccitare a 12.5 V

Elettronica lineare e digitale: didattica ed applicazioni

Moderatori: Foto Utentecarloc, Foto Utenteg.schgor, Foto UtenteBrunoValente, Foto UtenteIsidoroKZ

0
voti

[11] Re: Eccitare un relè a 13.5 V e diseccitare a 12.5 V

Messaggioda Foto UtenteMarcoD » 18 gen 2016, 21:09

A che serve DS1 ?
Probabilmente come protezione del circuito, nel caso che , durante le prove al banco, si invertissero i collegamenti alla tensione di alimentazione. Non dovrebbe capitare, ma un errore è sempre possibile.
Poi con C1 realizza un filtro contro le cadute improvvise di tensione.
Io aumenterei C1 a 10 uF, o metterei in parallelo a C1 un 10 uF elettrolitico 16 VL O_/
Ultima modifica di Foto UtenteMarcoD il 18 gen 2016, 21:15, modificato 1 volta in totale.
Avatar utente
Foto UtenteMarcoD
12,2k 5 9 13
Master EY
Master EY
 
Messaggi: 6696
Iscritto il: 9 lug 2015, 16:58
Località: Torino

0
voti

[12] Re: Eccitare un relè a 13.5 V e diseccitare a 12.5 V

Messaggioda Foto Utenteibra » 18 gen 2016, 21:15

Io lo toglierei. Impossibile confondere un filo rosso da uno nero :D
Verba volant, scripta manent
Avatar utente
Foto Utenteibra
1.282 3 4 6
CRU - Account cancellato su Richiesta utente
 
Messaggi: 2100
Iscritto il: 15 lug 2015, 0:45

1
voti

[13] Re: Eccitare un relè a 13.5 V e diseccitare a 12.5 V

Messaggioda Foto UtenteGuidoB » 18 gen 2016, 23:42

DS1 e C1 servono come protezione (vecchie reminiscenze di Nuova Elettronica, che li inseriva sempre nei circuiti da montare su autoveicoli). Infatti, almeno a quei tempi, l'alimentazione prelevata dall'impianto elettrico dell'auto era piena di picchi positivi e negativi, che bruciavano i dispositivi elettronici collegati.
Soluzione: un 1N4007 per bloccare i picchi negativi fino a 1000 V, e un condensatore da 100 nF a bassa ESR per assorbire quelli positivi e ridurne l'ampiezza a livelli non dannosi.

Il diodo protegge anche contro collegamenti invertiti dell'alimentazione. Un condensatore fa sempre bene per filtrare eventuale rumore che entri dall'alimentazione.
Alla luce di tutto questo, io li metto sempre.

MarcoD ha scritto:Io aumenterei C1 a 10 uF, o metterei in parallelo a C1 un 10 uF elettrolitico 16 VL O_/

Sì, se dovessero entrare troppi disturbi che fanno scattare il relè quando non deve, o anche in caso di forti assorbimenti improvvisi ma momentanei (penso per esempio all'accensione di lampadine, che hanno un picco di assorbimento all'inizio), un condensatore elettrolitico anche piuttosto grosso, da almeno 25 VL, in parallelo al ceramico, potrebbe aiutare a mantenere stabile l'alimentazione del dispositivo durante brevi abbassamenti dell'alimentazione.

Per contrastare disturbi momentanei si potrebbe anche imporre un tempo di persistenza del livello di tensione sfruttando il secondo operazionale, ora inutilizzato. Se interessa ci posso pensare.

Altra cosetta, ho collegato la retroazione positiva in un modo un po' strano, al nodo R2-R3 anziché all'ingresso + dell'operazionale.
La spiegazione è che quell'operazionale presenta in uscita, a livello alto, una tensione da 1,5 a 2 V inferiore alla tensione di alimentazione. Inserendo per R2 una resistenza che faccia cadere, a livello alto, una tensione tra 1,5 e 2 V, ecco che R6-R7 sono sottoposte a una d.d.p. molto piccola o nulla. Pertanto a livello alto sono percorse da una corrente piccola o nulla, e si può regolare R3 senza preoccuparsi dell'influenza della posizione di R6.
Una volta regolata R3 si può effettuare la regolazione di R6, che invece sì dipende dalla posizione di R3.

Spero non sia troppo confuso...
Big fan of ƎlectroYou!       Ausili per disabili e anziani su ƎlectroYou
Caratteri utili: À È É Ì Ò Ó Ù α β γ δ ε η θ λ μ π ρ σ τ φ ω Ω º ª ² ³ √ ∛ ∜ ₀ ₁ ₂ ₃ ₄ ₅ ₆ ∃ ∄ ∆ ∈ ∉ ± ∓ ∾ ≃ ≈ ≠ ≤ ≥
Avatar utente
Foto UtenteGuidoB
17,8k 7 12 13
G.Master EY
G.Master EY
 
Messaggi: 2811
Iscritto il: 3 mar 2011, 16:48
Località: Madrid

0
voti

[14] Re: Eccitare un relè a 13.5 V e diseccitare a 12.5 V

Messaggioda Foto Utenteibra » 19 gen 2016, 0:16

DS1 e C1 servono come protezione (vecchie reminiscenze di Nuova Elettronica

Considerati azzerato di tutti i punti che hai accumulato. O_/
Verba volant, scripta manent
Avatar utente
Foto Utenteibra
1.282 3 4 6
CRU - Account cancellato su Richiesta utente
 
Messaggi: 2100
Iscritto il: 15 lug 2015, 0:45

1
voti

[15] Re: Eccitare un relè a 13.5 V e diseccitare a 12.5 V

Messaggioda Foto UtenteGuidoB » 19 gen 2016, 0:40

:lol: :lol: :lol:

Guarda che la vecchia NE (fino al numero 200, più o meno) pur con le sue formulette empiriche e la tendenza a semplificare, ha fatto una bella fetta di storia dell'elettronica per hobby in Italia.
La sua vocazione non era certo accademica, io non gliene farei una colpa.

O_/ O_/ O_/
Big fan of ƎlectroYou!       Ausili per disabili e anziani su ƎlectroYou
Caratteri utili: À È É Ì Ò Ó Ù α β γ δ ε η θ λ μ π ρ σ τ φ ω Ω º ª ² ³ √ ∛ ∜ ₀ ₁ ₂ ₃ ₄ ₅ ₆ ∃ ∄ ∆ ∈ ∉ ± ∓ ∾ ≃ ≈ ≠ ≤ ≥
Avatar utente
Foto UtenteGuidoB
17,8k 7 12 13
G.Master EY
G.Master EY
 
Messaggi: 2811
Iscritto il: 3 mar 2011, 16:48
Località: Madrid

0
voti

[16] Re: Eccitare un relè a 13.5 V e diseccitare a 12.5 V

Messaggioda Foto UtentePixy » 19 gen 2016, 0:48

GuidoB ha scritto:Avevo disegnato anch'io un circuito e anche se Foto UtentePixy mi ha preceduto, ormai l'ho fatto e lo posto.


Hai fatto benissimo Foto UtenteGuidoB, tra l' altro molto più semplice . Ho voluto fare qualcosa di diverso dal solito, ma forse perFoto Utentefrancopallino è la soluzione migliore

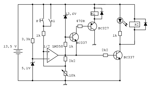
Come promesso, Foto Utentefrancopallino, ti faccio una descrizione dettagliata del circuito.
Per capire meglio dividiamo il circuito in 2 parti, così lo schema che può sembrare lì per lì complicato, in verità risulterà molto semplice.


Questa sopra è la parte di circuito che determina la disattivazione del relé al minimo valore di tensione della batteria .
Per tararlo basta alimentare il circuito alla tensione minima che vuoi che intervenga, ammettiamo, per ipotesi, che questa sia 12,5 V
Per prima cosa porta il potenziometro al suo massimo valore e premi il pulsante P. Il led si accenderà ( e così anche il relé si ecciterà ).
Adesso basta ruotare il potenziometro, molto lentamente fino a che il led si spenge.
Quella sarà la tensione a cui il regolatore si spengerà da qui in avanti e non si attiverà più nemmeno anche se la tensione della batteria arrivasse a 100 V
Il funzionamento è il seguente:
Ammettiamo di essere a batteria carica, allora l' uscita dell' operazionale è alta( pin 1 del LM358) al valore circa della batteria.
Il pin 2 ( l'ingresso invertente) si trova alla tensione di 5,1 V fissata dallo zener , mentre il pin 3 ( ingresso non invertente) si trova alla tensione determinata dal rapporto del partitore fra il potenziometro che hai tarato e la resistenza da 2k2. Questo rapporto quando la batteria è carica è superiore alla tensione di 5,1 V ,perché tu prima con la manovra hai tarato il pin 3 al valore di 5,1 V, ma quando la batteria è scarica perciò l'operazionale ha l' uscita alta ( appunto).
Quando la tensione della batteria cala, anche la tensione sul pin 1( uscita dell' operazionale) cala e quando arriverà leggermente sotto i 12,5 V allora il pin 3 si porterà ad una tensione inferiore ai 5,1 V del
pin 2 , e l' uscita del LM 358 andrà a massa. A questo punto non è più possibile che il circuito si riattivi, nemmeno a qualunque valore si caricherebbe la batteria

Per riattivare il tutto basta premere il pulsante P, ma solo quando il valore di tensione della batteria sarà almeno leggermente superiore ai 12,5 V, dopodiché tutto funziona come prima e arrivati leggermente sotto i 12,5 volt,di nuovo si spenge tutto.
Se tenti di attivare il circuito con il pulsante P quando la tensione è sotto i 12,5 V, il led si accenderà, ma appena lasci il pulsante si spengerà.

A questo punto basta trovare qualcuno che prema il pulsante al posto nostro e alla tensione che desideriamo si riattivi tutto.
Questo lo realizzano i due transistor e un piccolo relè R1

Infatti,a batteria scarica , l' uscita dell' operazionale è a massa e fra questa e il positivo della batteria c'è uno zener da 13,6 V e solo quando la batteria sarà carica, allora passerà corrente alla base del BC337 che alimenterà il BC237 che alimenterà il piccolo relè che fa le veci del pulsante e commutando attiverà di nuovo il circuto. Ma appena l' ucita del LM358 si porterà a Vcc allora non potrà più scorrere corrente nei due transistor e R1 si disecciterà immediatamente. Ma ormai il circuito è di nuovo in funzione e si bloccherà di nuovo appena arriverà ai 12,5 V
Il pulsante P , oltre che alla prima taratura, può servire se vuoi ricollegare la batteria al carico, anche se non ha raggiunto la piena carica, infatti premendo il pulsante il tutto si riattiva se la tensione della batteria è almeno superiore anche di poco della tensione minima, ma appena raggiunta la tensione minima il tutto si spenge di nuovo.
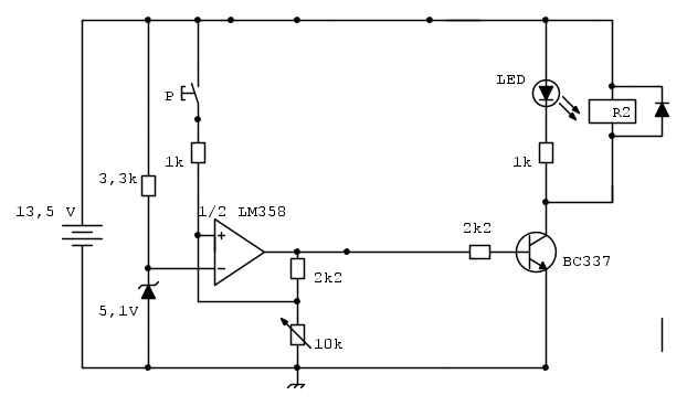
Se comunque vuoi fare una cosa più semplice, puoi optare per quella presentata da Foto UtenteGuidoB .
il funzionamento è simile.
Se ci sono altri dubbi, fammi sapere.
O_/
Avatar utente
Foto UtentePixy
559 2 7
Expert EY
Expert EY
 
Messaggi: 478
Iscritto il: 20 nov 2012, 20:14

1
voti

[17] Re: Eccitare un relè a 13.5 V e diseccitare a 12.5 V

Messaggioda Foto Utenteluxinterior » 19 gen 2016, 9:58

A che serve DS1 ?

Forse in questo progetto è una sicurezza in più ma di solito ha una funzione insostituibile anche se non tecnica.

Realizzo schede per utilizzo in ambito industriale e so cosa succede quando l'elettricista addetto al cablaggio dle quadro ha il mal di pancia o pensa alle rate del mutuo in scadenza o lavora sotto pressione ... In quel caso il diodo interviene evitando costosi fermi macchina.
Avatar utente
Foto Utenteluxinterior
4.311 3 4 9
Master EY
Master EY
 
Messaggi: 2690
Iscritto il: 6 gen 2016, 17:48

0
voti

[18] Re: Eccitare un relè a 13.5 V e diseccitare a 12.5 V

Messaggioda Foto Utentefrancopallino » 19 gen 2016, 21:01

vi ringrazio per le risposte provero anche questi circuiti, perche ne ho altri visti e proposti
un grazie e saluti
Avatar utente
Foto Utentefrancopallino
15 3
New entry
New entry
 
Messaggi: 51
Iscritto il: 6 nov 2015, 18:07

0
voti

[19] Re: Eccitare un relè a 13.5 V e diseccitare a 12.5 V

Messaggioda Foto Utentefrancopallino » 19 gen 2016, 21:03

dimenticavo appena ho risultati buoni voi faccio sapere
grazie
Avatar utente
Foto Utentefrancopallino
15 3
New entry
New entry
 
Messaggi: 51
Iscritto il: 6 nov 2015, 18:07

0
voti

[20] Re: Eccitare un relè a 13.5 V e diseccitare a 12.5 V

Messaggioda Foto Utenteibra » 19 gen 2016, 22:27

Se vuoi usare lo schema postato nella [9], collega il polo positivo del relè e il catodo di DS2 prima di DS1 ;-)
O_/
Verba volant, scripta manent
Avatar utente
Foto Utenteibra
1.282 3 4 6
CRU - Account cancellato su Richiesta utente
 
Messaggi: 2100
Iscritto il: 15 lug 2015, 0:45

PrecedenteProssimo

Torna a Elettronica generale

Chi c’è in linea

Visitano il forum: Nessuno e 160 ospiti