da
IsidoroKZ » 20 gen 2016, 0:41
Perche' usate cosi` tanti potenziometri e trimmer (e rele')? Di solito meglio evitarli, per motivi di costo, affidabilita`, stabilita`... Se le specifiche sono sicure (ma non e` questo il caso, in cui la descrizione non e` molto chiara) si puo` fare un circuito comparatore preciso senza usare trimmer e zener, che anche loro come precisione lasciano a desiderare. Si tratta di usare un riferimento di tensione di precisione, e resistenze di precisione, oppure un A/D e un micro, ma non e` divertente

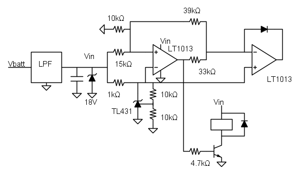
Un esempio di come si puo` fare il comparatore con isteresi e` in questo schema
Con un riferimento di tensione preciso si puo` avere sia il riferimento per il comparatore sia il clamp di precisione per avere l'uscita del comparatore indipendente dalla tensione di alimentazione.
Una cosa importante e` filtrare l'alimentazione e proteggere l'elettronica dagli sbalzi sulla rete.