Realizzazione pannello comandi per modellismo ferroviario
33 messaggi
• Pagina 2 di 4 • 1, 2, 3, 4
0
voti
Qual e` la potenza del trasformatore di alimentazione degli scambi? Oppure quanta corrente puo` erogare in modo continuativo?
Per usare proficuamente un simulatore, bisogna sapere molta più elettronica di lui
Plug it in - it works better!
Il 555 sta all'elettronica come Arduino all'informatica! (entrambi loro malgrado)
Se volete risposte rispondete a tutte le mie domande
Plug it in - it works better!
Il 555 sta all'elettronica come Arduino all'informatica! (entrambi loro malgrado)
Se volete risposte rispondete a tutte le mie domande
0
voti
Per Attilio:
Ho visto il deviatore che dici tu. Si effettivamente è comodo però utilizzandolo non avrei problemi per la parte led di visualizzazione, mentre per la parte meccanica degli scambi non so se lasciati sempre alimentati se si rompono (a parte il ronzio che è fastidiosissimo).
Per Isidoro:
Attualmente sto utilizzando un vecchio trasformatore recuperato da una vetrinetta. Alimentava dei faretti alogeni a 12V. Dovrebbe essere da 80W ma non ricordo e visto che non sono a casa non posso controllare. Anche se sbaglio, meno di 60W non è perché il totale dei faretti che alimentava era 50W.
Comunque ritornado al mio problema, penso sia meglio evitare dispositivi meccanici diretti perché attualmente comanderò gli scambi in analogico ma poi penso di passare ai comandi digitali (attualmente in digitale c'è solo la trazione). Realizzando il circuito completamente elettronico e allacciandolo direttamente all'alimentazione dello scambio non mi cambia niente se questo viene comandato da un pulsante oppure dal driver digitale
Ho visto il deviatore che dici tu. Si effettivamente è comodo però utilizzandolo non avrei problemi per la parte led di visualizzazione, mentre per la parte meccanica degli scambi non so se lasciati sempre alimentati se si rompono (a parte il ronzio che è fastidiosissimo).
Per Isidoro:
Attualmente sto utilizzando un vecchio trasformatore recuperato da una vetrinetta. Alimentava dei faretti alogeni a 12V. Dovrebbe essere da 80W ma non ricordo e visto che non sono a casa non posso controllare. Anche se sbaglio, meno di 60W non è perché il totale dei faretti che alimentava era 50W.
Comunque ritornado al mio problema, penso sia meglio evitare dispositivi meccanici diretti perché attualmente comanderò gli scambi in analogico ma poi penso di passare ai comandi digitali (attualmente in digitale c'è solo la trazione). Realizzando il circuito completamente elettronico e allacciandolo direttamente all'alimentazione dello scambio non mi cambia niente se questo viene comandato da un pulsante oppure dal driver digitale
0
voti
L'alimentatore puo` essere fatto usando il trasformatore che hai gia`.
Per i flip flop si possono usare dei CD4043, guarda se riesci a procurarteli. In questo caso servirebbero due integrati, perche' dentro ogni 4043 ci sono 4 flip flop e avresti due riserve per le espansioni. Se invece non si trovano bisogna andare sui 4013, pero` ce ne sono solo due per integrato e quindi ti servono 3 integrati senza nessuna riserva per espansioni.
Appena decido di rilassarmi un po' dal tour de force di lavoro di questi giorni posto uno schema.
Mi serve una misura sugli scambi. Dai tensione a una delle due bobine Schiaccia cioe` un pulsante, e misura con un tester in alternata la tensione sull'altra bobina, quella non pilotata.
Edit, aggiunta: gia` che ci siamo, misura tensione e corrente di alimentazione dello scambio e resistenza in continua, cosi` riesco a farmi una idea di resistenza e induttanza dell'avvolgimento.
Per i flip flop si possono usare dei CD4043, guarda se riesci a procurarteli. In questo caso servirebbero due integrati, perche' dentro ogni 4043 ci sono 4 flip flop e avresti due riserve per le espansioni. Se invece non si trovano bisogna andare sui 4013, pero` ce ne sono solo due per integrato e quindi ti servono 3 integrati senza nessuna riserva per espansioni.
Appena decido di rilassarmi un po' dal tour de force di lavoro di questi giorni posto uno schema.
Mi serve una misura sugli scambi. Dai tensione a una delle due bobine Schiaccia cioe` un pulsante, e misura con un tester in alternata la tensione sull'altra bobina, quella non pilotata.
Edit, aggiunta: gia` che ci siamo, misura tensione e corrente di alimentazione dello scambio e resistenza in continua, cosi` riesco a farmi una idea di resistenza e induttanza dell'avvolgimento.
Per usare proficuamente un simulatore, bisogna sapere molta più elettronica di lui
Plug it in - it works better!
Il 555 sta all'elettronica come Arduino all'informatica! (entrambi loro malgrado)
Se volete risposte rispondete a tutte le mie domande
Plug it in - it works better!
Il 555 sta all'elettronica come Arduino all'informatica! (entrambi loro malgrado)
Se volete risposte rispondete a tutte le mie domande
0
voti
Agatino ha scritto:Avevo pensato di utilizzare un flip flop SR per gestire la "memoria"
Forse dico una stupidaggine ma non hai pensato all'uso di un magnetino e un'ampolla reed? Avresti sempre la segnalazione corretta della via selezionata
0
voti
edgar ha scritto:Forse dico una stupidaggine ma non hai pensato all'uso di un magnetino e un'ampolla reed? Avresti sempre la segnalazione corretta della via selezionata
Ciao.
Impossibile utilizzare questa soluzione. Lo scartamento tra le rotaie è di 9mm e lo spostamento degli aghi è di circa 2 mm. A parte che sarebbe antiestetico mettere il magnetino e i reed, ma poi penso sia difficile abilitare/disabilitare il reed con uno spostamento così minimo.
0
voti
Non è che gli scambi (almeno alcuni) li fanno già con un contatto fisso in morsettiera, che è quello che si adopera, forse impropriamente, per comandare i semafori?
0
voti
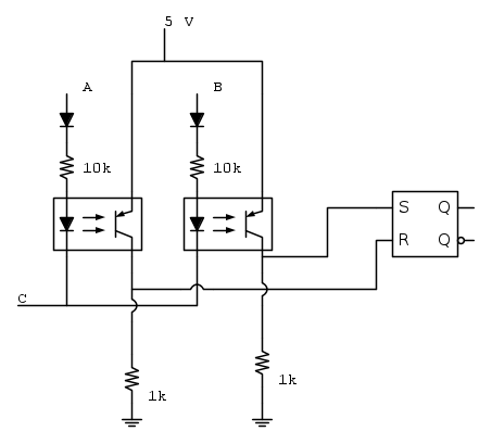
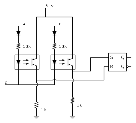
ragazzi ho provato a buttare giù una bozza di inizio schema.
A e B sono collegati ai due pulsanti che comandano gli scambi mentre C è collegato al comune degli scambi.
ad A e B giunge alla pressione del rispettivo pulsante una tensione di 12V alternata.
Manca la parte di pilotaggio dei led.
PS. perdonate lo schema ma è la prima volta che uso fidocad
A e B sono collegati ai due pulsanti che comandano gli scambi mentre C è collegato al comune degli scambi.
ad A e B giunge alla pressione del rispettivo pulsante una tensione di 12V alternata.
Manca la parte di pilotaggio dei led.
PS. perdonate lo schema ma è la prima volta che uso fidocad
0
voti
I due ingressi del FF sono collegati insieme. Serve proprio l'isolamento dell'opto?
Per usare proficuamente un simulatore, bisogna sapere molta più elettronica di lui
Plug it in - it works better!
Il 555 sta all'elettronica come Arduino all'informatica! (entrambi loro malgrado)
Se volete risposte rispondete a tutte le mie domande
Plug it in - it works better!
Il 555 sta all'elettronica come Arduino all'informatica! (entrambi loro malgrado)
Se volete risposte rispondete a tutte le mie domande
33 messaggi
• Pagina 2 di 4 • 1, 2, 3, 4
Torna a Costruzione, riparazione, riutilizzo
Chi c’è in linea
Visitano il forum: Nessuno e 131 ospiti

Elettrotecnica e non solo (admin)
Un gatto tra gli elettroni (IsidoroKZ)
Esperienza e simulazioni (g.schgor)
Moleskine di un idraulico (RenzoDF)
Il Blog di ElectroYou (webmaster)
Idee microcontrollate (TardoFreak)
PICcoli grandi PICMicro (Paolino)
Il blog elettrico di carloc (carloc)
DirtEYblooog (dirtydeeds)
Di tutto... un po' (jordan20)
AK47 (lillo)
Esperienze elettroniche (marco438)
Telecomunicazioni musicali (clavicordo)
Automazione ed Elettronica (gustavo)
Direttive per la sicurezza (ErnestoCappelletti)
EYnfo dall'Alaska (mir)
Apriamo il quadro! (attilio)
H7-25 (asdf)
Passione Elettrica (massimob)
Elettroni a spasso (guidob)
Bloguerra (guerra)







