Un driver come questo, anche se un po' costoso potrebbe andar bene??
http://www.ebay.it/itm/2-4-phase-Nema-23-Stepper-Motor-Driver-24-50VDC-1-5A-4-5A-256-Microstep-M542T-/231403793456?hash=item35e0bdac30:g:FcYAAOSwAL9Udd2E
Controller motore passo passo bipolare
Moderatori:
carloc,
g.schgor,
BrunoValente,
IsidoroKZ
23 messaggi
• Pagina 2 di 3 • 1, 2, 3
4
voti
Beh in effetti ad una rapida ricerca non risultano "soluzioni pronte" per tensioni così "basse" e correnti così "alte"
Il driver che hai trovato "parte" da 24 V
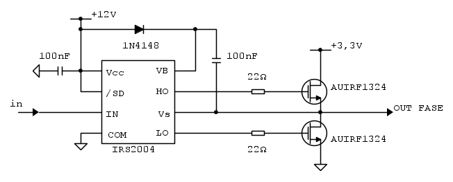
comunque con due buoni MOS e un driver adatto...
si riesce a realizzare semplicemente qualcosa che dovrebbe pilotare il tuo motore anche senza dissipatore
In effetti manca la protezione per corto circuito ma direi che se compresa nell'alimentatore da 3,3V con cui alimenti il motore potremmo pure farne a meno
A proposito che alimentatore hai intenzione di usare?
Se hai intenzione di realizzarlo fammi sapere che ci sono alcuni dettagli da mettere a posto e alcuni aspetti del layout (disposizione piste e componenti) del PCB da considerare.
Il driver che hai trovato "parte" da 24 V
comunque con due buoni MOS e un driver adatto...
si riesce a realizzare semplicemente qualcosa che dovrebbe pilotare il tuo motore anche senza dissipatore
In effetti manca la protezione per corto circuito ma direi che se compresa nell'alimentatore da 3,3V con cui alimenti il motore potremmo pure farne a meno
A proposito che alimentatore hai intenzione di usare?
Se hai intenzione di realizzarlo fammi sapere che ci sono alcuni dettagli da mettere a posto e alcuni aspetti del layout (disposizione piste e componenti) del PCB da considerare.
Se ti serve il valore di beta: hai sbagliato il progetto!
0
voti
Grazie mille Carlo,
E' strano però che ho trovato in vendita su ebay quel driver, con un motore identico al mio venduti in coppia...
http://www.ebay.it/itm/1-Axis-1-9Nm-CNC-Kit-Nema-23-Stepper-Motor-Driver-CNC-Mill-Router-Lathe-Robot-/262028142098?hash=item3d02182612:g:wFYAAOSwu4BVzv6Z
Comunque sarei disposto a realizzare il tuo circuito.
L'alimentazione verrà sicuramente da una batteria. Io pensavo alle 18650, leggere e con parecchi ampere. Però se il circuito deve essere alimentato a 12V allora il discorso cambia, magari potrei utilizzare una batteria al piombo.
Se non ho capito male, il circuito che hai allegato dovrei moltiplicarlo x4 per poter comandare il motore
E' strano però che ho trovato in vendita su ebay quel driver, con un motore identico al mio venduti in coppia...
http://www.ebay.it/itm/1-Axis-1-9Nm-CNC-Kit-Nema-23-Stepper-Motor-Driver-CNC-Mill-Router-Lathe-Robot-/262028142098?hash=item3d02182612:g:wFYAAOSwu4BVzv6Z
Comunque sarei disposto a realizzare il tuo circuito.
L'alimentazione verrà sicuramente da una batteria. Io pensavo alle 18650, leggere e con parecchi ampere. Però se il circuito deve essere alimentato a 12V allora il discorso cambia, magari potrei utilizzare una batteria al piombo.
Se non ho capito male, il circuito che hai allegato dovrei moltiplicarlo x4 per poter comandare il motore
-

panorantini
10 1 4 - Messaggi: 46
- Iscritto il: 20 feb 2012, 12:56
3
voti
panorantini ha scritto:Grazie mille Carlo,
E' strano però che ho trovato in vendita su ebay quel driver, con un motore identico al mio venduti in coppia...
sarebbe stato meglio avessi letto le specifiche attentamente quel driver va benissimo per il tuo motore
l'alimentazione minima è 24 V ma l'uscita è controllata in corrente, quindi una volta impostata a 2,8A o quello che vuole il tuo motore sei a posto! La tensione in uscita si "adatta" a quella richiesta.Se ti serve il valore di beta: hai sbagliato il progetto!
0
voti
Ciao Carlo,
Sinceramente avevo provato a leggerlo ma ho qualche difficoltà con l'inglese...
stavo guardando il circuito che mi hai postato, e anch'esso comunque richiede un'alimentazione di 12v.
A questo punto non mi converrebbe utilizzare questo http://www.ebay.it/itm/TB6560-Driver-3A-1-Asse-per-Motore-Passo-Passo-Stepper-Scheda-Controllo-IT-TE218-/321782821140?hash=item4aebc03114:g:HPoAAOSwVL1WA9mP
Da quello che ho capito anche lui richiede un'alimentazione di 24 V, e quindi aggiungere un convertitore boost per portare la tensione da 12 a 24 V?
Con una 20ina di euro risolverei il problema, o forse mi sfugge qualcosa??
carloc ha scritto: sarebbe stato meglio avessi letto le specifiche attentamente
Sinceramente avevo provato a leggerlo ma ho qualche difficoltà con l'inglese...
stavo guardando il circuito che mi hai postato, e anch'esso comunque richiede un'alimentazione di 12v.
A questo punto non mi converrebbe utilizzare questo http://www.ebay.it/itm/TB6560-Driver-3A-1-Asse-per-Motore-Passo-Passo-Stepper-Scheda-Controllo-IT-TE218-/321782821140?hash=item4aebc03114:g:HPoAAOSwVL1WA9mP
Da quello che ho capito anche lui richiede un'alimentazione di 24 V, e quindi aggiungere un convertitore boost per portare la tensione da 12 a 24 V?
Con una 20ina di euro risolverei il problema, o forse mi sfugge qualcosa??
-

panorantini
10 1 4 - Messaggi: 46
- Iscritto il: 20 feb 2012, 12:56
2
voti
panorantini ha scritto:...
Sinceramente avevo provato a leggerlo ma ho qualche difficoltà con l'inglese...![]()
...
Beh sai mi riferivo a me stesso
sì, anche quello che hai linkato ora dovrebbe essere ok
ma è specificato da 10V a 30V non ti serve nessuno step-up Se ti serve il valore di beta: hai sbagliato il progetto!
0
voti
Bè ancora meglio!!
Ma mi sfugge una cosa su questi driver: nell'ultimo che ho postato abbiamo nel lato sinistro 4 morsetti dove andrà collegato il motore (A+, A-, B+, B-) ed altri due per l'alimentazione (+24 V e GND);
nell'altro lato invece non ho capito molto bene, EN+,EN- immagino che siano per l'abilitazione dei motori, CW-, CW+, CLK-, CLK+ invece sono quelli che devo collegare al mio micro?
Dove collego l'alimentazione dei motori?
Per mia ignoranza, c'è qualcosa che mi sfugge.. Forse, come mi avevi indicato in precedenza, basta settare gli Ampere e poi la tensione si aggiusta da sola in base alle esigenze?
Ti ringrazio molto per la tua pazienza...
Ma mi sfugge una cosa su questi driver: nell'ultimo che ho postato abbiamo nel lato sinistro 4 morsetti dove andrà collegato il motore (A+, A-, B+, B-) ed altri due per l'alimentazione (+24 V e GND);
nell'altro lato invece non ho capito molto bene, EN+,EN- immagino che siano per l'abilitazione dei motori, CW-, CW+, CLK-, CLK+ invece sono quelli che devo collegare al mio micro?
Dove collego l'alimentazione dei motori?
Per mia ignoranza, c'è qualcosa che mi sfugge.. Forse, come mi avevi indicato in precedenza, basta settare gli Ampere e poi la tensione si aggiusta da sola in base alle esigenze?
Ti ringrazio molto per la tua pazienza...

-

panorantini
10 1 4 - Messaggi: 46
- Iscritto il: 20 feb 2012, 12:56
0
voti
Alla fine ho acquistato il driver TB6560 da 3A che avevo postato in precedenza. Cercando un po' in rete sono riuscito a capire a cosa servono i vari morsetti. Ho visto che molte persone utilizzano questi driver con motori stepper da 2 o 3volt di alimentazione. Quindi non ho capito bene il funzionamento di questa alimentazione ma spero che tutto funzioni come previsto...
Se qualcuno avesse voglia di togliermi questo dubbio:
Io alimento il driver a 12Volts e tramite gli switch presenti nella scheda setto gli ampere che dovranno scorrere nel motore.. Il motore è un Nema 23 da 3,2V e 2,8A. Quello che non riesco a comprendere è come il driver riuscirà a far arrivare la giusta tensione al motore, se io non la imposto da nessuna parte e l'alimentazione della scheda è di circa 4 volte quella del motore?
La scheda non è ancora arrivata, ma speriamo che tutto funzionerà senza combinare danni...
Se qualcuno avesse voglia di togliermi questo dubbio:
Io alimento il driver a 12Volts e tramite gli switch presenti nella scheda setto gli ampere che dovranno scorrere nel motore.. Il motore è un Nema 23 da 3,2V e 2,8A. Quello che non riesco a comprendere è come il driver riuscirà a far arrivare la giusta tensione al motore, se io non la imposto da nessuna parte e l'alimentazione della scheda è di circa 4 volte quella del motore?
La scheda non è ancora arrivata, ma speriamo che tutto funzionerà senza combinare danni...
-

panorantini
10 1 4 - Messaggi: 46
- Iscritto il: 20 feb 2012, 12:56
1
voti
I driver per stepper effettuano una regolazione PWM della corrente. In effetti, più che regolare, convertono e quindi si alimentano con tensioni molto superiori di quelle nominali dei motori. Inoltre più la tensione è alta, meno i mosfet interni scaldano perché si riduce il Ton del PWM limitando così la dissipazione termica.
A questo punto fa più bene al driver essere alimentato alla sua tensione massima invece che a soli 12V.
A questo punto fa più bene al driver essere alimentato alla sua tensione massima invece che a soli 12V.
-

TardoFreak
73,9k 8 12 13 - -EY Legend-

- Messaggi: 15754
- Iscritto il: 16 dic 2009, 11:10
- Località: Torino - 3° pianeta del Sistema Solare
23 messaggi
• Pagina 2 di 3 • 1, 2, 3
Chi c’è in linea
Visitano il forum: Nessuno e 270 ospiti

Elettrotecnica e non solo (admin)
Un gatto tra gli elettroni (IsidoroKZ)
Esperienza e simulazioni (g.schgor)
Moleskine di un idraulico (RenzoDF)
Il Blog di ElectroYou (webmaster)
Idee microcontrollate (TardoFreak)
PICcoli grandi PICMicro (Paolino)
Il blog elettrico di carloc (carloc)
DirtEYblooog (dirtydeeds)
Di tutto... un po' (jordan20)
AK47 (lillo)
Esperienze elettroniche (marco438)
Telecomunicazioni musicali (clavicordo)
Automazione ed Elettronica (gustavo)
Direttive per la sicurezza (ErnestoCappelletti)
EYnfo dall'Alaska (mir)
Apriamo il quadro! (attilio)
H7-25 (asdf)
Passione Elettrica (massimob)
Elettroni a spasso (guidob)
Bloguerra (guerra)
