Circuito per Peltier cooler
Moderatori:
g.schgor,
IsidoroKZ
10 messaggi
• Pagina 1 di 1
0
voti
Ciao a tutti, devo utilizzare per la prima volta un peltier cooler, e non ho idea come fare il circuito o ancora meglio non so se serva un circuito per controllarlo. Il mio peltier cooler dovrà rimanere sempre acceso e avrà una potenza dagli 8W ai 30 W massimo. Devo fare qualche circuito per limitare la corrente ? Avete qualche esmpio da mostrarmi? Grazie
0
voti
non avendone mai usate non ti so dire se ci sia uno slittamento di tensione che implichi l'uso di un controllo in corrente, mi pare che le diano per 12V, quindi direi di no.
detto questo devi porti il problema di come ottenre 30W in Dc, la soluzione ottimale sarebbe uno switching, hai meno perdite di potenza, ne trovi di commerciali con la regolazione di tensione, magari con poco si riesce anche a regolarlo esternamente; oppure usi un trasformatore con ponte e grossi condensatori e per la regolazione ti consiglio anche qua un regolatore switching, ne trovi gia pronti da 3A, poi non resta che fare prove.
saluti.
detto questo devi porti il problema di come ottenre 30W in Dc, la soluzione ottimale sarebbe uno switching, hai meno perdite di potenza, ne trovi di commerciali con la regolazione di tensione, magari con poco si riesce anche a regolarlo esternamente; oppure usi un trasformatore con ponte e grossi condensatori e per la regolazione ti consiglio anche qua un regolatore switching, ne trovi gia pronti da 3A, poi non resta che fare prove.
saluti.
-

lelerelele
4.899 3 7 9 - Master

- Messaggi: 5505
- Iscritto il: 8 giu 2011, 8:57
- Località: Reggio Emilia
0
voti
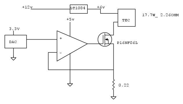
Avevo pensato di collegarlo ad un alimentatore da computer, al pin dei 5V. Il datasheet precisa che la v max è 8.8v.
0
voti
Si la regolo e il circuito che utilizzo è questo.
Naturalmente mancano il condensatore nelle alimentazioni. Farò scorrere 2A ma con la possibilità di diminuire la corrente grazie al DAC. Cosa ne pensi? Un' altra cosa che vorrei fare è usare un ponte H per usare il peltier per raffreddare e riscaldare. Sai suggerirmi qualche ponte H con una potenza che faccia al caso mio?
Naturalmente mancano il condensatore nelle alimentazioni. Farò scorrere 2A ma con la possibilità di diminuire la corrente grazie al DAC. Cosa ne pensi? Un' altra cosa che vorrei fare è usare un ponte H per usare il peltier per raffreddare e riscaldare. Sai suggerirmi qualche ponte H con una potenza che faccia al caso mio?
0
voti
OK, il circuito funziona.
......infatti cio che mi stavo chiedendo è perché usare un mosfet? (ora i mosfet si mettono anche nella minestra.)
un impiego lineare, specialmente di potenza, ha come componente naturale il transistor, certo che cambia il pilotaggio in ingresso ed anche la saturazione è da prendere in considerazione.
oppure anche usare un IGBT.
ma il controllo migliore per me è sempre un bel convertitore.
saluti.
......infatti cio che mi stavo chiedendo è perché usare un mosfet? (ora i mosfet si mettono anche nella minestra.)
un impiego lineare, specialmente di potenza, ha come componente naturale il transistor, certo che cambia il pilotaggio in ingresso ed anche la saturazione è da prendere in considerazione.
oppure anche usare un IGBT.
ma il controllo migliore per me è sempre un bel convertitore.
saluti.
-

lelerelele
4.899 3 7 9 - Master

- Messaggi: 5505
- Iscritto il: 8 giu 2011, 8:57
- Località: Reggio Emilia
1
voti
tim ha scritto:Si la regolo e il circuito che utilizzo è questo.
Naturalmente mancano il condensatore nelle alimentazioni. Farò scorrere 2A ma con la possibilità di diminuire la corrente grazie al DAC. Cosa ne pensi? Un' altra cosa che vorrei fare è usare un ponte H per usare il peltier per raffreddare e riscaldare. Sai suggerirmi qualche ponte H con una potenza che faccia al caso mio?
Ciao, in linea di principio il regolatore va bene però, secondo me, dovresti togliere l' LT1084 ed alimentare l'operazionale a 12V.
La prima, perché è inutile ridurre la tensione di alimentazione quando lo stesso lavoro lo farà automaticamente il mosfet utilizzando tutta la dinamica di alimentazione possibile, anzi nel caso la tua cella avesse bisogno di più di 6V di alimentazione (cosa possibilissima ho visto dando un'occhiata ad alcuni data-sheet) il circuito non sarà in grado di regolare. Naturalmente il mosfet lavorando in regime lineare andrà adeguatamente dissipato.
La seconda perché se alimenti l'operazionale a 5V non avrai sufficiente tensione di gate per quel tipo di mosfet; è meglio poter fornire al gate almeno una decina di V di pilotaggio.
Con il circuito ed il valore della res di shunt da te scelti la regolazione è di circa 4.5A/V (dell' DAC) cioè un fondo scala di 15A @3.3V ; mi sembra un po' tanto rispetto ai valori che inizialmente dicevi di voler utilizzare.
Alberto
La vita è come una bicicletta, devi sempre pedalare per rimanere in equilibrio
Annuncio sempre valido: http://www.electroyou.it/forum/viewtopic.php?f=10&t=62668
La vita è come una bicicletta, devi sempre pedalare per rimanere in equilibrio
Annuncio sempre valido: http://www.electroyou.it/forum/viewtopic.php?f=10&t=62668
-

AlbertoBianchi
2.009 3 5 - Master

- Messaggi: 836
- Iscritto il: 4 dic 2014, 18:30
- Località: Lastra a Signa (FI)
0
voti
La corrente massima che voglio far scorrere è di circa 2A, io ho ragionato in questo modo (non ho idea se sia corretto come ragionamento): se voglio far passare max 2A, se non uso lt 1084 allora avrei un circuito con ad un capo 12V poi 2.6 ohm del peltier e 0.22 ohm del Rsense ciò vuol dire che che il mosfet dovrebbe avere una resistenza di 3.52 hom, ma 3.52ohm per la corrente al quadrato fa 14.08W, invece facendo i conti con l utilizzo del lt1084 il mosfet dovrebbe dissipare 2.08W. Ha senso? Per quanto riguarda la dinamica del DAC, naturalmente cos' potrò utilizzare valori all uscita del dac compresi tra 0v e 0.44v (2A) ma se vado a utilizzare un r sense più grande avrò una tensione di source più grande e quindi mi servirà come dici tu un operazionale alimentato a 12 volt. Non l ho fatto prima solo perché nel laboratorio avevo solo un operazionale cn max 5V e ho usato quello per provare il circuito. Pensi che io debba modificare il circuito? un 'ultima cosa se io metto una Rsense per esempio di 1 ohm a quel punto avrei una dissipazione di 4w (1ohm x (2A)^2) giusto? conviene farlo?
1
voti
Ciao, dovresti postare il datasheet della cella che usi, così possiamo ragionarci con cognizione di causa.
Inoltre non ci dici chiaramente quale applicazione hai in mente di realizzare; il circuito da te proposto può andar bene per vedere come funziona la cella ma se, per esempio, vuoi realizzare un sistema di termostatazione non è assolutamente idoneo perché serve un circuito che permette di far circolare la corrente attraverso la cella nei due sensi (configurazione ad H) Per questo utilizzo, oltre a soluzioni discrete ci sono i MAX1968 e MAX1969.
Il dato di "resistenza" della cella è un dato fuorviante che è meglio ignorare; presumo si tratti di un valore di "resistenza equivalente" cioè il rapporto V/I in un certo punto di lavoro ad una certa temperatura, ma ad ogni punto di lavoro diverso corrisponderà una resistenza equivalente diversa. La cella, in realtà, va vista come una serie di giunzioni PN in serie, probabilmente nel circuito equivalente c'è anche una componente resistiva in serie, ma dato che abbiamo deciso di alimentarla in corrente costante possiamo tralasciare questo aspetto.
La tensione che si verrà a creare ai capi della cella sarà funzione della corrente e della differenza di temperatura tra le due facce (vedi grafici del tuo datasheet). La cosa importante è che in ogni caso, nel range operativo imposto dal sistema, non si vengano a superare la corrente e la tensione max previste.
Ovviamente è vantaggioso usare una resistenza di sense quanto più piccola possibile. La cosa migliore sarebbe quella di utilizzare un operazionale doppio ed usarne una sezione come amplificatore non invertente per amplificare la tensione ai capi di R sense.
Come esmpio, se vogliamo 2A @ 3,3V di DAC e abbiamo un amplificatore che guadagna 10 la R sense dovra essere 165mohm (3.3V/10/2A) dissipando max 0.66W, quindi una res da 1W andrà bene.
Se vuoi utilizzare un operazionale da 5V è meglio cambiare mostet ed usarne uno pilotabile da porte logiche.
Inoltre non ci dici chiaramente quale applicazione hai in mente di realizzare; il circuito da te proposto può andar bene per vedere come funziona la cella ma se, per esempio, vuoi realizzare un sistema di termostatazione non è assolutamente idoneo perché serve un circuito che permette di far circolare la corrente attraverso la cella nei due sensi (configurazione ad H) Per questo utilizzo, oltre a soluzioni discrete ci sono i MAX1968 e MAX1969.
tim ha scritto:La corrente massima che voglio far scorrere è di circa 2A, io ho ragionato in questo modo (non ho idea se sia corretto come ragionamento): se voglio far passare max 2A, se non uso lt 1084 allora avrei un circuito con ad un capo 12 V poi 2.6 ohm del peltier e 0.22 ohm del Rsense
Il dato di "resistenza" della cella è un dato fuorviante che è meglio ignorare; presumo si tratti di un valore di "resistenza equivalente" cioè il rapporto V/I in un certo punto di lavoro ad una certa temperatura, ma ad ogni punto di lavoro diverso corrisponderà una resistenza equivalente diversa. La cella, in realtà, va vista come una serie di giunzioni PN in serie, probabilmente nel circuito equivalente c'è anche una componente resistiva in serie, ma dato che abbiamo deciso di alimentarla in corrente costante possiamo tralasciare questo aspetto.
La tensione che si verrà a creare ai capi della cella sarà funzione della corrente e della differenza di temperatura tra le due facce (vedi grafici del tuo datasheet). La cosa importante è che in ogni caso, nel range operativo imposto dal sistema, non si vengano a superare la corrente e la tensione max previste.
ma se vado a utilizzare un r sense più grande avrò una tensione di source più grande e quindi mi servirà come dici tu un operazionale alimentato a 12 volt. Non l ho fatto prima solo perché nel laboratorio avevo solo un operazionale cn max 5 V e ho usato quello per provare il circuito. Pensi che io debba modificare il circuito? un 'ultima cosa se io metto una Rsense per esempio di 1 ohm a quel punto avrei una dissipazione di 4w (1ohm x (2A)^2) giusto? conviene farlo?
Ovviamente è vantaggioso usare una resistenza di sense quanto più piccola possibile. La cosa migliore sarebbe quella di utilizzare un operazionale doppio ed usarne una sezione come amplificatore non invertente per amplificare la tensione ai capi di R sense.
Come esmpio, se vogliamo 2A @ 3,3V di DAC e abbiamo un amplificatore che guadagna 10 la R sense dovra essere 165mohm (3.3V/10/2A) dissipando max 0.66W, quindi una res da 1W andrà bene.
Se vuoi utilizzare un operazionale da 5V è meglio cambiare mostet ed usarne uno pilotabile da porte logiche.
Alberto
La vita è come una bicicletta, devi sempre pedalare per rimanere in equilibrio
Annuncio sempre valido: http://www.electroyou.it/forum/viewtopic.php?f=10&t=62668
La vita è come una bicicletta, devi sempre pedalare per rimanere in equilibrio
Annuncio sempre valido: http://www.electroyou.it/forum/viewtopic.php?f=10&t=62668
-

AlbertoBianchi
2.009 3 5 - Master

- Messaggi: 836
- Iscritto il: 4 dic 2014, 18:30
- Località: Lastra a Signa (FI)
0
voti
La cella, in realtà, va vista come una serie di giunzioni PN in serie
In realtà non è corretto parlare di giunzioni in quanto sono singoli elementi semiconduttori P ed N, in genere Bismuto Tellurio (BiTe) o Piombo Tellurio(PbTe) connessi in parallelo tra le due facce.
Alberto
La vita è come una bicicletta, devi sempre pedalare per rimanere in equilibrio
Annuncio sempre valido: http://www.electroyou.it/forum/viewtopic.php?f=10&t=62668
La vita è come una bicicletta, devi sempre pedalare per rimanere in equilibrio
Annuncio sempre valido: http://www.electroyou.it/forum/viewtopic.php?f=10&t=62668
-

AlbertoBianchi
2.009 3 5 - Master

- Messaggi: 836
- Iscritto il: 4 dic 2014, 18:30
- Località: Lastra a Signa (FI)
10 messaggi
• Pagina 1 di 1
Torna a Elettrotecnica generale
Chi c’è in linea
Visitano il forum: Nessuno e 11 ospiti

Elettrotecnica e non solo (admin)
Un gatto tra gli elettroni (IsidoroKZ)
Esperienza e simulazioni (g.schgor)
Moleskine di un idraulico (RenzoDF)
Il Blog di ElectroYou (webmaster)
Idee microcontrollate (TardoFreak)
PICcoli grandi PICMicro (Paolino)
Il blog elettrico di carloc (carloc)
DirtEYblooog (dirtydeeds)
Di tutto... un po' (jordan20)
AK47 (lillo)
Esperienze elettroniche (marco438)
Telecomunicazioni musicali (clavicordo)
Automazione ed Elettronica (gustavo)
Direttive per la sicurezza (ErnestoCappelletti)
EYnfo dall'Alaska (mir)
Apriamo il quadro! (attilio)
H7-25 (asdf)
Passione Elettrica (massimob)
Elettroni a spasso (guidob)
Bloguerra (guerra)

