Salve a tutti,
leggendo sul funzionamento del raddrizzatore monofase controllato ( a ponte ) mi sono reso conto di non capire perché la tensione di uscita sul carico diventa negativa fino all'accensione dei due tiristori del gruppo complementare. Gli SCR non dovrebbero spegnersi quando la tensione sorgente passa per lo zero?
grazie in anticipo a chiunque cerchi di levarmi questo dubbio.
Dubbio su raddrizzatore controllato
Moderatori:
carloc,
g.schgor,
BrunoValente,
IsidoroKZ
27 messaggi
• Pagina 1 di 3 • 1, 2, 3
2
voti
I tiristori si spengono quando la corrente passa per lo zero, non la tensione, e puoi avere un carico induttivo. Dovresti fare lo schema con fidocadj per chiarire meglio a quale caso ti riferisci.
Per usare proficuamente un simulatore, bisogna sapere molta più elettronica di lui
Plug it in - it works better!
Il 555 sta all'elettronica come Arduino all'informatica! (entrambi loro malgrado)
Se volete risposte rispondete a tutte le mie domande
Plug it in - it works better!
Il 555 sta all'elettronica come Arduino all'informatica! (entrambi loro malgrado)
Se volete risposte rispondete a tutte le mie domande
0
voti
purtroppo sono con un dispositivo portatile. comunque il ponte é considerato ideale (commutazioni istantanee) e il carico é costituito da un generatore ideale di corrente.
grazie mille
grazie mille
-

andreadimonti
25 3 - Messaggi: 44
- Iscritto il: 18 ott 2012, 18:04
0
voti
Grazie mille
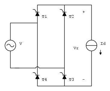
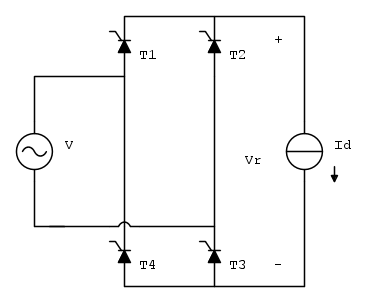
IsidoroKZ,il circuito in questione è questo:
La forma d'onda della tensione sul generatore ideale di corrente continua passa lo zero e diventa negativa fintantoché non viene dato l'impulso di accensione al gate degli SCR complementari a quelli attualmente in conduzione. Io mi sarei aspettato che la tensione sul carico si annullasse. Non essendoci elementi induttivi le commutazioni sono istantanee. Non ho quindi capito come funziona il circuito.
Gazie mille ancora
(P.S.: non riesco a caricare l'immagine della forma d'onda in questione).
La forma d'onda della tensione sul generatore ideale di corrente continua passa lo zero e diventa negativa fintantoché non viene dato l'impulso di accensione al gate degli SCR complementari a quelli attualmente in conduzione. Io mi sarei aspettato che la tensione sul carico si annullasse. Non essendoci elementi induttivi le commutazioni sono istantanee. Non ho quindi capito come funziona il circuito.
Gazie mille ancora
(P.S.: non riesco a caricare l'immagine della forma d'onda in questione).
-

andreadimonti
25 3 - Messaggi: 44
- Iscritto il: 18 ott 2012, 18:04
4
voti
Il generatore di corrente e` una induttanza di valore infinito con una condizione iniziale di corrente che non riuscira` mai a variare.
Immagina di avere una coppia di tiristori accesi e di non accendere mai l'altra coppia. Che cosa capita alla tensione di uscita? Ricorda che un tiristore si spegne quando la corrente va a zero.
Immagina di avere una coppia di tiristori accesi e di non accendere mai l'altra coppia. Che cosa capita alla tensione di uscita? Ricorda che un tiristore si spegne quando la corrente va a zero.
Per usare proficuamente un simulatore, bisogna sapere molta più elettronica di lui
Plug it in - it works better!
Il 555 sta all'elettronica come Arduino all'informatica! (entrambi loro malgrado)
Se volete risposte rispondete a tutte le mie domande
Plug it in - it works better!
Il 555 sta all'elettronica come Arduino all'informatica! (entrambi loro malgrado)
Se volete risposte rispondete a tutte le mie domande
0
voti
Bene, la corrente essendo imposta non può annullarsi, quindi nel caso due tiristori non si spengano mai sul carico avrò la tensione sinusoidale per tutto il periodo. Avrei quindi la situazione raffigurata nel seguente schema:
nel quale ho ipotizzato i tiristori ideali. Quando comando il gate degli altri due per poter spegnere quelli attualmente in conduzione la corrente deve annullarsi: non riesco a vedere in che modo.
Grazie mille per l'interessamento
nel quale ho ipotizzato i tiristori ideali. Quando comando il gate degli altri due per poter spegnere quelli attualmente in conduzione la corrente deve annullarsi: non riesco a vedere in che modo.
Grazie mille per l'interessamento
-

andreadimonti
25 3 - Messaggi: 44
- Iscritto il: 18 ott 2012, 18:04
5
voti
OK, ottimo. Quando accendi gli altri due nel semiperiodo giusto, i due che stavano conducendo si trovano polarizzati a rovescio, con il catodo piu` positivo dell'anodo, la corrente dovrebbe passare contromano, e si spengono.
Tieni presente che i tiristori sono dei diodi distratti. Non conducono finche' non si dice loro che devono condurre, pero` quando cerchi di far passare la corrente a rovescio, questa passa per lo zero e i tiristori si ricordano che devono spegnersi.
Tieni presente che i tiristori sono dei diodi distratti. Non conducono finche' non si dice loro che devono condurre, pero` quando cerchi di far passare la corrente a rovescio, questa passa per lo zero e i tiristori si ricordano che devono spegnersi.
Per usare proficuamente un simulatore, bisogna sapere molta più elettronica di lui
Plug it in - it works better!
Il 555 sta all'elettronica come Arduino all'informatica! (entrambi loro malgrado)
Se volete risposte rispondete a tutte le mie domande
Plug it in - it works better!
Il 555 sta all'elettronica come Arduino all'informatica! (entrambi loro malgrado)
Se volete risposte rispondete a tutte le mie domande
0
voti
Ho una lacuna di fondo: quando l'onda di tensione diventa negativa (o positiva) la coppia di tiristori non è comunque polarizzata inversamente?
-

andreadimonti
25 3 - Messaggi: 44
- Iscritto il: 18 ott 2012, 18:04
4
voti
No perche' il generatore di corrente adatta la sua tensione in modo da tenere accesi i tiristori, a costo di avere una tensione negativa nel morsetto da cui entra la corrente.
Solo quando si accende l'altra coppia di tiristori e la tensione sul generatore di corrente ritorna positiva allora gli altri due si spengono.
Solo quando si accende l'altra coppia di tiristori e la tensione sul generatore di corrente ritorna positiva allora gli altri due si spengono.
Per usare proficuamente un simulatore, bisogna sapere molta più elettronica di lui
Plug it in - it works better!
Il 555 sta all'elettronica come Arduino all'informatica! (entrambi loro malgrado)
Se volete risposte rispondete a tutte le mie domande
Plug it in - it works better!
Il 555 sta all'elettronica come Arduino all'informatica! (entrambi loro malgrado)
Se volete risposte rispondete a tutte le mie domande
0
voti
Il generatore di corrente inverte la tensione ai suoi capi. Questo concetto non mi è chiaro: secondo quale principio? ho provato ad analizzare la rete ma non ne vengo fuori.


-

andreadimonti
25 3 - Messaggi: 44
- Iscritto il: 18 ott 2012, 18:04
27 messaggi
• Pagina 1 di 3 • 1, 2, 3
Chi c’è in linea
Visitano il forum: Nessuno e 219 ospiti

Elettrotecnica e non solo (admin)
Un gatto tra gli elettroni (IsidoroKZ)
Esperienza e simulazioni (g.schgor)
Moleskine di un idraulico (RenzoDF)
Il Blog di ElectroYou (webmaster)
Idee microcontrollate (TardoFreak)
PICcoli grandi PICMicro (Paolino)
Il blog elettrico di carloc (carloc)
DirtEYblooog (dirtydeeds)
Di tutto... un po' (jordan20)
AK47 (lillo)
Esperienze elettroniche (marco438)
Telecomunicazioni musicali (clavicordo)
Automazione ed Elettronica (gustavo)
Direttive per la sicurezza (ErnestoCappelletti)
EYnfo dall'Alaska (mir)
Apriamo il quadro! (attilio)
H7-25 (asdf)
Passione Elettrica (massimob)
Elettroni a spasso (guidob)
Bloguerra (guerra)


