luxinterior ha scritto:Interessante hai tutta la mia invidia!
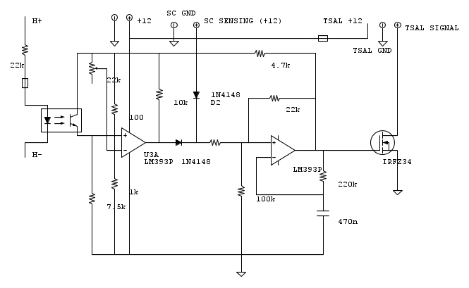
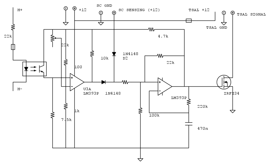
Sul tuo schema fidocad probabilmente hai invertito la posizione delle labels
TSAL signal
TSAL +12
Si, credo proprio che hai ragione. Correggo.
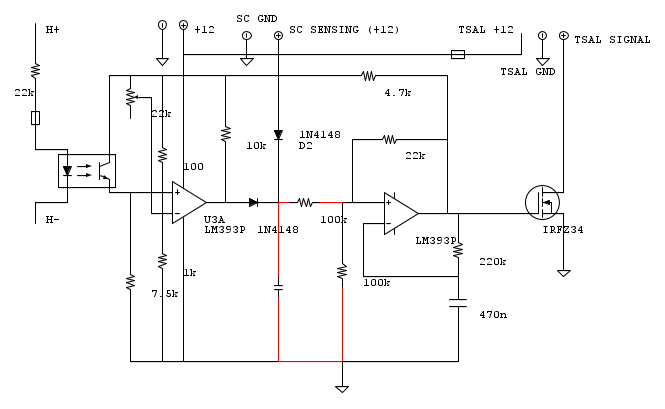
Non ho capito come si controlla l'ingresso SC tramite D2 comunque proverei a scolegare D2 per vedere se dipende da quello.
Io da quello che ho capito l'accensione dovrebbe stabilirla il primo comparatore U3A (quello più vicino all'optoisolatore). Siccome però nel pdf c'è scritto "Il circuito deve innescare il lampeggio anche se c’è tensione nello SC ma non nel TS" penso che chi ha realizzato il circuito abbia previsto la possibilità di accensione della luce in base ad un secondo segnale, quello dello SC (shutdown circuit) indipendentemente da quello che decide il comparatore. Ecco perché scrivevo di due sensing.
Secondo me è sbagliato perché il regolamento dice che la luce deve accendersi quando i relè di potenza sono chiusi (essi sono normalmente aperti) o quando c'è una tensione superiore a 60 V DC fuori dall'accumulatore e io direi che nel nostro caso le cose coincidono.
Lo SC (shutdown circuit) è un circuito a 12 V dove ci sono in serie numerosi dispositivi di sicurezza (pulsanti di emergenza a fungo, switch inerziali, ecc.) che se intervengono lo interrompono. Questo segnale arriva in centralina che "decide" se e come chiudere i relè di potenza. Per capirci su questo circuito (fino in centralina) potrebbe esserci una tensione di 12 V (non interrotto) ma non alta tensione fuori dal pacco perché la centralina potrebbe non ancora aver azionato i relè.
Si anche io avevo pensato a scollegare completamente il conettore J1. Se così fosse si potrebbe eliminare fisicamente il connettore J1 e il diodo D2.
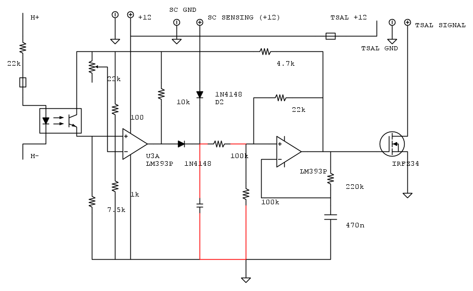
Altrimenti potrebbe essere che all'accensione tramite R5 porti subito i 12 V per innescare l'oscillatore poi il comparatore abbassa l'uscita e spegne.
R5 che lavora da pull-up, giusto? finché non arriva il segnale dal comparatore
I capi del diodo del fotoaccoppiatore all'accensione dei 12 V sono tutti e due scollegati giusto ?
Intendi i pin 1 e 2?
Io proverei a mttere un condensatore tra il punto in cui si uniscono i due catodi dei diodi e massa
Cioè così? Condensatore da quanto?
Avrai un piccolo ritrado di accensione e spegnimento della luce non so se è ammissibile.
Controllo sul regolamento ma non credo sia un problema.
Grazie mille.

Elettrotecnica e non solo (admin)
Un gatto tra gli elettroni (IsidoroKZ)
Esperienza e simulazioni (g.schgor)
Moleskine di un idraulico (RenzoDF)
Il Blog di ElectroYou (webmaster)
Idee microcontrollate (TardoFreak)
PICcoli grandi PICMicro (Paolino)
Il blog elettrico di carloc (carloc)
DirtEYblooog (dirtydeeds)
Di tutto... un po' (jordan20)
AK47 (lillo)
Esperienze elettroniche (marco438)
Telecomunicazioni musicali (clavicordo)
Automazione ed Elettronica (gustavo)
Direttive per la sicurezza (ErnestoCappelletti)
EYnfo dall'Alaska (mir)
Apriamo il quadro! (attilio)
H7-25 (asdf)
Passione Elettrica (massimob)
Elettroni a spasso (guidob)
Bloguerra (guerra)





