Ho seguito un poco la vostra trattazione teorica e mi sono incuriosito su alcune informazioni. Dico io, ma se il circuito è fatto di oggetti ideali, una volta innescata una coppia di SCR, non si disinnesca mai più. Anzi, ci sarebbe da dire che non è nemmeno il caso di innesarli, ci pensa il generatore di corrente a spingere finché passa la correnta imposta.
Un circuito, quello, persin troppo Hdemico.
Dubbio su raddrizzatore controllato
Moderatori:
carloc,
g.schgor,
BrunoValente,
IsidoroKZ
27 messaggi
• Pagina 2 di 3 • 1, 2, 3
0
voti
Un circuito, quello, persin troppo Hdemico.
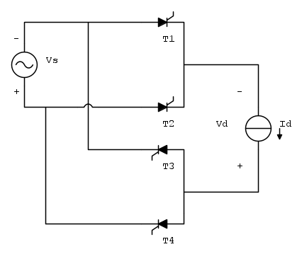
Infatti è tratto dal Mohan e utilizzato come circuito elementare. Ho capito meglio il circuito con carico ohmnico-induttivo e induttanza di linea piuttosto che questo. Il libro illustra le forme d'onda ma non dimostra come gli SCR siano polarizzati.
-

andreadimonti
25 3 - Messaggi: 44
- Iscritto il: 18 ott 2012, 18:04
6
voti
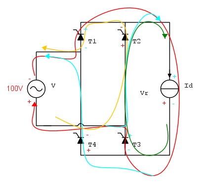
Provo con uno schema. Supponi che siano accesi T1 e T3. La corrente e le tensioni presenti sono rappresentati in rosso.
In particolare ai capi di T2 e T4 (che non stanno ancora conducendo) la tensione e` positiva sull'anodo e negativa sul catodo. Vuol dire che se si da` un impulso di accensione a T2 e T4 questi si accendono, e la corrente si trasferisce lungo il percorso blu. Appena T2 e T4 sono accesi le tensioni ai capi di T1 e T3 sono quelle in blu e quindi sono spenti (positivo sul catodo) e la tensione sul carico si inverte.
Se vuoi vedere passo per passo, immagina di chiudere prima T2 (senza accendere T4). T2 e T1 accesi contemporaneamente "mettono in corto" il generatore, ma la corrente di "corto", in giallo, spegne T1, il generatore e` scollegato e la corrente del generatore passa lungo T2 e T3 (percorso verde).
Poi puoi accendere T4 e si torna alla situazione blu.
In particolare ai capi di T2 e T4 (che non stanno ancora conducendo) la tensione e` positiva sull'anodo e negativa sul catodo. Vuol dire che se si da` un impulso di accensione a T2 e T4 questi si accendono, e la corrente si trasferisce lungo il percorso blu. Appena T2 e T4 sono accesi le tensioni ai capi di T1 e T3 sono quelle in blu e quindi sono spenti (positivo sul catodo) e la tensione sul carico si inverte.
Se vuoi vedere passo per passo, immagina di chiudere prima T2 (senza accendere T4). T2 e T1 accesi contemporaneamente "mettono in corto" il generatore, ma la corrente di "corto", in giallo, spegne T1, il generatore e` scollegato e la corrente del generatore passa lungo T2 e T3 (percorso verde).
Poi puoi accendere T4 e si torna alla situazione blu.
Per usare proficuamente un simulatore, bisogna sapere molta più elettronica di lui
Plug it in - it works better!
Il 555 sta all'elettronica come Arduino all'informatica! (entrambi loro malgrado)
Se volete risposte rispondete a tutte le mie domande
Plug it in - it works better!
Il 555 sta all'elettronica come Arduino all'informatica! (entrambi loro malgrado)
Se volete risposte rispondete a tutte le mie domande
1
voti
Quindi, se capisco bene, nella idelità di tutti i componenti, anche se il generatore di corrente continua tende a garantire che gli SCR restino sempre in conduzione, mettendo in corto il generatore di alternata, ci sarà sempre il passaggio per lo zero della corrente di un tiristore, che andrà a spegnersi, in quanto corrente inversa che tende ad infinito ed annulla la corrente continua imposta dal generatore di c.c.?
Oppure la manovra è: T3 e T1 conducono, ma, se ad esempio chiudo T2, la c.c. si sostiene da sola in T3 e T2, mentre T1 si spegne perché finisce in controcorrente, e quindi si potrà chiudere T4. Come dire, si forza l'inversione dei tiristori con una manovra apposita di spegnimento, prima di mettere in conduzione la coppia desidrata?
Detta in altri termini, perché la commutazione funzioni, bisogna passare per una breve fase di spegnimento forzato, tramite una manovra di pseudo cortocircuito, che si estingue da sola inducendo un tiristore ad aprirsi.
Forse ora capisco come funzionavano i vecchi regolatori PWM per motori c.c. a tiristori. Non ci avevo mai pensato.
Oppure la manovra è: T3 e T1 conducono, ma, se ad esempio chiudo T2, la c.c. si sostiene da sola in T3 e T2, mentre T1 si spegne perché finisce in controcorrente, e quindi si potrà chiudere T4. Come dire, si forza l'inversione dei tiristori con una manovra apposita di spegnimento, prima di mettere in conduzione la coppia desidrata?
Detta in altri termini, perché la commutazione funzioni, bisogna passare per una breve fase di spegnimento forzato, tramite una manovra di pseudo cortocircuito, che si estingue da sola inducendo un tiristore ad aprirsi.
Forse ora capisco come funzionavano i vecchi regolatori PWM per motori c.c. a tiristori. Non ci avevo mai pensato.
-

Candy
32,5k 7 10 13 - CRU - Account cancellato su Richiesta utente
- Messaggi: 10123
- Iscritto il: 14 giu 2010, 22:54
3
voti
Ho fatto l'esempio con lo step intermedio perche' forse e` piu` facile da capire e comunque i due tiristori che si chiudono potrebbero sempre avere un po' di sfasamento temporale.
Ma anche se si chiudono T2 e T4 contemporaneamente la cosa funziona lo stesso, i due tiristori che conducono si trovano polarizzati a rovescio e si spengono.
Ma anche se si chiudono T2 e T4 contemporaneamente la cosa funziona lo stesso, i due tiristori che conducono si trovano polarizzati a rovescio e si spengono.
Per usare proficuamente un simulatore, bisogna sapere molta più elettronica di lui
Plug it in - it works better!
Il 555 sta all'elettronica come Arduino all'informatica! (entrambi loro malgrado)
Se volete risposte rispondete a tutte le mie domande
Plug it in - it works better!
Il 555 sta all'elettronica come Arduino all'informatica! (entrambi loro malgrado)
Se volete risposte rispondete a tutte le mie domande
6
voti
Provo anch'io a spiegarlo ma in un altro modo.
Diciamo subito una cosa che è bene tenere ben presente nel ragionamento che segue: anche se l'innesco degli SCR avvenisse in modo casuale rispetto alla fase del generatore di tensione, o se addirittura fossero tutti permanentemente innescati, ad esempio con 4 pile permanentemente collegate tra gate e catodo di ognuno, nessun cortocircuito potrebbe avvenire, questo perché, al massimo, se tutti fossero permanentemente innescati, solo due alla volta potrebbero accendersi, cioè si comporterebbero come quattro normali diodi di un ponte raddrizzatore alimentato in alternata.
Consideriamo ora il caso in cui la coppia T1-T3 è accesa, e quella T2-T4 è spenta o viceversa.
Il generatore di corrente impone permanentemente una corrente costante che attraversa entrambi gli SCR accesi il cui verso va sempre dall'anodo al catodo in entrambi e che quindi è quello che serve per mantenerli accesi, indipendentemente dalle variazioni di tensione imposte dal generatore di tensione.
Abbiamo quindi capito che se una coppia di SCR è accesa tenderà a rimanere accesa per merito della corrente costante fornita dal generatore di corrente e che i due generatori di fatto si trovano ad essere posti in parallelo con un certo verso che dipende da quale coppia di SCR è accesa.
Ne segue che la tensione ai capi del generatore di corrente è imposta dal generatore di tensione e che si inverte se ad un certo istante si accende la coppia di SCR precedentemente spenta e contemporaneamente si spegne quella precedentemente accesa.
Per far accendere la coppia precedentemente spenta e contemporaneamente far spegnere quella precedentemente accesa è sufficiente inviare l'impulso di innesco contemporaneamente ad entrambi gli SCR appartenenti alla coppia spenta ma bisogna farlo nel semiperiodo giusto del generatore di tensione.
Notiamo che, se una coppia di SCR è accesa, capita che entrambi gli altri due SCR, quelli della coppia spenta, si ritrovano in parallelo al generatore di tensione ed entrambi con lo stesso verso (entrambi gli anodi su un lato ed entrambi i catodi sull'altro lato del generatore di tensione), quindi entrambi gli SCR appartenenti alla coppia spenta si ritrovano con la tensione alternata del generatore applicata tra anodo e catodo.
Se l'impulso di accensione arriva ad entrambi mentre sono polarizzati inversamente succede che non si innescano e non cambia nulla, se invece l'impulso arriva ad entrambi mentre sono polarizzati direttamente allora si innescano e quindi si inverte la tensione sul generatore di corrente e si spengono gli altri due, così come avviene per dei normali diodi di un ponte.
Lo spegnimento di quelli precedentemente accesi avviene quindi, molto semplicemente, perché si inverte la tensione ai loro capi.
Diciamo subito una cosa che è bene tenere ben presente nel ragionamento che segue: anche se l'innesco degli SCR avvenisse in modo casuale rispetto alla fase del generatore di tensione, o se addirittura fossero tutti permanentemente innescati, ad esempio con 4 pile permanentemente collegate tra gate e catodo di ognuno, nessun cortocircuito potrebbe avvenire, questo perché, al massimo, se tutti fossero permanentemente innescati, solo due alla volta potrebbero accendersi, cioè si comporterebbero come quattro normali diodi di un ponte raddrizzatore alimentato in alternata.
Consideriamo ora il caso in cui la coppia T1-T3 è accesa, e quella T2-T4 è spenta o viceversa.
Il generatore di corrente impone permanentemente una corrente costante che attraversa entrambi gli SCR accesi il cui verso va sempre dall'anodo al catodo in entrambi e che quindi è quello che serve per mantenerli accesi, indipendentemente dalle variazioni di tensione imposte dal generatore di tensione.
Abbiamo quindi capito che se una coppia di SCR è accesa tenderà a rimanere accesa per merito della corrente costante fornita dal generatore di corrente e che i due generatori di fatto si trovano ad essere posti in parallelo con un certo verso che dipende da quale coppia di SCR è accesa.
Ne segue che la tensione ai capi del generatore di corrente è imposta dal generatore di tensione e che si inverte se ad un certo istante si accende la coppia di SCR precedentemente spenta e contemporaneamente si spegne quella precedentemente accesa.
Per far accendere la coppia precedentemente spenta e contemporaneamente far spegnere quella precedentemente accesa è sufficiente inviare l'impulso di innesco contemporaneamente ad entrambi gli SCR appartenenti alla coppia spenta ma bisogna farlo nel semiperiodo giusto del generatore di tensione.
Notiamo che, se una coppia di SCR è accesa, capita che entrambi gli altri due SCR, quelli della coppia spenta, si ritrovano in parallelo al generatore di tensione ed entrambi con lo stesso verso (entrambi gli anodi su un lato ed entrambi i catodi sull'altro lato del generatore di tensione), quindi entrambi gli SCR appartenenti alla coppia spenta si ritrovano con la tensione alternata del generatore applicata tra anodo e catodo.
Se l'impulso di accensione arriva ad entrambi mentre sono polarizzati inversamente succede che non si innescano e non cambia nulla, se invece l'impulso arriva ad entrambi mentre sono polarizzati direttamente allora si innescano e quindi si inverte la tensione sul generatore di corrente e si spengono gli altri due, così come avviene per dei normali diodi di un ponte.
Lo spegnimento di quelli precedentemente accesi avviene quindi, molto semplicemente, perché si inverte la tensione ai loro capi.
-

BrunoValente
39,6k 7 11 13 - G.Master EY

- Messaggi: 7796
- Iscritto il: 8 mag 2007, 14:48
1
voti
A caldo faccio fatica ad accettare il tutto. Mi riferisco alla definizione di generatore di corrente costante, ed al fatto che se gli SCR sono ideali, una volta innescati, circolerà in essi sempre una corrente continua pompata dal generatore a I costante, mentre le tensioni si adeguano di conseguenza.
Ora però non voglio inquinare troppo il thread ad OP causa mia deficienza. Mi ci sofermerò sopra con maggiore calma a ragionare le varie situazioni.
Ora però non voglio inquinare troppo il thread ad OP causa mia deficienza. Mi ci sofermerò sopra con maggiore calma a ragionare le varie situazioni.
-

Candy
32,5k 7 10 13 - CRU - Account cancellato su Richiesta utente
- Messaggi: 10123
- Iscritto il: 14 giu 2010, 22:54
3
voti
Non occorre che siano ideali, un circuito reale funzionerebbe nello stesso modo.
-

BrunoValente
39,6k 7 11 13 - G.Master EY

- Messaggi: 7796
- Iscritto il: 8 mag 2007, 14:48
0
voti
Innanzitutto grazie a tutti per la collaborazione!!!
Faccio qualche schema e scrivo qualche equazione per vedere se ho capito bene.
Mi metto nell'ipotesi che stanno conducendo gli SCR T1 e T3 e che

L'equazione alla maglia secondo i segni che ho scritto risulterà:

quindi

Sbaglio se affermo che i tiristori conducono perché la ddp ai loro capi è nulla?
Ora entrano in gioco T2 e T4 secondo il seguente schema:
Quando innesco T2 e T4 essi entrano in conduzione perché polarizzati direttamente i quali a loro volta polarizzano inversamente (attraverso il "corto" menzionato da
IsidoroKZ) i tiristori T1 e T3 i quali si vanno a spegnere.
La nuova equazione alla maglia sarà:

quindi

raddrizzando la tensione sorgente anche nella parte negativa.
Mi riesce difficile vedere come sono polarizzati i due tiristori nella primo dei due circuiti proposti.
Cordialmente
Andrea
Faccio qualche schema e scrivo qualche equazione per vedere se ho capito bene.
Mi metto nell'ipotesi che stanno conducendo gli SCR T1 e T3 e che

L'equazione alla maglia secondo i segni che ho scritto risulterà:

quindi

Sbaglio se affermo che i tiristori conducono perché la ddp ai loro capi è nulla?
Ora entrano in gioco T2 e T4 secondo il seguente schema:
Quando innesco T2 e T4 essi entrano in conduzione perché polarizzati direttamente i quali a loro volta polarizzano inversamente (attraverso il "corto" menzionato da
La nuova equazione alla maglia sarà:

quindi

raddrizzando la tensione sorgente anche nella parte negativa.
Mi riesce difficile vedere come sono polarizzati i due tiristori nella primo dei due circuiti proposti.
Cordialmente
Andrea
-

andreadimonti
25 3 - Messaggi: 44
- Iscritto il: 18 ott 2012, 18:04
0
voti
Scusate la lentezza ma sto imparando solo ora a usare il forum e i suoi applicativi.
grazie mille
grazie mille
-

andreadimonti
25 3 - Messaggi: 44
- Iscritto il: 18 ott 2012, 18:04
27 messaggi
• Pagina 2 di 3 • 1, 2, 3
Chi c’è in linea
Visitano il forum: Nessuno e 211 ospiti

Elettrotecnica e non solo (admin)
Un gatto tra gli elettroni (IsidoroKZ)
Esperienza e simulazioni (g.schgor)
Moleskine di un idraulico (RenzoDF)
Il Blog di ElectroYou (webmaster)
Idee microcontrollate (TardoFreak)
PICcoli grandi PICMicro (Paolino)
Il blog elettrico di carloc (carloc)
DirtEYblooog (dirtydeeds)
Di tutto... un po' (jordan20)
AK47 (lillo)
Esperienze elettroniche (marco438)
Telecomunicazioni musicali (clavicordo)
Automazione ed Elettronica (gustavo)
Direttive per la sicurezza (ErnestoCappelletti)
EYnfo dall'Alaska (mir)
Apriamo il quadro! (attilio)
H7-25 (asdf)
Passione Elettrica (massimob)
Elettroni a spasso (guidob)
Bloguerra (guerra)


