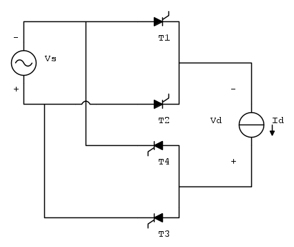
Errata corrige del secondo circuito, altrimenti non funziona niente:
Avevo invertito T3 con T4.
Dubbio su raddrizzatore controllato
Moderatori:
carloc,
g.schgor,
BrunoValente,
IsidoroKZ
27 messaggi
• Pagina 3 di 3 • 1, 2, 3
4
voti
andreadimonti ha scritto:Sbaglio se affermo che i tiristori conducono perché la ddp ai loro capi è nulla?
Credo stia confondendo causa con effetto: direi che la ddp ai loro capi è nulla perché conducono
-

BrunoValente
39,6k 7 11 13 - G.Master EY

- Messaggi: 7796
- Iscritto il: 8 mag 2007, 14:48
0
voti
Credo stia confondendo causa con effetto: direi che la ddp ai loro capi è nulla perché conducono
Ecco l'errore che faccio. Sbaglio nel modo in cui penso si spengano. Essi si spengono quando la corrente tenta di diventare negativa: è quello che succede quando accendo T2 mentre T1 conduce durante la semionda negativa, sbaglio?
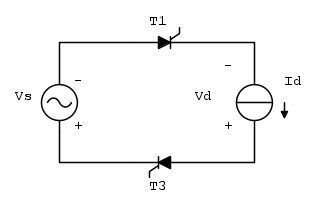
Questo circuito:
una volta innescato nel semiperiodo giusto potrebbe funzionare all'infinito?
-

andreadimonti
25 3 - Messaggi: 44
- Iscritto il: 18 ott 2012, 18:04
5
voti
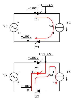
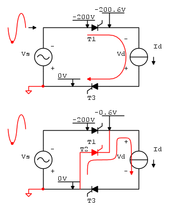
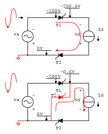
Sì, di seguito ho riportato le due situazioni, un attimo prima della conduzione di T2 e un attimo dopo.
Ho supposto che la tensione sinusoidale sia di 200V di picco, che il riferimento per la misura delle tensioni sia a metà della tensione del generatore e che l'innesco di T2 arrivi nell'istante in cui la tensione è al picco negativo sull'anodo di T1.
Ho riportato le tensioni supponendo una caduta di 0.6V tra anodo e catodo quando sono accesi, penso possa aiutare a capire.
Nel primo schema il catodo di T1 è 0.6V più negativo dell'anodo perché la corrente scorre dall'anodo al catodo ed è acceso, nella seconda il catodo di T1 è più positivo dell'anodo di 199.4V, quindi T1 è manifestamente spento e il catodo di T2 è 0.6V più negativo dell'anodo perché la corrente scorre dall'anodo al catodo e perché è acceso.
Ho supposto che la tensione sinusoidale sia di 200V di picco, che il riferimento per la misura delle tensioni sia a metà della tensione del generatore e che l'innesco di T2 arrivi nell'istante in cui la tensione è al picco negativo sull'anodo di T1.
Ho riportato le tensioni supponendo una caduta di 0.6V tra anodo e catodo quando sono accesi, penso possa aiutare a capire.
Nel primo schema il catodo di T1 è 0.6V più negativo dell'anodo perché la corrente scorre dall'anodo al catodo ed è acceso, nella seconda il catodo di T1 è più positivo dell'anodo di 199.4V, quindi T1 è manifestamente spento e il catodo di T2 è 0.6V più negativo dell'anodo perché la corrente scorre dall'anodo al catodo e perché è acceso.
-

BrunoValente
39,6k 7 11 13 - G.Master EY

- Messaggi: 7796
- Iscritto il: 8 mag 2007, 14:48
0
voti
Sono lusingato di tanta attenzione! Grazie mille davvero.
Ora torno a sbattere la testa sul "mio" convertitore:
Gentile
BrunoValente lei ha ottimamente spiegato la commutazione da un gruppo di diodi all'altro, indicandomi i valori di potenziale: sono quest'ultimi che non capisco. Cosa intende per riferire tutto a metà tensione del generatore?
Io me lo sono spiegato così:
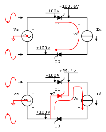
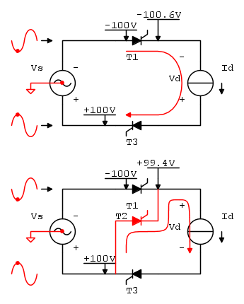
Nell'istante di picco negativo all'anodo di T1 ho il seguente potenziale riferito a metà tensione del generatore, che sarebbe -100 V in quel momento; quindi:

Non comprendo da dove viene fuori il +100 al catodo di T3.
Forse da:

Dopo la sua risposta proverò a impostare l'equazione alla maglia del circuito 1 perché ho un dubbio anche su quello.
Cordialmente
andreadimonti
Ora torno a sbattere la testa sul "mio" convertitore:
Gentile
Io me lo sono spiegato così:
Nell'istante di picco negativo all'anodo di T1 ho il seguente potenziale riferito a metà tensione del generatore, che sarebbe -100 V in quel momento; quindi:

Non comprendo da dove viene fuori il +100 al catodo di T3.
Forse da:

Dopo la sua risposta proverò a impostare l'equazione alla maglia del circuito 1 perché ho un dubbio anche su quello.
Cordialmente
-

andreadimonti
25 3 - Messaggi: 44
- Iscritto il: 18 ott 2012, 18:04
6
voti
Da queste parti, se per te non è un problema, è consuetudine darsi del tu
Quando si vogliono misurare delle tensioni nei vari punti di un circuito, si deve specificare verso cosa si intende misurarle, cioè si deve specificare quale punto del circuito si vuole prendere come riferimento, un po' come si fa per le altezze dove va specificato se si intende riferirle al livello del mare o ad altro, insomma si deve dire con chiarezza dove si intende che vada messo il puntale nero del tester, altrimenti si danno numeri privi di significato.
Ovviamente si può prendere a riferimento qualsiasi punto del circuito, la scelta è solo un fatto di comodità, se volessi specificare le altezze dei monti italiani, sarebbe semplice e comprensibile per tutti se mi riferissi al livello del mare, un po' meno se invece mi riferissi al terzo piano del mio palazzo la cui base non è al livello del mare ecc...
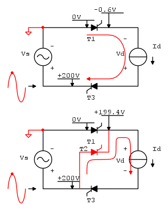
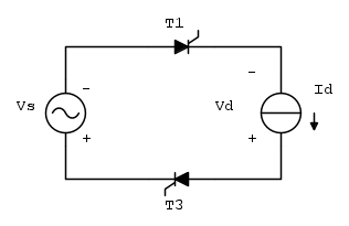
Nel circuito in questione potremmo prendere a riferimento il punto segnato con l'apposito simbolo e le tensioni misurate rispetto a quel punto sarebbero quelle evidenziate
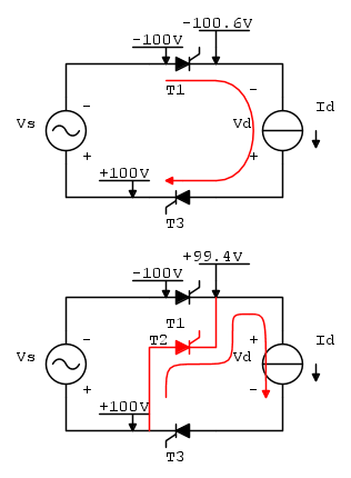
Oppure potremmo prendere a riferimento un altro punto e di conseguenza, sempre con lo stesso circuito, misureremmo altre tensioni
Nel precedente post mi era parso che per esprimere al meglio i concetti in questione sarebbe stato opportuno scegliere un riferimento a metà tensione del generatore di tensione, (come se fosse connesso internamente al generatore al centro degli avvolgimenti) in modo che nessuno dei due morsetti del generatore fosse a 0V ma che su entrambi vi fossero segnali sinusoidali in controfase e con ampiezza dimezzata
in questo modo si dovrebbe vedere più facilmente che quando le coppie di SCR si scambiano i ruoli, la tensione ai capi del generatore di corrente si inverte.
..E se volessimo farci male potremmo andare avanti con altri esempi perversi: potremmo scegliere come riferimento uno dei due morsetti del generatore di corrente... che equivarrebbe a voler studiare i movimenti dei pianeti con il sistema tolemaico...
Ovviamente, così come l'orografia del territorio non cambia se il riferimento scelto non è quello del livello del mare, così il funzionamento del circuito non cambia se si sceglie un riferimento piuttosto che un altro, questo perché in generale il funzionamento dei circuiti dipende dalle differenze dei potenziali tra i vari punti e non dal potenziale dei vari punti... mi sa che sto dicendo una marea di ovvietà
, spero di non aver detto anche sciocchezze.
Quando si vogliono misurare delle tensioni nei vari punti di un circuito, si deve specificare verso cosa si intende misurarle, cioè si deve specificare quale punto del circuito si vuole prendere come riferimento, un po' come si fa per le altezze dove va specificato se si intende riferirle al livello del mare o ad altro, insomma si deve dire con chiarezza dove si intende che vada messo il puntale nero del tester, altrimenti si danno numeri privi di significato.
Ovviamente si può prendere a riferimento qualsiasi punto del circuito, la scelta è solo un fatto di comodità, se volessi specificare le altezze dei monti italiani, sarebbe semplice e comprensibile per tutti se mi riferissi al livello del mare, un po' meno se invece mi riferissi al terzo piano del mio palazzo la cui base non è al livello del mare ecc...
Nel circuito in questione potremmo prendere a riferimento il punto segnato con l'apposito simbolo e le tensioni misurate rispetto a quel punto sarebbero quelle evidenziate
Oppure potremmo prendere a riferimento un altro punto e di conseguenza, sempre con lo stesso circuito, misureremmo altre tensioni
Nel precedente post mi era parso che per esprimere al meglio i concetti in questione sarebbe stato opportuno scegliere un riferimento a metà tensione del generatore di tensione, (come se fosse connesso internamente al generatore al centro degli avvolgimenti) in modo che nessuno dei due morsetti del generatore fosse a 0V ma che su entrambi vi fossero segnali sinusoidali in controfase e con ampiezza dimezzata
in questo modo si dovrebbe vedere più facilmente che quando le coppie di SCR si scambiano i ruoli, la tensione ai capi del generatore di corrente si inverte.
..E se volessimo farci male potremmo andare avanti con altri esempi perversi: potremmo scegliere come riferimento uno dei due morsetti del generatore di corrente... che equivarrebbe a voler studiare i movimenti dei pianeti con il sistema tolemaico...
Ovviamente, così come l'orografia del territorio non cambia se il riferimento scelto non è quello del livello del mare, così il funzionamento del circuito non cambia se si sceglie un riferimento piuttosto che un altro, questo perché in generale il funzionamento dei circuiti dipende dalle differenze dei potenziali tra i vari punti e non dal potenziale dei vari punti... mi sa che sto dicendo una marea di ovvietà
-

BrunoValente
39,6k 7 11 13 - G.Master EY

- Messaggi: 7796
- Iscritto il: 8 mag 2007, 14:48
1
voti
Gentile
BrunoValente,
non hai scritto ovvietà, anzi! Mi hai chiarito dei dubbi e ora penso di poter dire di aver capito il funzionamento del circuito: grazie mille per la pazienza. Se non è di disturbo utilizzerò il forum per lo studio di altri convertitori (ne ho da studiare a pacchi: con induttanza di linea, con generatore di tensione continua lato carico....).
Mi dispiace sia finita questa discussione, dopo una giornata di lavoro mi ha accompagnato per quattro sere di seguito . Ringrazio quindi
BrunoValente,
IsidoroKZ e
Candy per l'aiuto prestatomi.
ora vi tempesto di voti!!!
Cordialmente
andreadimonti
non hai scritto ovvietà, anzi! Mi hai chiarito dei dubbi e ora penso di poter dire di aver capito il funzionamento del circuito: grazie mille per la pazienza. Se non è di disturbo utilizzerò il forum per lo studio di altri convertitori (ne ho da studiare a pacchi: con induttanza di linea, con generatore di tensione continua lato carico....).
Mi dispiace sia finita questa discussione, dopo una giornata di lavoro mi ha accompagnato per quattro sere di seguito . Ringrazio quindi
ora vi tempesto di voti!!!
Cordialmente
-

andreadimonti
25 3 - Messaggi: 44
- Iscritto il: 18 ott 2012, 18:04
27 messaggi
• Pagina 3 di 3 • 1, 2, 3
Chi c’è in linea
Visitano il forum: Nessuno e 59 ospiti

Elettrotecnica e non solo (admin)
Un gatto tra gli elettroni (IsidoroKZ)
Esperienza e simulazioni (g.schgor)
Moleskine di un idraulico (RenzoDF)
Il Blog di ElectroYou (webmaster)
Idee microcontrollate (TardoFreak)
PICcoli grandi PICMicro (Paolino)
Il blog elettrico di carloc (carloc)
DirtEYblooog (dirtydeeds)
Di tutto... un po' (jordan20)
AK47 (lillo)
Esperienze elettroniche (marco438)
Telecomunicazioni musicali (clavicordo)
Automazione ed Elettronica (gustavo)
Direttive per la sicurezza (ErnestoCappelletti)
EYnfo dall'Alaska (mir)
Apriamo il quadro! (attilio)
H7-25 (asdf)
Passione Elettrica (massimob)
Elettroni a spasso (guidob)
Bloguerra (guerra)




