Ciao a tutti,
Vorrei monitorale le temperature dell'accumulo di acqua calda della mia caldaia, il problema è che questo si trova abbastanza lontano dal PC che vorrei usare, circa metri 30 misurando il giro dei tubi elettrici.
Informandomi un attimino ho capito che sarebbe meglio utilizzare delle sonde tipo PT 1000.
Non ho mai usato questo tipo di sensore e vorrei qualche consiglio su come utilizzarlo al meglio.
Mi interessa misurare temperature tra i -20 e i 100 °C.
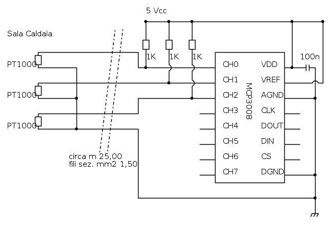
Pensavo di collegarle così:
Ho qualche dubbio:
- a -20°C la PT1000 ha una resistenza di 921.6 ohm che sommati ai 1000 della resistenza implicano che attraverso le resistenze passano 2.6 mA, sono troppi? sono pochi?
- utilizzando MCP3008 che una risoluzione di 10 bit per cui in teoria doveri leggere 512 (in decimali) a 0°C e 594 a 100°C, quindi ho una risoluzione di circa 1,2°C, per carità non ho bisogno di molta precisione ma mi piacerebbe arrivare almeno al grado.
- è meglio alimentare le PT1000 con un alimentatore in sala caldaie?
Qualsiasi consiglio è ben accetto, Grazie mille Ciao
Misura temperatura remota con PT1000 e MCP3008
Moderatori:
carloc,
g.schgor,
BrunoValente,
IsidoroKZ
1
voti
Mi pare che i PT1000 possano andare bene.
Metterei un elettrolitico da 10 uF fra ogni ingresso CHi e massa per filtrare eventuali disturbi presenti per evitare che i valori acquisiti ballino.
2,6 mA sono pochi ma non pochissimi.
Potresti montare il ADC MCP vicino ai sensori e pilotarlo con collegamenti lunghi di CK, DIN, DOut, GND, + 5V , e forse qualche 100pF in parellelo ai fili di collegamento ma forse non ne vale la pena.
forse metti un 7805 sull'alimentazione a +12V.
A me piacciono i sensori LM35 0-100 C° 10mV/C° 0 C° >> 0 V, alimentazione da 4 a 24? V, però è un problema di gusti e di contenitore di alloggiamento del sensore;
assorbirà meno di 1 mA.
esistono anche i LM60 da -20 a + 150? C°.

Metterei un elettrolitico da 10 uF fra ogni ingresso CHi e massa per filtrare eventuali disturbi presenti per evitare che i valori acquisiti ballino.
2,6 mA sono pochi ma non pochissimi.
Potresti montare il ADC MCP vicino ai sensori e pilotarlo con collegamenti lunghi di CK, DIN, DOut, GND, + 5V , e forse qualche 100pF in parellelo ai fili di collegamento ma forse non ne vale la pena.
forse metti un 7805 sull'alimentazione a +12V.
A me piacciono i sensori LM35 0-100 C° 10mV/C° 0 C° >> 0 V, alimentazione da 4 a 24? V, però è un problema di gusti e di contenitore di alloggiamento del sensore;
assorbirà meno di 1 mA.
esistono anche i LM60 da -20 a + 150? C°.

0
voti
Ciao MarcoD anche a me piacciono gli LM35 ma per usarli a discanza con un cavetto twist si limita il range da 2 a 40 gradi e portare giù il mcp3008 mi fa un po' paura.
0
voti
per
spivo
Perf l'ambiente caldaia, occorre adoperare un contenitore a prova di polvere.per il piastrino.
Poi:.. ti poni un obiettivo di sperimentazione provvisoria o vuoi qualcosa con una vita > 10 anni?.
Non ricordavo del limite 40 C° per gli LM35, sapevo del consiglio di mettere in serie all'uscita una R da 1kohm, per evitare delle autooscillazioni dovute all'effetto linea risonante della connessione lunga ( esempio: 10 metri cavo 1/4 onda 7 MHz) .spivo ha scritto:.. gli LM35 ma per usarli a dis.. con un cavo twist si limita il range da 2 a 40 C° e portare giù il mcp3008 ...
Perf l'ambiente caldaia, occorre adoperare un contenitore a prova di polvere.per il piastrino.
Poi:.. ti poni un obiettivo di sperimentazione provvisoria o vuoi qualcosa con una vita > 10 anni?.
2
voti
Per leggere una PT100 è megli far precedere al convertitore ADC un amplificatore che riporti il range di temperatura desiderata in un range di tensione più ampio possibile per il convertitore.
Per quanto riguarda la corrente del circuito di misura, essendo la sonda piccooa, quai puntiforme, limiterei 0,5 mA per non indurre calore nell'elemento di misura.
Per il tuo scopo è antieconomica una PT1000, è largamente sufficiente una PT100.
Se la distanza tra sonda e convertitore è considerevole, meglio compensare la misura con un sensore a tre fili.
Ultimo, vedo cha hai rappresentato tre sonde. Per rilevare la temperatura dell'acqua, ti basta un unico convertitore multiplexato, tanto l'acqua non è che cambi di temperatura ogni millisecondo. Se la rilevi ogni secondo è largamente sufficiente.
Per quanto riguarda la corrente del circuito di misura, essendo la sonda piccooa, quai puntiforme, limiterei 0,5 mA per non indurre calore nell'elemento di misura.
Per il tuo scopo è antieconomica una PT1000, è largamente sufficiente una PT100.
Se la distanza tra sonda e convertitore è considerevole, meglio compensare la misura con un sensore a tre fili.
Ultimo, vedo cha hai rappresentato tre sonde. Per rilevare la temperatura dell'acqua, ti basta un unico convertitore multiplexato, tanto l'acqua non è che cambi di temperatura ogni millisecondo. Se la rilevi ogni secondo è largamente sufficiente.
-

Candy
32,5k 7 10 13 - CRU - Account cancellato su Richiesta utente
- Messaggi: 10123
- Iscritto il: 14 giu 2010, 22:54
0
voti
MarcoD ha scritto:Poi:.. ti poni un obiettivo di sperimentazione provvisoria o vuoi qualcosa con una vita > 10 anni?.
Il funzionamento della caldaia è indipendente dal mio circuitino ma vorrei che durasse qualche anno.
Ciao
Per sperimentare ho trovato in un negozio di elettronica vicino a casa mia una sonda pt1000 a due fili con il suo cavo e la protezione a crica 12€ avevano anche delle pt 100 con le stesse caratteristiche ma costavano solo 2€ in meno nel dubbio ho preso la 1000.
Mi interessa molto poter inserire un amplificatore e limitare la corrente nella sonda, ma non so come fare, puoi darmi qualche consiglio?. Grazie
P.s.
Candy ha scritto:Ultimo, vedo cha hai rappresentato tre sonde. Per rilevare la temperatura dell'acqua, ti basta un unico convertitore multiplexato, tanto l'acqua non è che cambi di temperatura ogni millisecondo. Se la rilevi ogni secondo è largamente sufficiente.
Mi servirebbero tre sonde per misurare la temperatura dell'accumulatore in alto, al centro ed in basso, vorrei metterne una anche per misurare la temperatura esterna, poi andrò a leggerle con una frequenza di qualche minuto.
Ciao Ivo
Chi c’è in linea
Visitano il forum: Nessuno e 186 ospiti

Elettrotecnica e non solo (admin)
Un gatto tra gli elettroni (IsidoroKZ)
Esperienza e simulazioni (g.schgor)
Moleskine di un idraulico (RenzoDF)
Il Blog di ElectroYou (webmaster)
Idee microcontrollate (TardoFreak)
PICcoli grandi PICMicro (Paolino)
Il blog elettrico di carloc (carloc)
DirtEYblooog (dirtydeeds)
Di tutto... un po' (jordan20)
AK47 (lillo)
Esperienze elettroniche (marco438)
Telecomunicazioni musicali (clavicordo)
Automazione ed Elettronica (gustavo)
Direttive per la sicurezza (ErnestoCappelletti)
EYnfo dall'Alaska (mir)
Apriamo il quadro! (attilio)
H7-25 (asdf)
Passione Elettrica (massimob)
Elettroni a spasso (guidob)
Bloguerra (guerra)




