Candy ha scritto:Mah, per ora direi che inveceIsidoroKZ magari sa a memoria di un operazionale duale rail to rail in contenitore 8 pin
LT1490, LT1677 (singolo), LMC6482. Altri piu` moderni sono solo in SMD.
Moderatori:
carloc,
g.schgor,
BrunoValente,
IsidoroKZ
Candy ha scritto:Mah, per ora direi che inveceIsidoroKZ magari sa a memoria di un operazionale duale rail to rail in contenitore 8 pin

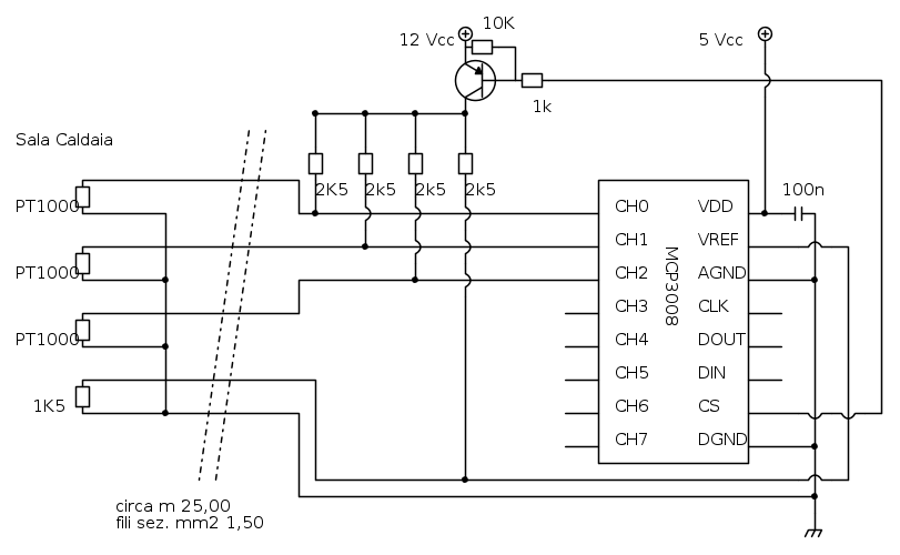
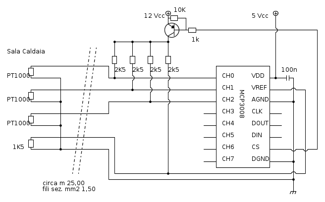
spivo ha scritto:boiler ha scritto:Ah, e se ti basta una misura ogni 10 secondi e la misura dura, per esempio, 100 ms, ti basta accendere l'alimentazione della sorgente di corrente per quel periodo di tempo. Il duty cycle è in questo modo all'1% e anche il riscaldamento della sonda corrisponde solo all'1% della potenza dissipata con l'alimentazione accesa.
Boiler
Mi piace come soluzione, potre mettere un transistor pnp sul CS del mcp3008 così da controllare la corrente 12 V che alimenta le pt1000. In casa dovrei avere dei bc327, questa sera spero di avere del tempo per provare.
Grazie Ciao Ivo

spivo ha scritto:come avrei potuto alimentare le pt1000 solo quando il pin CS del' mcp3002 era a basso livello?


Visitano il forum: Nessuno e 51 ospiti