da
Pixy » 13 feb 2016, 17:33
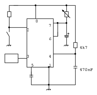
Gianni56 ha scritto:salve ho rifatto la scheda come da disegno rimane sempre lo stesso difetto.
hai uno schema migliore
grazie
Non ho schema migliore
Ma sei sicuro di aver collegato il tutto bene ?
Perché deve funzionare ( per curiosità l' ho realizzato e a me funziona bene )
Ma come avvengono queste interruzioni e ripristino di alimentazione ?
Sono immediate ? Nel senso che la tensione va via un' attimo e subito ritorna ? Perché allora potrebbe darsi, che il condensatore non fa in tempo a scaricarsi e allora quando torna corrente, il pin 4 si trova ancora a livello logico alto.
spiega bene cosa succede.
..mi hai messo in difficoltà...

P.S.
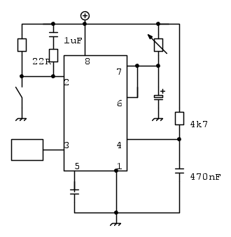
Prova a mettere anche un condensatore da 1uF ( meglio se non elettrolitico ) e una resistenza in serie di piccolo valore fra il positivo e il pin 2, tante volte , per non si sa quale ragione, il pin 2 sentisse la massa quando va e viene corrente.
Altrimenti non ho altre idee. Bisognerebbe essere lì e scoprire che cosa fa partire il monostabile.