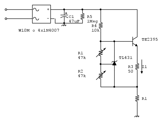
Con l'occasione aggiorno lo schema che sarà quello che andrò a collaudare nei prossimi giorni.
I valori sono indicati, le tensioni di lavoro del transistor, del condensatore e del ponte sono superiori ai 325V.
Il transistor lo ho scelto, tra quelli che avevo a disposizione, perché ha il packege isolato, quindi data l'elevata tensione mi fido di più a collocarlo poi su un'aletta di raffreddamento.
Circuito da dimensionare, e perché no anche simulare
Moderatori:
carloc,
g.schgor,
BrunoValente,
IsidoroKZ
43 messaggi
• Pagina 4 di 5 • 1, 2, 3, 4, 5
0
voti
"La teoria attrae la pratica come il magnete attrae il ferro" C. Gauss
Seguitemi anche su youtube, un saluto da AT
https://www.youtube.com/c/atlaboratory
Seguitemi anche su youtube, un saluto da AT
https://www.youtube.com/c/atlaboratory
0
voti
Candy ha scritto:Prima di piantare la spina, copri con un cartone robusto e tieni estintore nei paraggi.
Grazie per la fiducia
Sicuramente prima di inserire la spina faccio (ed ho fatto proprio poco fa) una prova in bassa tensione con un alimentatore da 30V DC, per verificare se il regolatore funzionava correttamente. Ed effettivamente funziona, dovrò tarare la R1 in base ai valori che raggiungo aumentanto la tensione.
Inoltre come dicevo all'inizio ho a disposizione un variac e un trasformatore di isolamento.
Comunque la prima prova è stata superata, il circuito regola la corrente come previsto da ca. 50mA a ca 100mA.
"La teoria attrae la pratica come il magnete attrae il ferro" C. Gauss
Seguitemi anche su youtube, un saluto da AT
https://www.youtube.com/c/atlaboratory
Seguitemi anche su youtube, un saluto da AT
https://www.youtube.com/c/atlaboratory
1
voti
Collaudo finale eseguito e passato con successo, ho fatto alcune tarature e nel pomeriggio riporto lo schema definitivo.
Il circuito regge senza problemi, e come previsto il transitor dissipa circa 3W di potenza.
Il circuito regge senza problemi, e come previsto il transitor dissipa circa 3W di potenza.
"La teoria attrae la pratica come il magnete attrae il ferro" C. Gauss
Seguitemi anche su youtube, un saluto da AT
https://www.youtube.com/c/atlaboratory
Seguitemi anche su youtube, un saluto da AT
https://www.youtube.com/c/atlaboratory
0
voti
Candy ha scritto:Dipende dal valore di R1. Se non ci fosse la potenza diventa di 30 W.
Credo che R1 in realtà non ci sia e che al suo posto ci sia la stringa dei led,
per sapere quanto dissipa il transistor occorrerebbe sapere a quanto ammonta la vf concatenata di tutti i led.
Alberto
La vita è come una bicicletta, devi sempre pedalare per rimanere in equilibrio
Annuncio sempre valido: http://www.electroyou.it/forum/viewtopic.php?f=10&t=62668
La vita è come una bicicletta, devi sempre pedalare per rimanere in equilibrio
Annuncio sempre valido: http://www.electroyou.it/forum/viewtopic.php?f=10&t=62668
-

AlbertoBianchi
2.009 3 5 - Master

- Messaggi: 836
- Iscritto il: 4 dic 2014, 18:30
- Località: Lastra a Signa (FI)
0
voti
Candy ha scritto:... dal carico in corto fino al massimo previsto.
Scusa Mauro ma non capisco... se il carico, supponiamo, fosse costituito da 90 leds con una vf di 3V per un totale di 270V, che senso avrebbe dimensionare il tutto considerando di partire dal corto? è una condizione che non si verificherà mai.
Alberto
La vita è come una bicicletta, devi sempre pedalare per rimanere in equilibrio
Annuncio sempre valido: http://www.electroyou.it/forum/viewtopic.php?f=10&t=62668
La vita è come una bicicletta, devi sempre pedalare per rimanere in equilibrio
Annuncio sempre valido: http://www.electroyou.it/forum/viewtopic.php?f=10&t=62668
-

AlbertoBianchi
2.009 3 5 - Master

- Messaggi: 836
- Iscritto il: 4 dic 2014, 18:30
- Località: Lastra a Signa (FI)
0
voti
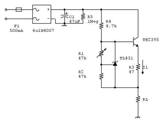
Con un po' di ritardo arriva lo schema, come dicevo andrà ad alimentare una lunga strisca di LED che necessitano ca. 300V @100mA. So che non è una soluzione ottima, sia dal punto di vista energetico che circuitale, ma comunque è valida e per l'oggetto da realizzare è più che sufficiente e molto pratica.
Capisco che se dovessi prevedere che il carico vada in corto, il circuito potrebbe dare dei problemi, non tanto per il transistor ma più per il TL431 e la resistenza che lo va ad alimentare.
Forse si potrebbe inserire una di quelle bobine doppie a valle del ponte per ridurre i picchi di corrente ed i disturbi.
Capisco che se dovessi prevedere che il carico vada in corto, il circuito potrebbe dare dei problemi, non tanto per il transistor ma più per il TL431 e la resistenza che lo va ad alimentare.
Forse si potrebbe inserire una di quelle bobine doppie a valle del ponte per ridurre i picchi di corrente ed i disturbi.
"La teoria attrae la pratica come il magnete attrae il ferro" C. Gauss
Seguitemi anche su youtube, un saluto da AT
https://www.youtube.com/c/atlaboratory
Seguitemi anche su youtube, un saluto da AT
https://www.youtube.com/c/atlaboratory
0
voti
Aletox ha scritto:Forse si potrebbe inserire una di quelle bobine doppie a valle del ponte per ridurre i picchi di corrente ed i disturbi.
Un filtro di modo comune non avrebbe molto senso nel tuo circuito che è totalmente lineare, serve ad attenuare i disturbi condotti generati negli switching.
Per la sicurezza in caso di guasti il fusibile mi sembra adeguato, devi però curare la realizzazione fisica per evitare comunque la possibilità di folgorazioni anche nel caso il fuse sia interrotto.
300V di stringa mi sembrano troppi, hai tenuto conto del valore minimo della tensione di rete? (230 -20%)
Alberto
La vita è come una bicicletta, devi sempre pedalare per rimanere in equilibrio
Annuncio sempre valido: http://www.electroyou.it/forum/viewtopic.php?f=10&t=62668
La vita è come una bicicletta, devi sempre pedalare per rimanere in equilibrio
Annuncio sempre valido: http://www.electroyou.it/forum/viewtopic.php?f=10&t=62668
-

AlbertoBianchi
2.009 3 5 - Master

- Messaggi: 836
- Iscritto il: 4 dic 2014, 18:30
- Località: Lastra a Signa (FI)
43 messaggi
• Pagina 4 di 5 • 1, 2, 3, 4, 5
Chi c’è in linea
Visitano il forum: Nessuno e 230 ospiti

Elettrotecnica e non solo (admin)
Un gatto tra gli elettroni (IsidoroKZ)
Esperienza e simulazioni (g.schgor)
Moleskine di un idraulico (RenzoDF)
Il Blog di ElectroYou (webmaster)
Idee microcontrollate (TardoFreak)
PICcoli grandi PICMicro (Paolino)
Il blog elettrico di carloc (carloc)
DirtEYblooog (dirtydeeds)
Di tutto... un po' (jordan20)
AK47 (lillo)
Esperienze elettroniche (marco438)
Telecomunicazioni musicali (clavicordo)
Automazione ed Elettronica (gustavo)
Direttive per la sicurezza (ErnestoCappelletti)
EYnfo dall'Alaska (mir)
Apriamo il quadro! (attilio)
H7-25 (asdf)
Passione Elettrica (massimob)
Elettroni a spasso (guidob)
Bloguerra (guerra)



