Salve,Dovrei poter variare la velocità di questo motore(allego dati tecnici)...
Avrei pensato:
Creare un circuito di zero Cross,così che quando si passa per lo 0...tramite un PIC genero un ritardo in modo da modificare il Duty Cicle...e usare un'uscita dello stesso per pilotare Fotodiac + Triac
il Triac piloterebbe un alimentatore con due secondari da 74Vac messi in serie e Raddrizzati...
Troppo lavoro? si potrebbe fare diversamente
Il motore porta 230VDC,ma:
Se collego il motore ad un alimentatore variabile,gia a 5 volt gira...
la velocità devo gestirla in corrente o tensione?
Perche riporta 230vdc se il motore gira con una tensione bassissima (senza forza però)
PS.il motore è montato in un Tapis Roulant
Regolare motore in DC...
Moderatori:
carloc,
g.schgor,
BrunoValente,
IsidoroKZ
7 messaggi
• Pagina 1 di 1
0
voti
230VDC è la massima tensione? o bisogna tenere la tensione a 230vdc e variare solo la corrente?
-

carlomusumeci
353 5 7 - Sostenitore

- Messaggi: 526
- Iscritto il: 8 apr 2011, 0:35
1
voti
ciao
carlomusumeci
Ti rispondo volentieri anche se non è che eccelli nel campo dei motori.
comunque per variare velocità e coppia nei motori in C.C. ci molti modi, come tanti sono i tipi di motori.
Il tuo, penso sia un motore a magneti permanenti, perciò si agisce solo sulla tensione rotorica o di armatura p
E' vero che la coppia del motore è proporzionale al flusso eccitatore ( che è costante se il motore è a magneti permanenti) e alla corrente nel circuito di armatura.
Ma in pratica il motore si fermerà ad una tot velocità quando la coppia magnetica sviluppata dal motore uguaglierà la coppia resistente applicata all' albero,
Per capire meglio come la tensione influenzi la velocità facciamo un ipotesi:
Ammettiamo che il motore alla tensione X abbia raggiunto un numero di giri Y il che significa che in quel momento la coppia magnetica sviluppata dal motore uguaglia la coppia resistente applicata all' albero e il circuito assorbirà un tot di corrente
Ammettiamo di aumentare la tensione al motore di 10 V
A questo punto la corrente nel circuito tende ad aumentare perché limitata dalla resistenza ohmica di armatura. Ma se aumenta la corrente aumenterà anche la coppia magnetica, perciò se il carico è rimasto costante, la coppia magnetica superando la coppia resistente appllicata, in teoria farebbe aumentare notevolmente i giri del motore.
In verità nel circuito rotorico, in serie alla resistenza agisce l' induttanza del motore che crea una f.e.m. che si oppone direttamente alla tensione applicata e questa f.e.m. aumenta con il numero di giri del motore.
L' effetto di questa f.e.m. che aumenta, sarà quello di far diminuire la corrente e perciò la coppia magnetica del motore fino al punto di uguagliare nuovamente la coppia resistente.
Pertanto l' effetto finale, sarà quello che la coppia sarà rimasta uguale, e il motore girerà ad un numero di giri superiore a prima
Percui, vedi che la velocità del motore dipende dalla tensione applicata
Mentre se il carico all' albero cambia,( aumenta o diminuisce ) questo farà variare la corrente assorbita, perché la coppia magnetica che dovrà riadeguarsi è proporzionale alla corrente assorbita e se la tensione rimane costante , ci sarà un abbassamento o alzamento del numero dei giri e per riportarli a quelli iniziali si aumenta o diminuisce la tensione.
Come vedi tutto si fa in tensione
Il motore che hai può girare anche a basse tensioni, ma la velocità e la coppia saranno limitate di conseguenza.
230 V è la tensione massima cui è bene non superare, specialmente a carico
Ti rispondo volentieri anche se non è che eccelli nel campo dei motori.
comunque per variare velocità e coppia nei motori in C.C. ci molti modi, come tanti sono i tipi di motori.
Il tuo, penso sia un motore a magneti permanenti, perciò si agisce solo sulla tensione rotorica o di armatura p
E' vero che la coppia del motore è proporzionale al flusso eccitatore ( che è costante se il motore è a magneti permanenti) e alla corrente nel circuito di armatura.
Ma in pratica il motore si fermerà ad una tot velocità quando la coppia magnetica sviluppata dal motore uguaglierà la coppia resistente applicata all' albero,
Per capire meglio come la tensione influenzi la velocità facciamo un ipotesi:
Ammettiamo che il motore alla tensione X abbia raggiunto un numero di giri Y il che significa che in quel momento la coppia magnetica sviluppata dal motore uguaglia la coppia resistente applicata all' albero e il circuito assorbirà un tot di corrente
Ammettiamo di aumentare la tensione al motore di 10 V
A questo punto la corrente nel circuito tende ad aumentare perché limitata dalla resistenza ohmica di armatura. Ma se aumenta la corrente aumenterà anche la coppia magnetica, perciò se il carico è rimasto costante, la coppia magnetica superando la coppia resistente appllicata, in teoria farebbe aumentare notevolmente i giri del motore.
In verità nel circuito rotorico, in serie alla resistenza agisce l' induttanza del motore che crea una f.e.m. che si oppone direttamente alla tensione applicata e questa f.e.m. aumenta con il numero di giri del motore.
L' effetto di questa f.e.m. che aumenta, sarà quello di far diminuire la corrente e perciò la coppia magnetica del motore fino al punto di uguagliare nuovamente la coppia resistente.
Pertanto l' effetto finale, sarà quello che la coppia sarà rimasta uguale, e il motore girerà ad un numero di giri superiore a prima
Percui, vedi che la velocità del motore dipende dalla tensione applicata
Mentre se il carico all' albero cambia,( aumenta o diminuisce ) questo farà variare la corrente assorbita, perché la coppia magnetica che dovrà riadeguarsi è proporzionale alla corrente assorbita e se la tensione rimane costante , ci sarà un abbassamento o alzamento del numero dei giri e per riportarli a quelli iniziali si aumenta o diminuisce la tensione.
Come vedi tutto si fa in tensione
Il motore che hai può girare anche a basse tensioni, ma la velocità e la coppia saranno limitate di conseguenza.
230 V è la tensione massima cui è bene non superare, specialmente a carico
0
voti
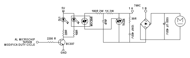
Ottimo,grazie per la preziosa spiegazione...quindi quello che dovrei creare è un regolatore da 0 a 150vdc (dovrebbero bastare)....l'idea di dimmerare un trasformatore (con secondari da 74 VDC),a sua volta raddrizzato è buona? o potrei fare qualcosa di più semplice,magari senza utilizzare un trasformatore
-

carlomusumeci
353 5 7 - Sostenitore

- Messaggi: 526
- Iscritto il: 8 apr 2011, 0:35
0
voti
Questa sarebbe la mia idea...
-

carlomusumeci
353 5 7 - Sostenitore

- Messaggi: 526
- Iscritto il: 8 apr 2011, 0:35
0
voti
Ci sono alcuni dati che non tornano ... 230V DC e poi 50/60 Hz
Allora o è continua (DC) o è alternata (** Hz) !
Il fatto che sia smontato da ... la dice lunga: bisognerebbe verificare com'è fatta la scheda di pilotaggio.
Se il motore fosse a magneti permanenti allora lo si deve alimentare almeno con una continua pulsante ovvero almeno dopo in ponte raddrizzatore.
Oppure è il classico motore "universale" (quello dei trapani, per intenderci) quindi niente magneti ma una eccitazione serie. Questo motore funziona perfettamente anche in alternata, per il fatto che il campo magnetico di armatura e quelli di eccitazione (essendo in serie) cambiano polarità in perfetto sincronismo.
In tutti i casi, per regolare la velocità basta un bel vecchio dimmer di quelli per le luci.
Bye
Ser.Tom
Allora o è continua (DC) o è alternata (** Hz) !
Il fatto che sia smontato da ... la dice lunga: bisognerebbe verificare com'è fatta la scheda di pilotaggio.
Se il motore fosse a magneti permanenti allora lo si deve alimentare almeno con una continua pulsante ovvero almeno dopo in ponte raddrizzatore.
Oppure è il classico motore "universale" (quello dei trapani, per intenderci) quindi niente magneti ma una eccitazione serie. Questo motore funziona perfettamente anche in alternata, per il fatto che il campo magnetico di armatura e quelli di eccitazione (essendo in serie) cambiano polarità in perfetto sincronismo.
In tutti i casi, per regolare la velocità basta un bel vecchio dimmer di quelli per le luci.
Bye
Ser.Tom0
voti
SerTom ha scritto:Ci sono alcuni dati che non tornano ... 230V DC e poi 50/60 Hz
Allora o è continua (DC) o è alternata (** Hz) !![]()
Il fatto che sia smontato da ... la dice lunga: bisognerebbe verificare com'è fatta la scheda di pilotaggio.
Se il motore fosse a magneti permanenti allora lo si deve alimentare almeno con una continua pulsante ovvero almeno dopo in ponte raddrizzatore.
Oppure è il classico motore "universale" (quello dei trapani, per intenderci) quindi niente magneti ma una eccitazione serie. Questo motore funziona perfettamente anche in alternata, per il fatto che il campo magnetico di armatura e quelli di eccitazione (essendo in serie) cambiano polarità in perfetto sincronismo.
In tutti i casi, per regolare la velocità basta un bel vecchio dimmer di quelli per le luci.
ByeSer.Tom
Non rischierei a provarlo in AC...ma effettivamente quei 50-60hz hanno acceso un pallino anche a me...
-

carlomusumeci
353 5 7 - Sostenitore

- Messaggi: 526
- Iscritto il: 8 apr 2011, 0:35
7 messaggi
• Pagina 1 di 1
Chi c’è in linea
Visitano il forum: Nessuno e 57 ospiti

Elettrotecnica e non solo (admin)
Un gatto tra gli elettroni (IsidoroKZ)
Esperienza e simulazioni (g.schgor)
Moleskine di un idraulico (RenzoDF)
Il Blog di ElectroYou (webmaster)
Idee microcontrollate (TardoFreak)
PICcoli grandi PICMicro (Paolino)
Il blog elettrico di carloc (carloc)
DirtEYblooog (dirtydeeds)
Di tutto... un po' (jordan20)
AK47 (lillo)
Esperienze elettroniche (marco438)
Telecomunicazioni musicali (clavicordo)
Automazione ed Elettronica (gustavo)
Direttive per la sicurezza (ErnestoCappelletti)
EYnfo dall'Alaska (mir)
Apriamo il quadro! (attilio)
H7-25 (asdf)
Passione Elettrica (massimob)
Elettroni a spasso (guidob)
Bloguerra (guerra)


